时间:2023-05-29 14:27
人气:
作者:admin
ADALM2000示波器模块较为常见的触发方式是通过其模拟输入通道中的一个触发。当选择某个通道作为触发源时,该模块将会显示出稳定的波形,波形的水平时间刻度以选定通道为基准(对齐零时间点)有时可能需使用被测电路中的某个特定信号来触发显示,以便将该信号的零时间点作为参考点。ADALM2000硬件提供两个外部数字输入/输出,即T1和T0,可被选作触发输入。使用这些数字输入时,显示的波形将与所施加信号的上升沿对齐,即将其设置为零时间点。然而这些数字输入的输入电压范围应该在0 V到5 V之间,并且具有固定的阈值电压。要将这些外部触发输入与模拟输入信号(介于-5 V和+5 V之间)一起使用,需要借助一个电压比较器电路以及可调电压源,来设置触发电压电平。
材料
ADALM2000主动学习模块
无焊试验板
跳线
一个 AD8561 u比较器(或用AD790替代,引脚排列略有不同)
一个74HC04六路CMOS逆变器(或CD4007,见附录)
三个1 kΩ电阻
一个1 MΩ电阻
一个10 kΩ电位计
一个0.1 μF电容
一个0.0047 μF电容
说明
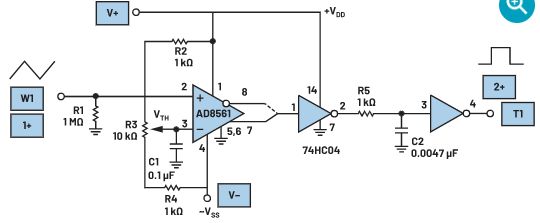
在无焊试验板上构建图1所示的电路。AD8561模拟比较器具有同相(正端)和反相(负端)输出。第一个反相器的输入可以交替连接到引脚7输出(上升沿触发)或引脚8输出(下降沿触发)。从将其连接到引脚7开始。建议使用74HC04六通道反相器,也可以用CD4069六通道反相器代替,或者使用CD4007晶体管阵列构建两个反相器(参见附录)。
AD8561的带宽非常高,会对输入信号中可能存在的任何高频噪声作出响应。如果输入信号接近阈值电压(VTH),其输出将会非常快速地来回切换多次。此噪声会导致屏幕上显示来回跳动或起伏较大的波形,看起来不太稳定。利用电阻R5和电容C2形成一个低通滤波器,并插在两个反相器级之间,可以减少这些非常快速的开关尖峰。该滤波器的时间常数将根据用作外部触发信号的信号性质进行调整。

图1.模拟触发电路
硬件设置
波形发生器AWG1应配置为三角波,峰峰值幅度为8 V,偏置为0 V,频率为5 kHz。设置示波器的水平和垂直刻度,以至少显示输入三角波形的一个完整周期。确保在反复检查电路连接之后,再打开电源。

图2.模拟触发试验板电路
程序步骤
首先将示波器触发源设置为通道1,上升沿触发,电平设置为0 V。此时通道1上三角波的上升沿中心应该位于水平轴的零时间点上。根据电位器R3的设置,通道2上第二反相器的数字输出的上升沿应在水平轴上以不同的时间出现。将R3从其范围的一端调整到另一端,观察通道2脉冲的上升沿相对于三角波电压(垂直轴)的时间点变化情况。

图3.不同电位器值对应的示波器通道1上升沿触发信号的示波器截图
现在将示波器触发源切换到外部1(T1输入),重复R3从其范围的一端调整到另一端的操作。沿着上升沿的任何位置,都应该可以对齐零时间点。

图4.不同电位器值对应的示波器外部触发信号上升沿的示波器截图
现在将第一个反相器的输入移至AD8561的引脚8。现在零时间点应与输入三角波的下降沿对齐。再次重复R3的扫描,确认沿着下降沿的任何位置都可以对齐零时间点。
审核编辑:郭婷