时间:2009-08-18 14:26
人气:
作者:admin
抑制简易整流电源的调制交流声
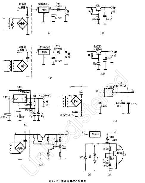
有些整流电源,即使加了电子滤波器,使交流纹波得以抑制,但在放音时,发现无电台广播时没有交流声,而在有播音时,却伴随着播音出现交流哼哼声。这种声音称为调制交流声。这往往是整流电源的变压器的初、次级之间隔离层接地端脱焊,或没有隔离层引起的。检查线时,可注意隔离层的接地情况。如果变压器五隔离层,或隔离层的接地端已在变压器中齐根短线。无法焊接时,则可如图1-39(f)所示,在变压器次级线圈对地接一只0.47μF的电容器,这样就能起到抑制调制交流声的作用。

[责任编辑:小敏]--如须转载,请注明来至--www.elecfans.com
上一篇:S参数的物理含义
下一篇:小功率家用电器加装电流指示器