时间:2007-12-26 22:37
人气:
作者:admin
电动机控制实验:
一、实验目的
1、应用PLC技术实现对三相异步电动机的控制
2、训练编程的思想和方法。
3、熟悉PLC的使用,提高应用PLC的能力。
二、实验内容及指导
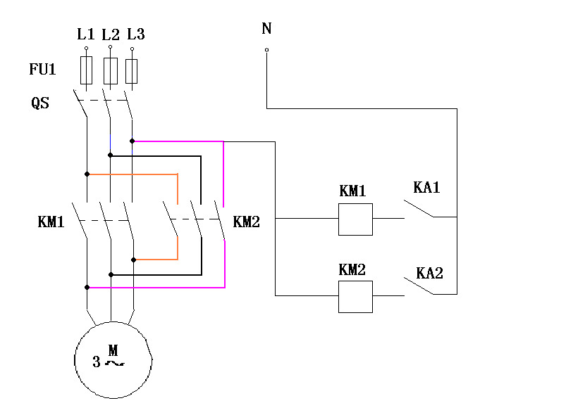
(一)三相异步电动机的正反转
1、控制要求:
按下启动按钮SB1,接触器KM1闭合,电机正向投入运行,按下停止按钮SB3,电机停止运行;按下启动按钮SB2,接触器KM2闭合,电机反向投入运行,按下停止按钮SB3,电机停止运行。
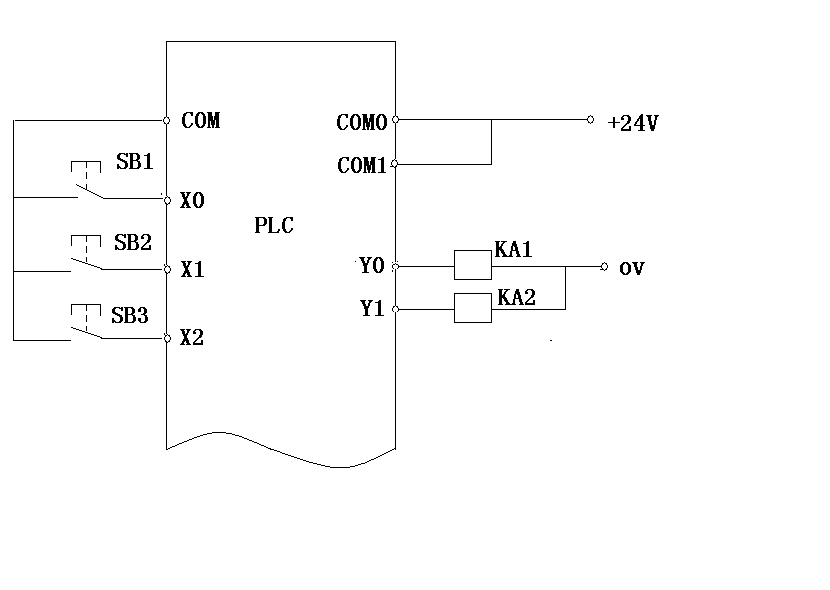
2、I/O(输入输出口)分配
输入
X0 SB1( 正向启动按钮)
X1 SB2( 反向启动按钮)
X2 SB3(停止按钮)
输出
Y0 KM1
Y1 KM2
3、通过编程设备将梯形图输入PLC主机,调试正确;并写出指令表。

请写出指令表:
4、按下图接好主电路和控制电路。

主电路

控制回路
5、联机调试,得出结论。
(二)三相异步电动机的星形--三角形降压启动
1、控制要求:
按下启动按钮SB1,接触器KM1、KM2闭合,电动机进入启动状态,2s后接触器KM2断开,KM3接通,电动机进入正常运行状态,按下停止按钮SB2,电动机停止运行。
2、I/O(输入输出口)分配
输入
X0 SB1(启动按钮)
X1 SB2( 停止按钮)
输出
Y0 KM1
Y1 KM2
Y2 KM3
3、通过编程设备将指令表输入PLC主机,调试正确。
LD X0
OR M100
ANI X1
MC N0 M100
LDI T0
ANI Y2
OUT Y1
LD Y1
OR Y0
OUT Y0
LDI Y2
OUT T0 K80
LDI Y1
OUT Y2
MCR N0
END
4、按下图接好主电路和控制电路。

主电路
控制回路
接线图
5、联机调试,得出结论。
6、请自己设计实现三相异步电动机的星形--三角形降压启动的程序。
上一篇:基本逻辑指令的编程实验