时间:2007-12-26 22:41
人气:
作者:admin
状态转移图的研究及单流程编程训练实验
一、实验目的
1、了解状态的三要素
2、认识状态转移图(SFC)的特点
3、理解状态转移图的执行情况。
4、掌握单流程状态转移图的编程原则和编程方法。
5、掌握状态转移程序的调试手段。
二、实验内容及指导
(一)状态三要素
状态元件(又称状态继电器),是构成状态转移图的基本元素。其作用是从主母线上提供一个状态接点,形成子母线。状态元件具有负载驱动、状态转移条件和状态转移方向三个要素。
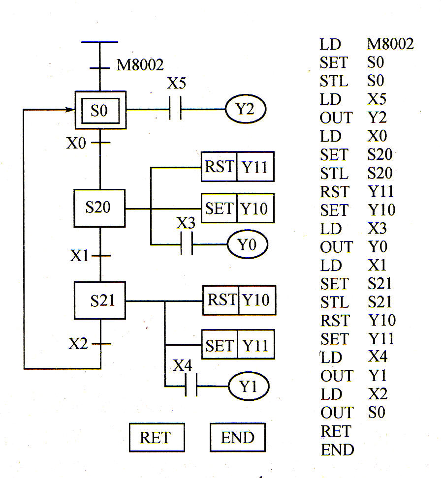
下图6-1是某控制系统的状态转移图和指令表,其中有三个状态:S0、S20和S21(S20为初始状态),其中三要素组成如下表所示。

图6-1 状态转移图和指令表
表6-1 状态三要素表

实验要求:将指令程序输入PLC并运行。观察程序的执行结果,体会上表,进一步理解每个状态的三要素组成。
(二)状态转移图的特点及程序执行过程
理论教材中,小车自动往返控制的实例,其状态转移图如下图6-2所示。

图6-2小车自动往返控制的实例的状态转移图
1)将程序写入PLC并运行,观察运行结果,并体会控制要求。
2)通过反复运行,并借助于编程器的监控和测试手段,观察各状态元件(S)、输入元件(X)、输出元件(Y)和定时元件(T)的状态变化,以及状态与状态成立条件、状态转移方向、状态转移条件、状态所驱动的负载之间的关系,并体会状态转移图及其执行的特点。
(1)状态转移图是严格按照预定的顺序,进行的顺序控制流程。
(2)每个状态均有其成立(激活)的条件,一旦后一个状态被激活,其前一个状态就会自动关闭。
(3)状态具有三要素。
(4)从程序的执行结果和动作顺序,很容易理解其控制过程。
三、实验训练
1、状态三要素及状态转移图训练
1)控制要求
(1)PLC为RUN时,通过S0使Y20得到驱动。
(2)若S0为ON时,等到X10为ON时,通过S20使Y0、Y4、Y7得到驱动。
(3)S20为ON时,等到X11为ON时,通过S21使Y3、Y7、Y10得到驱动。
(4)S21为ON时,等到X12为ON时,重复上述动作。
2)训练内容
(1)找出各状态的三要素,并填入下表6-2:
表6-2 状态的三要素表

(2)完成其状态转移图
状态转移图:
(3)写出指令程序,输入PLC并运行,分析运行结果是否符合控制要求。
2、状态转移图特点的体会与研究训练
某控制的状态转移图所对应的指令程序如下(X0为启动信号, Y0表示准备好,Y1控制红灯,Y2控制绿灯,Y3控制黄灯)。

训练要求如下:
(1)将以上指令程序输入PLC并运行,分析其控制过程(状态个数、三要素和动作顺序)。
(2)画出其状态转移图。
状态转移图
3、单流程状态转移图的编程与调试训练
训练题一:电动机按顺序起停,其控制的状态转移图6-3如下图6-3所示:

图6-3 电动机顺序起停控制的状态转移
训练题二:物料搬运示意图6-4及控制要求,如下图6-4所示,其控制的状态转移图,如下图6-5所示。

图6-4 物料搬运示意图

图6-5 物料搬运控制的状态转移图
训练内容如下:
对训练题一、二进行编程,体会编程的原则和方法。
训练题一指令程序:
训练题二指令程序: