时间:2007-12-26 22:43
人气:
作者:admin
交通信号灯控制实验
一、实验目的
1、用PLC构成交通信号灯控制系统。
2、掌握PLC的编程技巧和程序调试方法。
3、了解应用PLC技术解决实际控制问题的全过程。
二、控制要求
下图是十字路口交通信号灯示意图。信号灯的动作受开关总体控制,按一下启动按钮,信号灯系统开始工作,并周而复始的循环;按一下停止按钮,所有信号灯都熄灭。信号灯控制要求如下表所示。

8-1十字路口交通信号灯示意图

三、实验内容及指导
一)十字路口交通信号灯控制时序图:

二)程序设计
用步进指令编程
1、按单流程编程
如果把东西和南北方向信号灯的动作视为一个顺序动作过程,其中每一个时序同时有两个输出,一个输出控制东西方向的信号灯,另一个输出控制南北方向的信号灯,这样可以按单流程进行编程。

8-2 按单流程编程的状态转移图

8-3 按单流程编程的步进梯形图
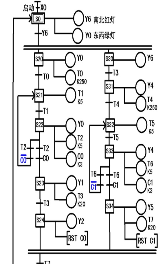
2、按双流程编程
东西方向和南北方向信号灯的动作过程也可以看成是两个独立的顺序动作过程。

8-4按双流程编程的状态转移图
将以上程序写入PLC,并运行调试,体会编程的方法。
下一篇:物料自动混合控制实验