全球最实用的IT互联网信息网站!
AI人工智能P2P分享&下载搜索网页发布信息网站地图
超全示波器知识整理教程分享
阅读全文2023-08-11
工业机器人和机械臂在设计、功能和应用上有何
什么是先进封装?先进封装和传统封装区别 先进
弹簧拉压试验机的原理与作用
如何利用织物嵌入式微流控传感器监测汗液电解
基于FPGA创建一个简单的电机控制程序
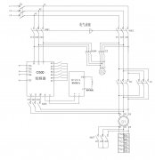
变频器在矿井提升机上有何应用
阅读全文2023-08-10
广东三维抄数服务3D扫描仪尺寸检测机构
X-RAY产品内部检测设备
工业CT内部缺陷扫描检测设备
替代水浸泡水法,气密性检测仪成产品防
高温热重分析仪是什么
示波器怎么看峰峰值呢?
输出过冲原因及改善措施
CPU | 内存 | 硬盘 | 显卡 | 显示器 | 主板 | 电源 | 键鼠 | 网站地图
Copyright © 2025-2035 诺佳网 版权所有 备案号:赣ICP备2025066733号 本站资料均来源互联网收集整理,作品版权归作者所有,如果侵犯了您的版权,请跟我们联系。