全球最实用的IT互联网信息网站!
AI人工智能P2P分享&下载搜索网页发布信息网站地图
应用PLD实现科氏质量流量计的数字部分设计
阅读全文2009-02-08
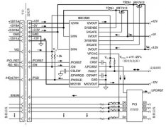
热插拔PCI电源控制器MIC2580的应用
智能型框架式断路器单片机系统的电磁兼容性分
用表面贴装器件进行原理性测试
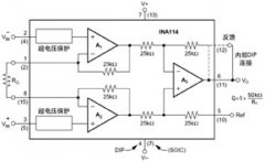
精密仪用放大器INA114
自报式低功耗水文遥测系统的设计与实现
如何通过USB连接器保护电源和充电器件的安全
阅读全文2009-02-01
汽车安全设计开发完整的碰撞防护系统解决方案
阅读全文2009-01-28
CMG2000 集成的CMMB信号源测试系统
阅读全文2009-01-15
使用AT89C51和DS18B20温度测量方法
阅读全文2009-01-09
替代水浸泡水法,气密性检测仪成产品防
高温热重分析仪是什么
示波器怎么看峰峰值呢?
输出过冲原因及改善措施
CPU | 内存 | 硬盘 | 显卡 | 显示器 | 主板 | 电源 | 键鼠 | 网站地图
Copyright © 2025-2035 诺佳网 版权所有 备案号:赣ICP备2025066733号 本站资料均来源互联网收集整理,作品版权归作者所有,如果侵犯了您的版权,请跟我们联系。