全球最实用的IT互联网信息网站!
AI人工智能P2P分享&下载搜索网页发布信息网站地图
虹科案例 | OCT光学相干断层扫描在水果检测中的
阅读全文2023-06-21
【虹科技术】虹科数字化仪推出DPG功能——新选
制冷型探测器+高灵敏度模式轻松查看微小VOCs泄漏
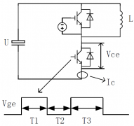
说一说有关IGBT的一项比较重要的测试—双脉冲测
永磁同步电机控制系统仿真—逆变器的死区补偿
江苏东方九天新能源选购我司差示扫描量热仪
工业无损检测设备利用X光检测内部缺陷检测
电池包翻转试验机怎么用
扣式电池高低温箱的作用与用途
高低温试验有什么作用
替代水浸泡水法,气密性检测仪成产品防
高温热重分析仪是什么
示波器怎么看峰峰值呢?
输出过冲原因及改善措施
CPU | 内存 | 硬盘 | 显卡 | 显示器 | 主板 | 电源 | 键鼠 | 网站地图
Copyright © 2025-2035 诺佳网 版权所有 备案号:赣ICP备2025066733号 本站资料均来源互联网收集整理,作品版权归作者所有,如果侵犯了您的版权,请跟我们联系。