全球最实用的IT互联网站!
人工智能P2P分享搜索全网发布信息网站地图标签大全
AWG and UXR 宽带数字调制信号生成与解调
阅读全文2022-11-22
如何使用GOM Scan 1对汽车车灯进行三维扫描和检测
新华社@合肥“量子大街”:让更多创新成果从实
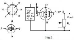
如何使用Arduino测量MQ气体传感器的PPM
阅读全文2022-11-21
如何使用8051微控制器构建一个简单的数字温度计
逆风绽放!凯米斯科技带您回顾中国环博会
蒸饭柜水箱水位检测-红外水位开关
【节能学院】AF-HK100/4G型环保数采仪在上海市肺科
【解决方案】永旺梦乐城一期能耗监测解决方案
使用微波信号分析仪进行功率测量的注意事项
替代水浸泡水法,气密性检测仪成产品防
高温热重分析仪是什么
示波器怎么看峰峰值呢?
输出过冲原因及改善措施
CPU | 内存 | 硬盘 | 显卡 | 显示器 | 主板 | 电源 | 键鼠 | 网站地图
Copyright © 2025-2035 诺佳网 版权所有 备案号:赣ICP备2025066733号 本站资料均来源互联网收集整理,作品版权归作者所有,如果侵犯了您的版权,请跟我们联系。