时间:2025-09-01 16:21
人气:
作者:admin
众所周知“双碳”是指“碳达峰”和“碳中和”,在“双碳”战略中,我国的光伏发电发挥着主力军作用。据国家能源局数据显示,今年上半年,全国可再生能源新增装机2.68亿千瓦,其中太阳能发电新增2.12亿千瓦,其它水电、风电、生物质发电仅占零头。光伏发电发展快其主要原因是成本低、技术成熟、适用广泛,运维简单等,本文主要谈论电流传感器在光伏逆变器应用中,如何助力MPTT提高光伏发电效率。
阳能交流发电系统是由太阳能电池板、充电控制器、逆变器和蓄电池共同组成。逆变器在光伏发电系统中的核心作用是将光伏板产生的直流电转换为符合电网或负载所需的交流电,并确保系统平稳运行以及提升发电效率。其核心功能有:
在光伏逆变器中,电流检测是保障系统安全以及高效运行的核心环节,直接影响系统的安全性、效率和稳定性。

2、功率因数校正(PFC),在并网逆变器中,通过检测交流电流,调整输出波形,使其与电网电压同相位,提高功率因数,减少无功损耗。
除以上常见功能外,电流检测还可以为逆变器提供故障诊断和数据监控以及远程管理等功能:长期电流数据可用于分析组件(如IGBT、电容)的老化趋势,提前预警潜在故障;通过电流波形异常(如不平衡、毛刺)快速定位故障模块,缩短维修时间;将电流数据上传至监控系统,帮助运维人员远程监控逆变器运行状态,优化能源管理,结合电压数据,计算系统效率,为能源优化提供依据。
| 传感器类型 | 优点 | 缺点 | 典型应用场景 |
| 霍尔电流传感器 | 1. 隔离测量:安全性高,无需直接接触导线; 2. 宽频响应:适用直流/交流,可测量高频电流; 3. 低功耗:适合长期运行; 4. 高精度:闭环型误差可达±0.5%。 | 1. 成本较高:尤其是闭环型; 2. 温度漂移:开环型易受温度影响; 3. 体积较大:集成空间受限。 | 大型并网逆变器、MPPT控制器、高压直流系统。 |
| 分流电阻 | 1. 低成本:结构简单,价格便宜; 2. 高精度:温度稳定性好,误差可达±0.1%; 3. 快速响应:适用高频电流检测。 | 1. 非隔离:需额外隔离电路,安全性低; 2. 功耗大:发热严重,需散热设计; 3. 安装复杂:需断开电路串联。 | 小功率逆变器、便携式设备、成本敏感场合。 |
| 罗哥夫斯基线圈 | 1. 无接触测量:不干扰电路,安装方便; 2. 宽带宽:适用高频/脉冲电流; 3. 线性度好:适合大电流测量。 | 1. 只测交流:需配合积分电路; 2. 输出信号弱:需放大处理; 3. 对位置敏感:安装位置影响精度。 | 高频逆变器、谐波分析、瞬态电流检测。 |
| 电流互感器(CT) | 1. 隔离安全:适合高压系统; 2. 成本适中:大电流场合经济性好; 3. 标准化:易集成。 | 1. 只测交流:直流分量无法检测; 2. 饱和风险:过流时精度下降; 3. 体积大:不适合紧凑设计。 | 并网逆变器交流侧、电网监控。 |
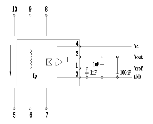
霍尔电流传感器选型可以采用芯森电子的AN3V PB55系列,该器件小巧,长宽高仅为22.2*17.09*12.4mm,原边电流排采用紫铜镀锡,很方便焊接到线路板上。其尺寸:

典型电路应用图:


AN3V是芯森电子自主研发的开环霍尔电流传感器产品系列,旨在满足电源、光伏、储能等领域对电流测量的高可靠性、高一致性需求。该系列材料、结构、设计等多方面进行了升级与优化,同时兼具高性价比,是国产替代的高品质选择。
AN3V系列新品主要包括AN3V PB35/PB55多个型号,额定测量范围覆盖80A至200A。不仅保证了测量精度,还大幅提升了动态测量范围,可靠性提升,线性度优异。

产品特性:
IEC 60664-1:2020
IEC 61800-5-1:2022
IEC 62109-1:2010
参数特点: