时间:2025-09-11 16:49
人气:
作者:admin
近年来,随着分布式光伏装机规模快速扩大,由于项目分散大,施工相对复杂,随之而来的安全问题也逐渐引起有关部门的重视。国家能源局2025年将分布式光伏纳入新型电力系统安全共治体系,要求强化全生命周期监管,并要加强电站直流侧设备的运行安全监测,直流汇流箱环节,作为电站中最基础的单元之一,汇流箱的可靠性直接关系到整个光伏系统的稳定运行。
在这种背景下,电流监测能力被提升到了一个前所未有的高度。本文将从汇流箱的作用、电流检测的需求和方案选择入手,探讨电流传感器在汇流箱中的具体应用价值。
光伏汇流箱(PV Combiner Box)是光伏发电系统中的关键电气设备,主要用于将多个光伏组串的直流输出电流集中汇流,并通过保护装置传输至逆变器。
在这个过程中,汇流箱不仅仅是一个“分流+汇流”的电气接口,它还承担了电气安全保护的功能。通常,一个标准汇流箱会包含:
可以说,汇流箱既是光伏阵列与逆变器之间的“中转站”,也是光伏电站安全运行的第一道防线。

光伏汇流箱里的电流检测,其实是整个光伏电站安全、运维、效率提升的关键环节,可以从以下几个角度来理解其必要性:
光伏汇流箱电流检测不是“可选项”,而是保障电站安全、合规、经济运行的必要措施。
| 方案 | 优点 | 缺点 | 适用场景 |
| 分流电阻检测 | 成本低 | 无绝缘、功耗大、精度易受温度影响、发热严重、耐压性能有限 | 低压小电流场景 |
| 闭环霍尔传感器 | 高精度、低漂移 | 成本高、响应速度一般 | 高精度需求场景 |
| 开环霍尔传感器 | 响应快、成本适中 | 精度易受温度影响 | 一般工业场景 |
综合比较来看,霍尔电流传感器在光伏直流汇流箱中应用更为广泛,特别是面对数十安到数百安的电流范围时,其可靠性和安全性优势尤为明显。
AN1V PB303系列是芯森电子自主研发的一款基于霍尔原理的开环电流传感器,内部采用ASIC技术,具有体积小、无插入损耗和良好绝缘性能的特点。
其主要特性包括:
结合汇流箱的应用场景,AN1V PB303能够:

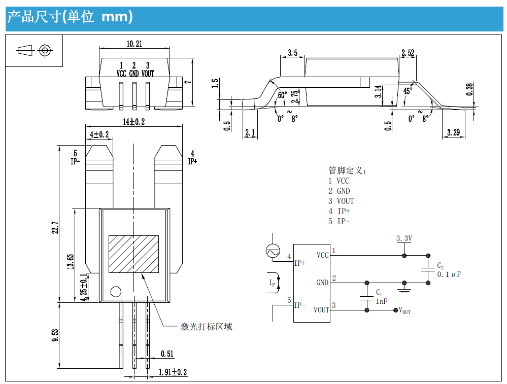
尺寸图及典型应用连接图

下图展示了汇流箱中多路光伏组件如何通过电流传感器进行监测,再汇流至母排,最终送往逆变器:

光伏直流汇流箱是电站中最基础、但也是最容易被忽视的环节。随着行业监管趋严,电流监测已成为保障电站安全运行的“必选项”。
在这一背景下,像AN1V PB303这样的霍尔电流传感器,为汇流箱提供了可靠、低损耗、响应快的电流检测手段。它们看似微小,却构成了光伏电站安全监测的基础环节。
未来,随着光伏规模化应用的深入,电流传感技术将在电站安全和智能运维中发挥越来越重要的作用。