时间:2023-11-17 14:50
人气:
作者:admin
跳闸是每个家庭都会遇到的情况,那到底为什么会跳闸呢?让我们先从家庭电路图开始讲起。

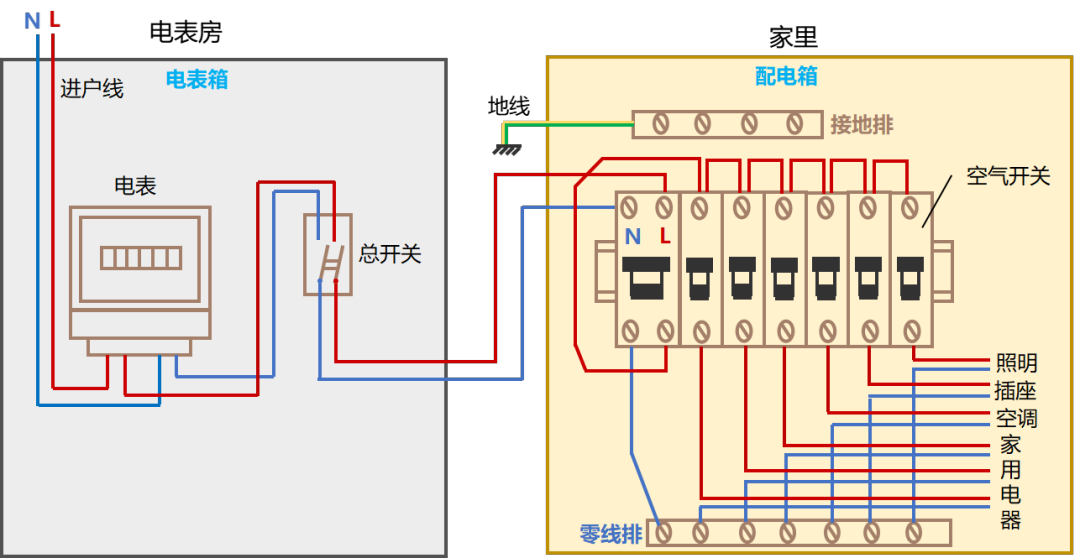
家用电路图
家庭电路由什么组成?
我们看到,家庭电路由电表房中电表箱的进户线、电表、总开关和家里的配电箱、家用电器、导线两大部分组成。
进户线
为用户提供电能来源,由户外低压电力网提供,电压为220 V。进户线有两根,一根是火线, 一根是零线。
零线与大地间没有电压,火线与零线间的电压是220 V。

火线:L(LIVE),带电,普遍为红色或者褐色。
零线:N(NEUTRAL),不带电,普遍为蓝色,和火线配合一起组成一个回路。
地线:花线(EARTH),黄绿双色或者黄色,用于漏电时将电流引走。
电表
家里本月电费支出多少就看它了,夏天最热那一两个月可能你最不愿看见它。
总开关
控制整个家庭电路的通断。
当家里需更换电器或维修设备时,可切断和接通家里电路,确保用电安全。
配电箱
可以理解为控制整个家庭电路的CPU,可对各个用电分路进行独立管理。核心器件是空气开关,每一路空气开关可管理一个用户分路,比如家庭照明分路、空调用电分路、插座分路等。
什么是空气开关?
空气开关,又名空气断路器,是断路器的一种,是家用电路里面非常重要的组成部分,具有过载保护、短路保护、欠压保护功能。常见的空气开关有单P、双P、三P几种类型。
单P:只控制火线的通断。
双P:同时控制火线和零线的通断。
三P:控制三线(火线、零线、地线)的通断。
空气开关是怎么工作的?
知其然更要知其所以然,我们将空气开关的结构进行解剖,进一步来分析其在不同情况下的工作原理。
空气开关结构
01

空气开关内部主要有连杆装置、锁钩、过流脱扣器和欠压脱扣器。
空气开关工作原理
02
1.过流工作原理:

在过流时,过流脱扣器将锁钩顶开,断开电源。
即当用电回路发生过载或短路时,过流脱钩器将吸合而顶开锁钩,将主触头断开,从而起到短路保护作用。
2.欠压工作原理:

在欠压时,欠压脱扣器将锁钩顶开,断开电源。
即电压严重下降或断电时,衔铁就被释放而使主触头断开,实现欠压保护作用。
我们看到,空气开关可以保护电路中的过流和欠压。而实际我们的电路还存在漏电这种非常危险的现象,可能导致触电、火灾等严重后果。
那此时谁来保卫我们的人身和财产安全呢?漏电保护开关责任重大!
什么是漏电保护开关?
漏电保护开关,顾名思义,是用于防止电路中漏电情况发生的保护器件。当电路中电器或线路绝缘受损发生漏电时,漏电保护开关会自动切断电路,保障家人安全。
漏电保护开关可简略地理解为在空气开关的基础上增加了漏电保护器。

空气开关上增加漏电保护器
由于带了漏电保护功能,所以体积上漏电保护开关比单独的空气开关更大一些。
与空气开关的区别
从工作原理上看,漏电保护开关是根据火线和零线之间的电流差来判断是否跳闸。
当发生漏电时,火线和零线之间的电流差会超过设定值,从而触发触点分离,切断电路。
从功能上看,漏电保护开关比空气开关更加安全和完善,不仅可以防止过流和欠压,还可以防止漏电。
那漏电保护开关这么优秀,是不是家里直接全套配用漏电保护开关就最完美了呢?
配电箱开关如何选择?
事实上,配电箱总开关和分路开关是选用漏电保护开关还是空气开关,并没有确定的答案,可参考下表,根据实际情况和需求来选择。
(表格中,空开表示空气开关,漏保表示漏电保护开关。)

聊了这么多,相信你对家里的电路已经有了一定的了解,我们回到开篇的问题,为什么会出现跳闸的现象呢?
概括地说,电路中出现过载、短路、欠压、漏电这些情况,都会导致跳闸。
那遇到跳闸,我们应该如何处理呢?
跳闸如何处理?
首先要区分是空气开关跳闸,还是漏电保护开关跳闸。
再参考下表,根据实际情况来处理跳闸。

好了,今天就聊到这里,相信你已经知道在跳闸的情况下,如何快速再让火锅沸腾起来啦!
编辑:黄飞
上一篇:中国光伏产能过剩了吗?工信部回应
下一篇:一文详解35kv变压器结构