时间:2024-01-03 13:45
人气:
作者:admin
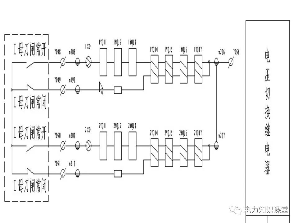
在各级继电保护运行管理规程以及变电站现场运行规程中,都明确规定了系统一次设备倒闸操作时,应特别注意防止电压互感器二次回路向一次设备反充电。所谓反充电就是在倒闸操作过程中,由于操作不认真或操作票有误,造成双母线带电的电压互感器二次回路,与不带电的电压互感器二次回路相并联。
其后果是使带电的电压互感器二次回路空气开关跳开,继而造成所有运行线路的交流二次回路电压消失。这是因为电压互感器相当于一个内阻极小的电压源,在正常情况下电压互感器二次负载是计量表计的电压线圈和继电保护及自动装置的电压线圈,其阻抗很天,工作电流很小,相当于变压器空载运行,故电压互感器二次空气开关容量很小,一般为3A。




















审核编辑:黄飞