时间:2024-03-06 10:31
人气:
作者:admin
配电系统实施总体思路:根据屏体用电量,现场施工要求,以及配电柜所带负荷情况,总体综合设计配电系统。
实施步骤如下:
1)计算出整屏最大功率; 2)根据整屏最大功率选择合适负荷的配电箱; 3)根据配电箱负荷选择总线线材以及总线布线方案; 4)根据屏体排列组合方式以及每箱最大功率进行配电综合分配,并选择合理线材; 5)综合总线、配电箱、屏体进行施工布线;
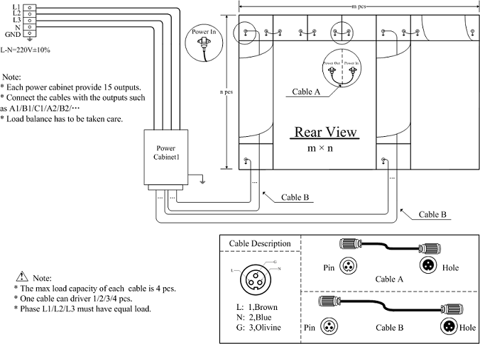
案例分析 根据以下通用配电连接图做案例分析说明:

以P8全彩8(长)X 6(高)为案例
1)计算整屏最大功耗,单个箱体最大功耗为:1000W,整屏:48KW;
2)选择配电箱:屏体最大功耗为48KW,一般选择60KW配电箱;
3)总线配线:采用三相五线制配线方案; a,三相五线制:三条火线、一条零线、一条地线。 b,选材原则:如果箱体内部电源采用的是带有PFC(自动相位调整)电路点电源,则5条线大小一样,如果不是带PFC电路的电源,则火线和地线线径大小一样,零线是火线两倍大小。 c,整屏总功耗:48KW,总电流为,有三条火线,每条火线所带电流为:72.6A。 一般总线布线走的线槽一般为钢槽,此时每条总线的负载为72.6A,一般线材材质采用铜线性价比比较高,再查电工手册,得总线线径为:25平方毫米(铜线),35平方毫米(铝线)。
4)配电箱配电分配: 整屏8(长)X 6(高),每箱最大功耗1000W,每行8个箱体,即每行8KW,电流36.36A,每平方毫米带5A,即每行需要2条4平方毫米线,每条线带4个箱体。

5)综合布线:根据现场施工情况,进行综合布线: A、在总线与配电箱之间增加一个总闸开关; B、配电箱到屏体配线分布要注意三相平衡配电,以免零线负载过大。
审核编辑:黄飞