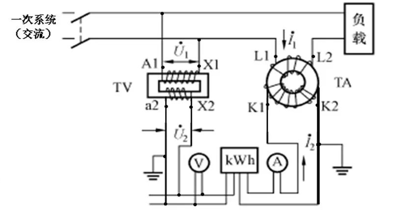
互感器的作用:
1、将一次回路的高电压和大电流变为二次回路的标准值, 可以使二次设备小型化、标准化。
2、使低电压的二次系统与高电压的一。次系统实施电气隔离, 且互感器二次侧接地,保证了人身和设备的安全。
3、能够采用低压小截面控制电缆。实现远距离的测量和控制
4、通过电压、电流互感器改变接线方式,可以满足各种测量和保护的需要。


原因:
正常运行时,励磁磁势很小,磁通量小,铁芯不饱和。
二次侧开路时,励磁磁势很大,磁通很大,铁芯严重饱和。
①产生大量的磁滞损耗,发热,烧坏互感器。
②磁通 畸变为平顶波,二次侧感应出尖顶电势,危及人身、设备安全。









LDZ1-10、LDZJ1-10型环氧树脂浇注绝缘单匝式电流互感器
LMZBJ-10、LMZB- 10型环氧树脂浇注绝缘单匝母线式电流互感器。
LFZB- 10型环氧树脂浇注绝缘有保护级复匝式电流互感器
LQZ-35型环氧树脂浇注绝缘线圈式电流互感器
LJW、LCDZ型户外油浸式瓷绝缘电流互感器
LB、LAB型户外油浸式电流互感器
L型户外油浸式电流互感器
电压互感器
工作原理与变压器相同
特点
1、变比与匝数成正比。
2、一.次侧并联于一次系统。二次电压仅随一次电压的变化而变化。
3、运行中的电压互感器,二次侧接近于开路状态。
4、运行中的电压互感器,二次侧不能短路。






分析:
系统不对称时,例如单相接地,系统电压不对
称,利用对称分量法,可以分解成三组对称分量,分别是:正序分量、负序分量、零序分量。如果中性点接地,将产生零序磁通,它们只能通过气隙和外壳形成回路,需要很大的励磁磁势(IoW) ,将产生很大的零序电流,烧坏互感器。


如果中性点不接地,零序回路没有勾通,系统
内不会产生零序电流,也就没有零序磁通,就不会出现上述问题。





JDZ- 10型浇注式单相电压互感器
(1) JSJW-10型油浸式三相五柱电压互感器
(2) JCC- 20型串级式电压互感器。
(3) JDXN-35电压互感器

编辑:黄飞