时间:2023-11-01 11:38
人气:
作者:admin
本期内容,让我们将目光聚焦到氢冶金行业。“双碳”战略背景下,能够极大助力节能减排的氢冶金具有广阔发展前景。今天的《行业 · 启施录》,我们邀请到专家大咖为我们分享氢冶金行业发展现状及氢冶金工程低压供配电系统的运行情况,下滑开始学习!
本文作者:王伟
中冶京诚工程技术有限公司冶炼电气室主任
1、氢冶金的背景及意义
随着全球气候变化问题的不断加剧,世界各国以全球协约的方式减排温室气体,中国因此提出碳达峰和碳中和目标。
从全球范围来看,钢铁行业碳排放量约占总排放的7%左右。中国作为全球最大的钢铁制造国家,每年排放CO2约18亿吨,约占全国碳排放总量的15%左右。
在此背景下,我国钢铁行业面临着艰巨的碳减排压力,企业纷纷开展低碳技术研究。其中氢能冶金通过以氢代碳可以大幅降低二氧化碳排放,甚至实现无化石能源冶炼,达到零碳排放。
目前世界范围内的氢能冶金技术工艺主要有高炉富氢冶炼、氢基直接还原和氢基熔融还原等工艺。
高炉富氢冶炼针对长流程,主要通过向高炉喷吹富氢还原气体以降低碳消耗,从而实现二氧化碳减排;氢基直接还原+绿电电炉针对短流程,如HYL/Energiron工艺,以氢气作为还原剂的工艺,实现以氢代碳,中国天然气匮乏,使用焦炉煤气(含60%H2)是中国从“碳代替”到“氢冶金”的重要过渡途径。
HYL/Energiron工艺基本工艺流程如下:

研究表明,高炉富氢冶炼最多可降低20%碳排放量。而氢基直接还原工艺,氢气和铁矿石反应生成水和金属铁,没有产生CO2。因此我国钢铁企业大力布局氢能冶金,加快推动一批氢能冶金项目的建设,其中宝武集团湛江钢铁全氢零碳绿色示范工厂的氢基竖炉正在建设中,河钢集团120万吨氢冶金示范工程于2022年12月16日全线贯通。
2、氢冶金工程负荷分级及供电要求
氢冶金工艺整体可划分为氢基竖炉炼铁工艺和气体处理工艺,其中氢基竖炉炼铁工艺属于冶金工程,气体处理工艺属于化学工程。竖炉内还原后的炉顶气经净化、冷却、加压、二氧化碳脱除、加热等流程,循环使用。供配电系统的稳定性将直接影响到气体处理系统的安全运行,中断供电将造成设备损坏和重大经济损失,以及有毒或易燃气体泄漏可能产生的人身伤害等事故。因此保证供配电系统的可靠性与安全性,是氢冶金工程电气设计的首要议题。
按照GB50052-2009《供配电系统设计规范》对负荷分级及供电要求的规定,并结合氢冶金工程的生产特点,氢气竖炉生产电力负荷多属一级及二级负荷,由相互独立的两路电源供电。
以下设备为氢冶金工程一级负荷中的重要负荷,设柴油发电机提供应急电源。重要负荷一类是保障个人安全必需的重要荷载,如消防设施,应急照明,竖炉本体载客电梯,压缩机隔音罩内有毒气体抽风机等;另外一类是保障安全运行必需的荷载,损坏工艺设备而造成直接经济损失,或造成产品的返工,如自动控制系统,反应器旋转给料阀,冷却器旋转给料阀,压缩机润滑油泵,竖炉液压站、混合罐搅拌器,以及重要的冷却水泵。
3、氢冶金工程供配电系统
3.1 供配电设施及供配电范围
根据氢冶金工程总图布置和用电负荷分布情况,需在竖炉区域内设置2个10kV开关站和若干个设有低压配电系统的电气室,380/220V供配电系统尽量深入用电负荷较为集中的中心区域。每座10kV开关站的两路10kV电源来自上一级变电所不同的10kV母线段,组成10kV单母线分段的配电方式。每一路10kV电源均能承担其全部负荷。10kV配电装置,给10kV电动机供电及动力变压器提供10kV电源。
3.2 低压配电系统接线方式
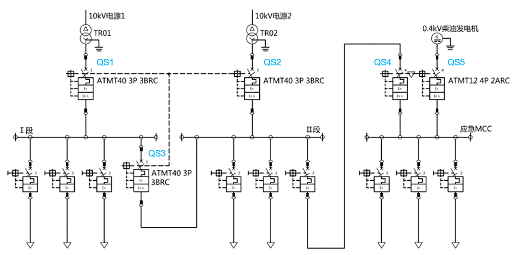
380/220V供配电系统典型主接线形式如图1所示:

电气室内设置2台10/0.4kV动力变压器,两路10kV电源引自不同的10kV母线段,低压侧组成单母线分段的配电方式,每一路10kV进线和每台变压器均能承担供电范围内所有一级和二级负荷。正常运行时,母联断路器断开,当一路电源发生故障时,合上母联断路器,切换至另一路电源而保证供电。单独设置一组应急MCC,为上文提到的需要应急电源保障的重要负荷供电。应急MCC一路电源引自市电PCC Ⅱ断, 0.4kV柴油发电机在市电不可用时提供备用电源。柴油发电机容量按照IEC 60034-1的标准计算:
最大荷载=100%连续荷载+50%间歇荷载+10%备用或最大单体荷载(取较高者)
应急MCC所带的重要荷载,需规定起动顺序,以免柴油发电机过载,柴油发电机相关信号,如断路器状态、发电机知识信号、电压电流信号、报警信号需送至DCS。
为了保障低压供电系统万无一失,设计的氢冶金工程采用了施耐德电气ATMT RC低压电源管理系统,单母线分段的“两进线一母联”方案采用了3BRC型控制器,当一路电源发生故障时,如10kV电源1故障,经过可调延时时间确认电源故障后,低压进线开关QS1自动分闸,母联开关QS3自动合闸,切换至另一路电源为两段母线负载供电,整个切换过程实现电源故障时进线与母联开关之间自动转换,无需运维人员到现场干预,减少故障时的停电时间;同时3BRC型控制器具备手动并联转换功能,当需要计划性运维检修时(如需要检修变压器TR01时),可通过控制器手动并联功能,在短时间内实时监测两路电源的同期性(电压差、频率差、相角差),当满足预设的同期条件时,控制器执行先合母联开关QS3再分进线开关QS1,以此实现不断电的倒闸操作,减少非必要停电,提升一二级负荷供电连续性。
应急MCC的双电源进线方案采用了2ARC型控制器,正常工作时,市电侧开关QS4合闸,油机进线开关QS5分闸,由市电电源为应急MCC段供电;当一路市电电源发生故障时,通过对3BRC与2ARC型控制器转换延时时间的级联配合,优先两路市电电源的转换,即由3BRC控制器执行两路电源之间的切换,由非故障侧电源为两段母线及应急MCC段供电,只有当两路市电都因故障中断供电时,2ARC控制器发柴油机启动信号,柴油发电机完成启动且电压正常时2ARC控制器执行先分QS4开关再合QS5开关,切换至由柴油发电机给应急MCC段供电。
另外,MCC负荷也采用了施耐德智能电动机保护器TeSys T系列产品用于循环水泵、电动蝶阀等低压设备,选用Ethernet IP通讯协议马达保护器与相应的DCS直连,高速上传各电机的电流、电压、热容量、功率、功耗及故障等信息,阀门状态采集及电机状态全部由马达保护器输入通讯上传,电机操作有两个控制站,就地控制和远程DCS控制,智能电动机保护器的应用可大幅提高设备的安全性减少现场设备的宕机事件发生同时,也可减少设备现场接线。设备投入运行后,DCS远程值守,可减少现场运维人员的工作强度。

综上所述,在国家低碳战略的逐步实施下,各钢铁企业持续探索碳减排的途径和方法,氢冶金将是我国未来低碳冶金的热点,希望施耐德始终保持创新动力,与更多冶金企业一道促进钢铁产业的低碳、绿色、可持续发展。
编辑:黄飞
下一篇:电力调度术语及规范用语