时间:2023-08-14 10:38
人气:
作者:admin
雷电流浪涌和过压保护
大气源过电压
过电压定义
过电压(在系统中)一相导体和大地之间或相导体之间的任何电压,其峰值超过国际电工词汇(IEV 604-03-09)中设备定义的最高电压的相应峰值
各种过电压
过电压是叠加在电网额定电压上的电压脉冲或波(见图J1)。

这种过电压的特征是(见图J2):
上升时间tf(以μs为单位);
梯度S(以kV /μs为单位)。
过电压会干扰设备并产生电磁辐射。此外,过电压(T)的持续时间会在电路中引起能量峰值,从而可能损坏设备。
图J2 –过电压的主要特征

四种类型的过电压会干扰电气安装和负载:
开关浪涌:电网中稳态变化(开关设备运行期间)引起的高频过电压或突发干扰(见图J1)。
工频过电压:由于网络中状态的永久变化而导致的与网络相同频率的过电压(50、60或400 Hz)(跟随故障:绝缘故障,中性线损坏等)。
静电放电引起的过电压:由于累积电荷的放电而引起的非常短的高频过电压(几纳秒)(例如,一个走在绝缘鞋底地毯上的人被充电了几千伏的电压)。
大气过电压。
大气起源的过电压特性几幅图中的雷击:雷电会产生大量的脉冲电能(请参见图J4)
几千安培(和几千伏特)
高频(大约1兆赫)
持续时间短(从微秒到毫秒)
在2000年到5000年之间,全世界各地都在不断形成风暴。这些风暴伴随雷击,对人员和设备构成严重危害。闪电平均每秒以30到100次击中地面,即每年3亿次雷击。
图J3中的表显示了一些雷击值及其相关概率。可以看出,雷击的50%的电流超过35 kA,5%的电流超过100 kA。因此,雷击所传递的能量非常高。
图J3 – IEC 62305-1标准给出的雷电放电值示例(2010 –表A.3)
累积概率(%)峰值电流(kA)
955
5035
5100
1200

图J4 –雷电流示例
闪电还会引起大量火灾,主要是在农业地区(摧毁房屋或使其不适合使用)。高层建筑特别容易遭受雷击。
对电气装置的影响雷电尤其会损坏电气和电子系统:住宅和工业场所中的变压器,电表和电器。
修复雷击造成的损坏的成本非常高。但是很难评估以下方面的后果:
对计算机和电信网络造成的干扰;
在运行可编程逻辑控制器程序和控制系统时产生的故障。
而且,经营损失的成本可能远远高于被销毁设备的价值。
雷击影响
雷电是一种高频电气现象,会导致所有导电物品(尤其是电缆和设备)上的过电压。
雷击可通过两种方式影响建筑物的电气(和/或电子)系统:
雷击对建筑物的直接影响(见图J5a);
雷电对建筑物的间接影响:
雷击可能会落在为建筑物供电的架空电力线上(请参见图J5b)。过电流和过电压可以从冲击点传播几公里。
雷击可能会落在 电源 线附近(请参见图J5c)。雷电电流的电磁辐射会在电源网络上产生大电流和过电压。在后两种情况下,危险电流和电压由电源网络传输。
雷击可能会落在建筑物附近(请参见图J5d)。撞击点附近的地球潜力会危险地上升。

图J5 –各种类型的雷击
在所有情况下,电气安装和负载的后果都是巨大的。
图J6 –雷击的后果
闪电落在未受保护的建筑物上。闪电落在架空线附近。闪电落在建筑物附近。



雷电流通过建筑物或多或少具有导电性的结构流到地面,具有非常大的破坏作用:
热效应:材料非常剧烈的过热,引起起火
机械作用:结构变形
热闪络:存在易燃或易爆物质(碳氢化合物,粉尘等)的极其危险的现象雷电电流通过配电系统中的电磁感应产生过电压。这些过电压沿着线路传播到建筑物内部的电气设备。雷击产生与上述相反类型的过电压类型。另外,雷电流从大地流回电气设备,从而导致设备故障。
建筑物和建筑物内的设施通常被破坏建筑物内的电气装置通常被破坏。
各种传播方式共模共模过电压出现在带电导体和大地之间:相对地或中性点对地(见图J7)。
它们特别危险,因为其介电击穿的风险,其框架接地的设备尤其如此。

图J7 –共模
差模带电导体之间会出现差模过电压:
相间或相间(见图J8)。它们对于电子设备,计算机系统等敏感硬件尤其危险。

图J8 –差分模式
雷电波的表征对现象的分析可以定义雷电流和电压波的类型。
IEC标准考虑了两种类型的电流波:
10/350 µs波形:表征直接雷击产生的电流波形(见图J9);

图J9 – 10/350 µs电流波
8/20 µs波形:表征间接雷击产生的电流波形(见图J10)。

图J10 – 8/20 µs电流波
这两种类型的雷电电流波用于定义SPD的测试(IEC标准61643-11)和设备对雷电电流的抗扰性。
电流波的峰值表征雷击的强度。
雷击产生的过电压具有1.2 / 50 µs的电压波(见图J11)。
这种类型的电压波用于验证设备可承受大气起源的过电压(符合IEC 61000-4-5的脉冲电压)。

图J11 – 1.2 / 50 µs电压波
防雷原理
防雷总则
防止雷击危险的程序
保护建筑物免受雷击的系统必须包括:
保护建筑物免受直接雷击;
防止电气设备遭受直接和间接的雷击。
保护设备免受雷击危险的基本原理是防止干扰的能量到达敏感设备。为此,必须:
捕获雷电流,并通过最直接的路径将其引导到大地(避免靠近敏感设备);
执行设备的等电位联结;这种等电位联结是通过联结导体来实现的,并辅以浪涌保护装置(SPD)或火花隙(例如天线杆的火花隙)。
通过安装SPD和/或滤波器,将引起的和间接的影响降到最低。有两种保护系统可用来消除或限制过电压:它们被称为建筑物保护系统(用于建筑物外部)和电气安装保护系统(用于建筑物内部)。
建筑防护系统
建筑物保护系统的作用是防止其遭受直接雷击。
该系统包括:
捕获装置:防雷系统;
引下线,用于将雷电流传输到地面;
“鱼尾纹”地线连接在一起;
所有金属框架(等电位连接)和地线之间的链接。
当雷电流在导体中流动时,如果导体与附近的接地框架之间出现电位差,则后者可能会造成破坏性的闪络。
三种防雷系统
使用三种类型的建筑物保护:
避雷针(简单杆或带有触发系统)避雷针是放置在建筑物顶部的金属捕获尖端。它通过一根或多根导体(通常是铜带)接地(见图J12)。

图J12 –避雷针(简单杆或带有触发系统)
带拉紧电线的避雷针这些电线在要保护的结构上方拉伸。它们用于保护特殊结构:火箭发射区,军事应用和高压架空线的保护(见图J13)。

图J13 –拉紧电线
带网状笼的避雷针(法拉第笼)这种保护涉及在建筑物周围对称地放置许多引下线/胶带。(见图J14)。
这种类型的防雷系统用于高度暴露的建筑物,这些建筑物中安装了非常敏感的设备,例如计算机房。

图J14 –网状笼(法拉第笼)
电气设备的建筑物保护的后果建筑物保护系统释放的雷电流的50%重新回到电气设备的接地网络中(参见图J15):框架的电势上升经常超过各种网络中导体的绝缘承受能力( LV,电信,视频电缆等)。
此外,流经引下线的电流会在电气设备中产生感应过电压。
结果,建筑物保护系统不能保护电气设备:因此必须提供电气设备保护系统。

图J15 –直接雷电回馈电流
防雷–电气安装保护系统电气安装保护系统的主要目的是将过电压限制为设备可接受的值。
电气安装保护系统包括:
一个或多个SPD,具体取决于建筑物的配置;
等电位连接:裸露的导电部件的金属网。
SAP系统集成计划实施保护建筑物的电气和电子系统的步骤如下。
搜索信息
确定所有敏感负载及其在建筑物中的位置。
确定电气和电子系统及其进入建筑物的各个入口点。
检查建筑物或附近是否有防雷系统。
熟悉适用于建筑物位置的规定。
根据地理位置,电源类型,雷击密度等评估雷击的风险。
解决方案实施
用网格将接合导体安装在框架上。
在LV传入交换机中安装SPD。
在敏感设备附近的每个子配电板上安装一个附加的SPD(请参阅图J16)。

图J16 –大型电气装置的保护示例
电涌保护器(SPD)电涌保护设备(SPD)用于电源网络,电话网络以及通信和自动控制总线。
电涌保护设备(SPD)是电气安装保护系统的组成部分。
该设备并联在其必须保护的负载的电源电路上(见图J17)。它也可以在电源网络的所有级别上使用。
这是最常用和最有效的过电压保护类型。

图J17 –并联保护系统的原理
并联的SPD具有高阻抗。一旦系统中出现瞬态过电压,设备的阻抗就会降低,因此浪涌电流将通过SPD绕过敏感设备。
原则SPD旨在限制来自大气的瞬态过电压并将电流波转移到大地,以便将该过电压的幅度限制为对电气安装,电气开关设备和控制设备无害的值。
SPD消除过电压
在共模下,在相线和中线或地线之间;
在差动模式下,在相线和零线之间。
如果过电压超过工作阈值,则浪涌保护器
以共模方式将能量传导到地球;
以差分模式将能量分配给其他带电导体。
三种类型的SPD
键入1 SPD
在服务行业和工业建筑的特定情况下,建议使用1型SPD,并由防雷系统或网状笼子保护。
它可以防止电气设备遭受直接雷击。它可以释放雷电从接地导体传播到网络导体的反向电流。
1型SPD的特征是10/350 µs的电流波。
键入2 SPD
2型SPD是所有低压电气装置的主要保护系统。它安装在每个电气配电盘中,可防止电气设备中的过电压扩散并保护负载。
Type 2 SPD的特征是电流波形为8/20 µs。
键入3 SPD
这些浪涌保护器的放电容量低。因此,必须强制将其安装为2型SPD的补充,并安装在敏感负载附近。
3型浪涌保护器的特征在于电压波(1.2 / 50μs)和电流波(8/20μs)的组合。
SPD规范性定义图J18 – SPD标准定义
直接雷击间接雷击
IEC 61643-11:2011一级考试II级测试III级测试
IN 61643-11:2012类型1:T1类型2:T2类型3:T3
前VDE 0675vBCD
测试波类型10/3508/201.2 / 50 8 + / 20
注1:存在T1 + T2 SPD(或1 + 2 SPD)组合了针对直接和间接雷击的负载保护。
注2:某些T2 SPD也可以声明为T3
SPD的特征国际标准IEC 61643-11版本1.0(03/2011)定义了连接到低压配电系统的SPD的特性和测试(请参见图J19)。

绿色,表示SPD的保证工作范围。
图J19 –带压敏电阻的SPD的时间/电流特性
共同特征
UC:最大连续工作电压。这是交流或直流电压,高于此电压时SPD会变为活动状态。该值是根据额定电压和系统接地布置选择的。
UP:电压保护等级(在In)。这是激活时SPD端子两端的最大电压。当在SPD中流动的电流等于In时,达到此电压。选择的电压保护等级必须低于负载的过电压承受能力。如果发生雷击,浪涌保护器两端的电压通常保持小于UP.
In:标称放电电流。这是SPD能够放电至少8次的20/19 µs波形电流的峰值。
为什么重要?
In对应于SPD至少可以承受19倍的标称放电电流:In值越高,则SPD的寿命越长,因此强烈建议选择比最小施加值5 kA高的值。
键入1 SPD
IIMP:脉冲电流。这是SPD能够放电至少一次的10/350 µs波形电流的峰值。
我为什么IMP 重要?
IEC 62305标准要求三相系统的每极最大脉冲电流值为25 kA。这意味着对于3P + N网络,SPD应该能够承受来自接地的最大总冲击电流100kA。
Ifi:自动熄灭跟随电流。仅适用于火花隙技术。这是SPD闪络后能够自行中断的电流(50 Hz)。在安装时,该电流必须始终大于预期的短路电流。
键入2 SPD
Imax:最大放电电流。这是SPD能够放电一次的8/20 µs波形电流的峰值。
为什么Imax重要?
如果比较2个具有相同In但Imax不同的SPD:具有Imax值较高的SPD具有较高的“安全裕度”,并且可以承受较高的浪涌电流而不会受到损坏。
键入3 SPD
UOC:在III类(3类)测试中施加的开路电压。
主要应用
低压SPD。从技术和使用的角度来看,此术语指定了非常不同的设备。低压SPD采用模块化设计,可轻松安装在LV配电盘内部。也有适用于电源插座的SPD,但这些设备的放电容量低。
通信网络的SPD。这些设备可保护电话网络,交换网络和自动控制网络(总线)免受外部(雷电)和电源网络内部的过电压(污染设备,开关设备操作等)的影响。这样的SPD也可以安装在RJ11,RJ45等连接器中,也可以集成到负载中。
说明
根据MOV(压敏电阻),针对SPD的标准IEC 61643-11的测试顺序。我总共有19次冲动n:
一种积极的冲动
一种消极的冲动
在15 Hz电压下每30°同步50个脉冲
一种积极的冲动
一种消极的冲动
对于1型SPD,在I处经过15次脉冲后n (请参阅以前的注释):
一冲0.1 x IIMP
一冲0.25 x IIMP
一冲0.5 x IIMP
一冲0.75 x IIMP
一时冲动我IMP
电气安装保护系统的设计
电气安装保护系统的设计规则为了保护建筑物中的电气安装,适用以下简单规则:
浪涌保护器;
它的保护系统。
对于配电系统,用于定义防雷系统并选择浪涌保护器以保护建筑物中的电气安装的主要特征是:
SPD
SPD数量
类型
定义SPD的最大放电电流Imax的暴露水平。
短路保护装置
最大放电电流Imax;
安装点的短路电流Isc。
下面的图J20中的逻辑图说明了此设计规则。

图J20 –选择保护系统的逻辑图
选择SPD的其他特性是为电气安装预先定义的。
SPD中的极数;
电压保护等级UP;
UC:最大连续工作电压。
电气安装保护系统的这一小节设计根据设备的特性,要保护的设备和环境更详细地描述了选择保护系统的标准。
保护系统的要素SPD必须始终安装在电气安装的起点。
SPD的位置和类型在安装开始时要安装的SPD的类型取决于是否存在防雷系统。如果建筑物装有防雷系统(根据IEC 62305),则应安装1型SPD。
对于在安装的引入端安装的SPD,IEC 60364安装标准为以下2个特征规定了最小值:
额定放电电流In = 5 kA(8/20)µs;
电压保护等级UP(在我n)《2.5 kV。
要安装的其他SPD的数量取决于:
场地的大小以及安装连接导体的难度。在大型站点上,必须在每个子配电柜的输入端安装SPD。
将要保护的敏感负载与输入端保护设备分开的距离。当负载位于距进线端保护装置10米以上的位置时,有必要在敏感负载附近提供额外的精细保护。波浪反射现象从10米开始增加,请参见雷电波的传播
暴露的风险。在非常暴露的位置的情况下,输入端SPD不能同时确保雷电流的高流量和足够低的电压保护水平。特别地,类型1 SPD通常伴随有类型2 SPD。
下表J21中的表格显示了根据上述两个因素设置的SPD的数量和类型。

图J21 –实施SPD的4种情况
保护分布式级别SPD的几种保护级别允许能量在多个SPD之间分配,如图J22所示,其中为三种SPD提供了:
类型1:当建筑物在安装的入口端安装了防雷系统时,会吸收大量能量;
类型2:吸收剩余的过电压;
类型3:必要时,对非常靠近负载的最敏感设备提供“精细”保护。

注意:类型1和2 SPD可以组合在单个SPD中
图J22 –精细保护架构
根据安装特性的SPD的共同特性
最大连续工作电压Uc
根据系统接地布置,最大连续工作电压UC SPD的最大值必须等于或大于图J23中表中所示的值。
图J23 – U的规定最小值C 用于SPD,具体取决于系统的接地布置(基于IEC 534.2-60364-5标准的表53)
连接之间的SPD(如果适用)配电网系统配置
TN系统TT系统IT系统
线路导体和中性导体1.1 U /√31.1 U /√31.1 U /√3
线导体和PE导体1.1 U /√31.1 U /√31.1ü
线导体和PEN导体1.1 U /√3无无
中性线和PE线U /√3[a]U /√3[a]1.1 U /√3
不适用:不适用
U:低压系统的线间电压
一种。这些值与最坏情况下的故障条件有关,因此未考虑10%的容差。
根据系统接地布置选择最常见的UC值。
TT,TN:260、320、340、350 V
IT:440,460伏
电压保护等级UP (在我n)IEC 60364-4-44标准有助于根据要保护的负载选择SPD的保护等级。图J24的表格显示了每种设备的脉冲承受能力。
图J24 –设备要求的额定脉冲电压Uw(IEC 443.2-60364-4的表44)
装置标称电压
[a](五)从额定电压ac或dc到(包括)V的中性线电压设备要求的额定冲击耐受电压(kV)
IV类过电压(具有很高额定脉冲电压的设备)III类过电压(具有高额定脉冲电压的设备)II类过电压(具有正常额定脉冲电压的设备)I类过电压(额定脉冲电压降低的设备)
例如电表,遥控系统例如,配电板,开关插座例如,分销家用电器,工具例如,敏感的电子设备
120/20815042.51.50.8
230/400 [c] [d]300642.51.5
277/480 [E]
400/6906008642.5
1000100012864
1500直流1500直流
86
一种。符合IEC 60038:2009。
b。该额定脉冲电压施加在带电导体和PE之间。
C。在加拿大和美国,对于大于300 V的对地电压,适用与该列中次高电压相对应的额定冲击电压。
d。对于IT系统以220-240 V的电压运行,应使用230/400行,这是因为在一条线上的接地故障处的接地电压。
图J25 –设备的过电压类别

我属于过电压类别的设备,仅适用于在设备外部应用保护装置的建筑物的固定安装中,以将瞬态过电压限制在指定水平。
此类设备的示例是那些包含电子电路(例如计算机),带有电子程序的电器等的设备。
II类过电压的设备适用于连接到固定的电气设备,可提供电流消耗设备通常所需的正常可用性。
这样的设备的例子是家用电器和类似的负载。

III类过电压设备可用于配电板下游(包括主配电板)的固定安装中,从而具有很高的可用性。
此类设备的示例包括固定安装中的配电板,断路器,包括电缆,母线,接线盒,开关,插座的布线系统)以及工业用途的设备和某些其他设备,例如带有电缆的固定式电动机。与固定装置的永久连接。
IV类过电压的设备适合在设备起点或附近使用,例如在主配电板的上游。
此类设备的示例包括电表,初级过流保护设备和纹波控制单元。
“已安装” UP 应将性能与负载的冲击承受能力进行比较。
SPD的电压保护等级为UP 这是固有的,即独立于其安装进行定义和测试。在实践中,对于U的选择P 为了达到SPD的性能,必须采取安全裕度以考虑SPD安装中固有的过电压(请参见图J26和电涌保护装置的连接)。

图J26 –已安装的UP
“已安装”电压保护等级UP 在230/400 V电气安装中,通常用于保护敏感设备的电压为2.5 kV(II类过电压,见图J27)。
请注意:
如果输入端SPD不能达到规定的电压保护级别,或者如果敏感设备物品很遥远(请参阅保护系统的元件#SPD的位置和类型SPD的位置和类型,则必须安装附加的协调SPD才能达到所需的保护级别。
极数
根据系统的接地布置,有必要提供一种SPD架构,以确保在共模(CM)和差模(DM)中提供保护。
图J27 –根据系统接地布置的保护需求
TT跨国公司TN-SIT
相中性(DM)推荐[a]–首推最高性价比没有用
相对地(PE或PEN)(CM)是是是是
中性点(PE)(CM)是–是是的
一种。相线和中性线之间的保护可以合并到位于安装位置的SPD中,也可以远离要保护的设备
b。如果是中性分布
请注意:
共模过压
保护的基本形式是在相线和PE(或PEN)导体之间以共模方式安装SPD,无论使用哪种类型的系统接地装置。
差模过电压
在TT和TN-S系统中,中性点的接地由于接地阻抗而导致不对称,即使雷击感应的过电压是共模的,也会导致出现差模电压。
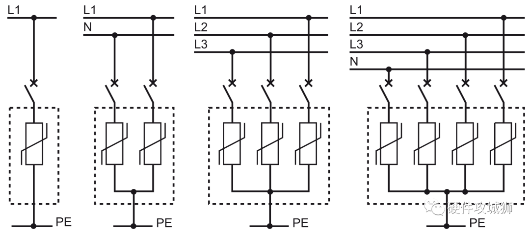
2P,3P和4P SPD
(见图J28)
这些适用于IT,TN-C,TN-CS系统。
它们仅提供针对共模过电压的保护

图J28 – 1P,2P,3P,4P SPD
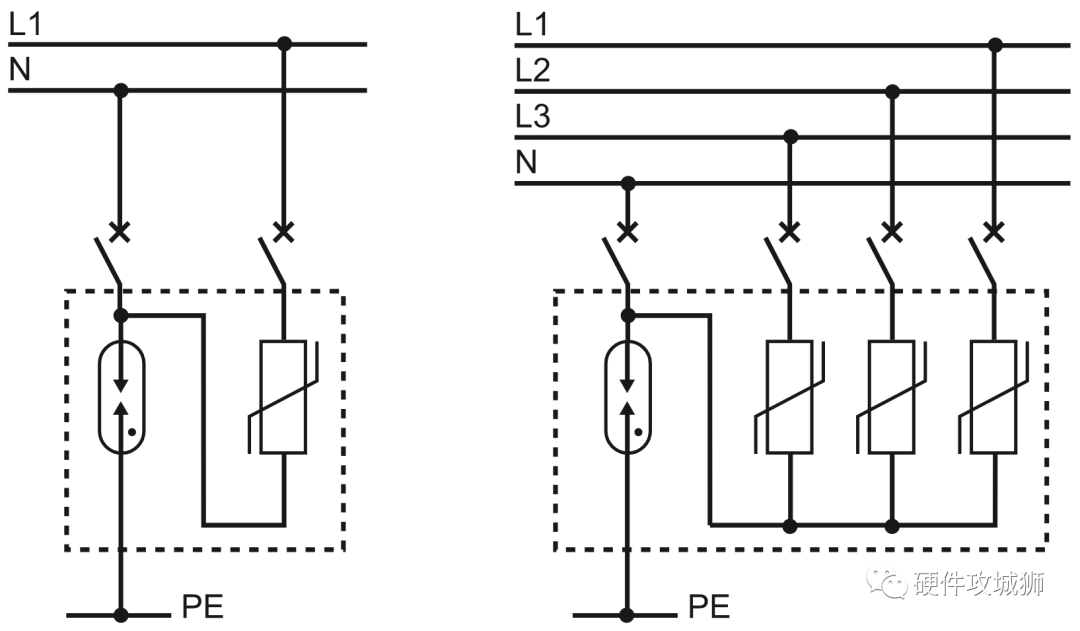
1P + N,3P + N SPD
(见图J29)
它们适用于TT和TN-S系统。
它们提供了针对共模和差模过电压的保护

图J29 – 1P + N,3P + N SPD
选择1型SPD
脉冲电流Iimp
如果没有关于要保护的建筑物类型的国家法规或特定法规:根据IEC 12.5-10-350,每个分支的冲击电流Iimp至少应为60364 kA(5/534 µs波)。
存在规定的地方:标准IEC 62305-2定义了4个级别:I,II,III和IV
图J31中的表显示了不同级别的IIMP 在监管情况下。

图J30 –平衡I的基本示例IMP 三相系统中的电流分配
图J31 – I表IMP 值取决于建筑物的电压保护等级(基于IEC / EN 62305-2)
防护等级符合EN 62305-2外部防雷系统设计用于处理以下情况的直接闪光:最低要求IMP 用于线路中性网络的1型SPD
I200 kA25 kA /极
II150 kA18.75 kA /极
三 / 四100 kA12.5 kA /极
自熄跟随电流Ifi
此特性仅适用于采用火花隙技术的SPD。自熄跟随电流Ifi 必须始终大于预期的短路电流Isc 在安装时。
选择2型SPD
最大放电电流Imax
最大放电电流Imax是根据相对于建筑物位置的估计暴露水平定义的。
最大放电电流(Imax)的值通过风险分析确定(请参见图J32中的表)。
图J32 –根据暴露水平推荐的最大放电电流Imax
暴露水平
低中等高
建筑环境建筑物位于城市或郊区的组合住房中建筑物位于平原有特定风险的建筑物:塔架,树木,山区,潮湿区域或池塘等。
推荐的Imax值(kA)204065
选择外部短路保护装置(SCPD)
保护装置(热和短路)必须与SPD配合使用,以确保可靠的运行,即
确保服务的连续性:
承受雷电流波
不会产生过多的残留电压。
确保有效保护各种类型的过电流:
压敏电阻的热失控导致过载;
低强度短路(阻抗);
高强度短路。
SPD使用寿命即将结束时应避免的风险
由于老化
在由于老化而自然寿命终止的情况下,保护属于热保护类型。带压敏电阻的SPD必须具有一个内部隔离开关,以禁用SPD。
注意:由于热失控而导致的寿命终止与带有气体放电管或封装的火花隙的SPD无关。
由于故障由于短路故障而导致寿命终止的原因有:
超过最大放电容量。此故障会导致严重的短路。
配电系统故障(中性/相转换,中性断开)。
压敏电阻逐渐劣化。
后两个故障导致阻抗短路。
必须保护设备免于因这些类型的故障而造成的损坏:上面定义的内部(热)隔离开关没有时间预热,因此无法运行。
应该安装一种能够消除短路的称为“外部短路保护装置(外部SCPD)”的特殊装置。它可以由断路器或保险丝装置实现。
外部SCPD的特征外部SCPD应与SPD协调。它旨在满足以下两个约束:
耐雷电流
承受雷电流是SPD外部短路保护设备的基本特征。
外部SCPD不得在In处连续受到15次冲击电流时跳闸。
承受短路电流
分断能力由安装规则(IEC 60364标准)确定:
外部SCPD的分断能力应等于或大于安装点处的预期短路电流Isc(根据IEC 60364标准)。
防止短路的装置
特别是,阻抗短路会消耗大量能量,因此应尽快消除,以防止损坏设备和SPD。
SPD及其外部SCPD之间的正确关联必须由制造商提供。
外部SCPD的安装模式
设备“串联”当由要保护的网络的通用保护设备(例如,设备上游的连接断路器)执行保护时,SCPD被描述为“串联”(见图J33)。

图J33 – SCPD“串联”
设备“并行”当专门由与SPD相关的保护设备执行保护时,SCPD被描述为“并行”(见图J34)。
如果该功能由断路器执行,则外部SCPD被称为“断开断路器”。
断开断路器可能集成在SPD中,也可能未集成到SPD中。
图J34 – SCPD“并行”

请注意:
对于带有气体放电管或封装的火花隙的SPD,SCPD允许在使用后立即切断电流。
保障保障外部SCPD应与SPD协调,并由SPD制造商根据IEC 61643-11标准的建议进行测试和保证。还应根据制造商的建议进行安装。例如,请参阅电SCPD + SPD协调表。
集成该设备后,自然符合产品标准IEC 61643-11即可确保提供保护。
图J35 –带有外部SCPD,非集成(iC60N + iPRD 40r)和集成(iQuick PRD 40r)的SPD
SCPD外部特征摘要
有关这些特征的详细分析,请参见外部SCPD的详细特征部分。
图J36中的表格举例说明了根据各种外部SCPD类型的特性摘要。
图J36 –根据外部SCPD的类型2 SPD的寿命终止保护的特性
外部SCPD的安装模式系列中在平行下
保险丝相关保护断路器保护相关集成断路器保护




设备电涌保护====
无论相关的外部SCPD种类如何,SPD都能令人满意地保护设备
使用寿命终止时的安装保护–=++ +
不能保证任何保护制造商保证全面保证
不能很好地防止阻抗短路的保护完善的短路保护
使用寿命终结时的服务连续性- -+++
完整安装已关闭仅SPD电路被关闭
使用寿命终止时的维护- -=++
关闭所需的安装更换保险丝立即重置
SPD与保护设备协调表下表J37中的表格显示了XXX Electric品牌的Type 1和2 SPD的隔离断路器(外部SCPD)在所有短路电流水平下的配合情况。
电气指示和保证的SPD及其断开断路器之间的配合可确保可靠的保护(承受雷电波,对阻抗短路电流的增强保护等)。

图J37 – SPD及其断开断路器之间的协调表示例。请始终参考制造商提供的最新表格。
与上游保护装置配合
与过电流保护装置配合使用
在电气设备中,外部SCPD是与保护设备相同的设备:这使得可以将选择性和级联技术应用于保护计划的技术和经济优化。
与剩余电流装置配合
如果将SPD安装在漏电保护装置的下游,则该漏电保护装置应为“ si”型或选择性型,对脉冲电流至少3 kA(8/20μs电流)具有抗扰性。
安装电涌保护器
电涌保护器的连接SPD与负载的连接应尽可能短,以减小受保护设备端子上的电压保护级别(已安装)。
到网络和接地端子的SPD连接的总长度不应超过50厘米。
保护设备的基本特征之一是设备可以在其端子上承受的最大电压保护级别(已安装)。因此,应选择具有适合设备保护的电压保护等级Up的SPD(见图J38)。连接导体的总长度为
L = L1 + L2 + L3。
对于高频电流,此连接的每单位长度的阻抗约为1 µH / m。
因此,将伦兹定律应用于此连接:ΔU= L di / dt
归一化的8/20 µs电流波,电流幅度为8 kA,因此会在每米电缆上产生1000 V的电压上升。
ΔU= 1 x 10-6 x 8 x 103/8 x 10-6 = 1000 V

图J38 – SPD L 《50 cm的连接
结果,设备端子(U设备)上的电压为:
U设备=上+ U1 + U2
如果L1 + L2 + L3 = 50 cm,并且波形为8/20 µs,振幅为8 kA,则设备端子两端的电压将为Up + 500V。
塑料外壳中的连接下图J39显示了如何在塑料外壳中连接SPD。

图J39 –塑料外壳中的连接示例
金属外壳中的连接
对于在金属外壳中的开关柜组件,明智的做法是将SPD直接连接到金属外壳,并使用该外壳作为保护导体(见图J40)。
此布置符合标准IEC 61439-2,并且组件制造商必须确保外壳的特性使其可以使用。

图J40 –在金属外壳中的连接示例
导体截面积建议的最小导体横截面考虑到:
提供的常规服务:在最大压降(50厘米法则)下的雷电流流。
注意:与50 Hz的应用不同,雷电现象是高频现象,导体截面积的增加并不会大大降低其高频阻抗。
导体承受的短路电流:在最大保护系统切断时间期间,导体必须承受短路电流。
IEC 60364建议在安装输入端的最小横截面为:
4 mm2(Cu)用于连接2型SPD;
16 mm2(Cu)用于连接1型SPD(存在防雷系统)。
好的和不好的SPD安装示例图J41 –好的和不好的SPD安装示例

设备安装设计应按照安装规则进行:电缆长度应小于50厘米。
电涌保护器的布线规则
1规则
首先要遵守的规则是,网络(通过外部SCPD)与接地端子块之间的SPD连接的长度不应超过50厘米。
图J42显示了SPD连接的两种可能性。
图J42 –带有单独或集成的外部SCPD的SPD

2规则受保护的馈线的导体:
应连接至外部SCPD或SPD的端子;
应与污染的引入导体物理隔离。
它们位于SPD和SCPD终端的右侧(请参见图J43)。

图J43 –受保护的馈线的连接在SPD端子的右侧
3规则馈线相线,中性线和保护(PE)导线应彼此并排走线,以减小回路表面(见图J44)。
4规则SPD的输入导体应远离受保护的输出导体,以免被耦合污染(见图J44)。
5规则电缆应固定在外壳的金属部件(如果有)上,以最小化框架回路的表面,从而受益于针对EM干扰的屏蔽作用。
在所有情况下,必须检查配电盘和外壳的框架是否通过非常短的连接接地。
最后,如果使用屏蔽电缆,则应避免较长的电缆,因为它们会降低屏蔽效率(请参见图J44)。

图J44 –通过减少回路表面和电气外壳中的公共阻抗来改善EMC的示例
电涌保护应用实例超市中的SPD应用示例

图J46 –电信网络
解决方案和原理图
电涌放电器选择指南使得可以确定设备输入端的电涌放电器和相关的隔离断路器的精确值。
作为敏感设备(UIMP 《1.5 kV)距离进来的保护装置10m以上,必须将精细保护电涌放电器安装在尽可能靠近负载的位置。
为了确保在寒冷的房间中提供更好的服务连续性:将使用“ si”型剩余电流断路器,以避免由于雷电波通过时地电位升高而造成的误跳闸。
为防止大气过电压:1,在主配电板上安装电涌放电器。如图2所示,在每个配电盘(1和2)中安装一个精巧的电涌放电器,向距进来的电涌放电器10m以上的敏感设备供电。3,在电信网络上安装一个电涌放电器,以保护所提供的设备,例如火警,调制解调器,电话,传真。
布线建议
确保建筑物接地端子的等电位。
减少环形电源电缆的面积。
安装建议
安装电涌放电器,我最大 = 40 kA(8/20 µs),以及一个iC60断开断路器,额定电流为40A。
安装良好保护的避雷器,我最大 = 8 kA(8/20 µs),并且相关的iC60隔离断路器的额定电流为10 A

图J46 –电信网络
光伏应用浪涌保护器出于各种原因,电气设备中可能会发生过电压。原因可能是:
配电网由于雷击或进行的任何工作。
雷击(在附近或建筑物和光伏装置上,或在雷电导体上)。
闪电引起的电场变化。
像所有室外建筑物一样,光伏装置也容易遭受雷击的风险,雷击风险因地区而异。预防和逮捕系统和设备应到位。
等电位联结保护首先要采用的保护措施是介质(导体),以确保PV装置的所有导电部件之间的等电位连接。
目的是将所有接地导体和金属部件连接在一起,从而在已安装系统的所有点上产生相等的电势。
通过电涌保护装置(SPD)进行保护
SPD对保护敏感的电气设备(例如AC / DC逆变器,监视设备和PV模块)以及由230 VAC配电网络供电的其他敏感设备特别重要。以下风险评估方法基于对临界长度Lcrit的评估,并将其与L直流线路的累积长度进行比较。
如果L≥Lcrit,则需要SPD保护。
Lcrit取决于光伏装置的类型,其计算方法如下表(图J47)所示:
图J47 – SPD DC选择
安装类型个人住宅地面生产工厂服务/工业/农业/建筑物
L暴击 (米)115 /克200 /克450 /克
L≥L暴击直流侧必需的电涌保护器
L 《L暴击直流侧不需要电涌保护器
L是以下各项的总和:
考虑到位于同一导管中的电缆的长度仅计算一次,逆变器与接线盒之间的距离总和;以及
考虑到位于同一导管中的电缆的长度仅计算一次,因此接线盒与构成线串的光伏模块的连接点之间的距离总和。
Ng是电弧的闪电密度(每平方公里的打击次数)。

图J48 – SPD选择
SPD防护
位置光伏组件或阵列盒逆变器直流侧逆变器交流侧主板
LDC
LAC避雷针
标准《10 m》 10 m
《10 m》 10 m是没有
SPD类型没有必要“ SPD 1”
类型2 [a]“ SPD 2”
类型2 [a]没有必要“ SPD 3”
类型2 [a]“ SPD 4”
类型1 [a]“ SPD 4”
如果Ng》 2和架空线,则输入2.5
[一种]。1 2 3 4未遵守EN 1的类型62305分隔距离。
安装SPDDC侧SPD的数量和位置取决于太阳能电池板和逆变器之间电缆的长度。如果长度小于10米,则应将SPD安装在逆变器附近。如果大于10米,则需要第二个SPD,并且应将其放在靠近太阳能电池板的盒子中,第一个SPD应当位于逆变器区域。
为了提高效率,连接到L + / L-网络以及SPD接地端子排和接地母线之间的SPD连接电缆必须尽可能短-小于2.5米(d1 + d2 《50 cm)。
安全可靠的光伏发电
根据“发电机”部分和“转换”部分之间的距离,可能需要安装两个或更多个避雷器,以确保对两个部分中的每一个进行保护。

图J49 – SPD的位置
电涌保护技术补充防雷标准IEC 62305标准第1至4部分(NF EN 62305第1至4部分)对防雷系统的标准出版物IEC 61024(系列),IEC 61312(系列)和IEC 61663(系列)进行了重新组织和更新。
第1部分-一般原则本部分介绍了有关雷电及其特性和一般数据的一般信息,并介绍了其他文档。
第2部分–风险管理本部分介绍分析,从而可以计算结构的风险并确定各种保护方案,以实现技术和经济上的优化。
第3部分–结构的物理损坏和生命危险本部分介绍了针对直接雷击的保护措施,包括雷电保护系统,引下线,接地线,等电势以及具有等电势连接的SPD(1类SPD)。
第4部分–结构内的电气和电子系统本部分描述了免受雷击感应的保护措施,包括SPD的保护系统(类型2和3),电缆屏蔽,SPD的安装规则等。
该系列标准由以下内容补充:
有关电涌保护产品定义的IEC 61643系列标准(请参阅SPD的组件);
产品在低压电气装置中的应用的IEC 60364-4和-5系列标准(请参阅SPD的寿命终止指示)。
SPD的组件SPD主要包括(参见图J50):
一个或多个非线性部件:带电部件(压敏电阻,排气管[GDT]等);
一个热保护装置(内部隔离开关),可在使用寿命结束时保护其免受热失控(带压敏电阻的SPD);
指示SPD寿命终止的指示器;某些SPD允许远程报告此指示。
提供短路保护的外部SCPD(此设备可以集成到SPD中)。

图J50 – SPD图
带电技术有几种技术可用于实现带电部件。它们各有优缺点:
齐纳二极管;
气体排放管(可控或不可控);
压敏电阻(氧化锌压敏电阻[ZOV])。
下表显示了3种常用技术的特征和排列。
图J51 –汇总性能表
元件气体放电管(GDT)封装的火花隙氧化锌压敏电阻GDT和压敏电阻串联封装的火花隙和压敏电阻并联
特征:





操作模式电压切换电压切换电压限制串联电压开关和限幅并联电压切换和限制
工作曲线


应用电信网
LV网络
(与压敏电阻相关)LV网络LV网络LV网络LV网络
SPD类型第2类型第1类型1型或2型类型1 +类型2类型1 +类型2
注意:可以在同一SPD中安装两种技术(请参见图J52)。
图J52 – XXX Electric品牌的iPRD SPD在中性线和地线之间装有一个气体放电管,在相线和中性线之间装有压敏电阻。


SPD的寿命终止指示寿命终止指示器与SPD的内部隔离开关和外部SCPD相关联,以通知用户该设备不再受到来自大气的过压保护。
当地指示安装代码通常要求此功能。使用寿命终止指示通过内部隔离开关和/或外部SCPD的指示器(发光或机械的)给出。
当通过保险丝装置实现外部SCPD时,必须提供带有撞针和装有脱扣系统的底座的保险丝,以确保该功能。
集成式断路器机械指示器和控制手柄的位置允许自然的使用寿命指示。
本地指示和远程报告XXX Electric品牌的iQuick PRD SPD是“准备接线”类型,带有集成的断路器。
当地指示iQuick PRD SPD(参见图J53)配有本地机械状态指示器:
机械指示器(红色)和断路器断路器手柄的位置指示SPD的关闭;
每个墨盒上的(红色)机械指示器指示墨盒寿命已尽。

图J53 – XXX Electric品牌的iQuick PRD 3P + N SPD
远程报告(见图J54)
iQuick PRD SPD配有指示触点,可以远程报告以下内容:
墨盒寿命终止;
丢失的墨盒以及何时将其放回原位;
网络故障(短路,中性线断开,相/中性线反向);
本地手动切换。
结果,对已安装的SPD的运行状态进行远程监视可以确保这些处于待机状态的保护设备始终处于运行状态。

图J54 –使用iQuick PRD SPD安装指示灯

图J55 –使用Smartlink远程指示SPD状态
使用寿命终止时的维护当使用寿命终止指示器指示关闭时,必须更换SPD(或有问题的墨盒)。
对于iQuick PRD SPD,可简化维护工作:
维护部门可以很容易地确定使用寿命(要更换)的墨盒。
可以在完全安全的情况下更换盒式磁带,因为如果缺少盒式磁带,安全装置会禁止断开断路器的闭合。
外部SCPD的详细特征耐受电流电流对外部SCPD的测试如下所示:
对于给定的额定值和技术(NH或圆柱型熔断器),使用aM型熔断器(电动机保护)的电流耐受性要好于使用gG型熔断器(常规用途)。
对于给定的额定值,断路器的电流耐受能力比保险丝的耐受性更好。下图J56显示了耐电压波测试的结果:
为了保护为Imax = 20 kA定义的SPD,要选择的外部SCPD是MCB 16 A或保险丝aM 63 A,请注意:在这种情况下,保险丝gG 63 A是不合适的。
为了保护为Imax = 40 kA定义的SPD,要选择的外部SCPD是MCB 40 A或保险丝aM 125 A,

图J56 – I的SCPD耐电压波能力的比较最大 = 20 kA,我最大 = 40 千安
装机电压保护等级一般来说:
断路器两端的电压降高于保险丝装置两端的电压降。这是因为断路器组件(热和磁脱扣装置)的阻抗高于保险丝的阻抗。
但是:
对于不超过10 kA的电流波,电压降之间的差异仍然很小(95%的情况);
安装的向上电压保护级别还考虑了电缆阻抗。如果使用保险丝技术(保护设备远离SPD),则可能会很高;如果使用断路器技术(断路器靠近甚至集成到SPD中,则可能会降低)。
注意:已安装的Up电压保护级别是电压降的总和:
在SPD中;
在外部SCPD中;
在设备布线中
防止阻抗短路阻抗短路会消耗大量能量,因此应尽快消除,以防止损坏设备和SPD。
图J57比较了63 A aMM保险丝和25 A断路器的保护系统的响应时间和能量限制。
这两个保护系统具有相同的8/20 µs电流波形承受能力(分别为27 kA和30 kA)。

图J57 –具有相同的8/20 µs电流波耐受能力的断路器和熔断器的时间/电流和能量极限曲线的比较
雷电波的传播电网是低频的,因此电压波的传播相对于现象的频率是瞬时的:在导体的任何一点,瞬时电压都是相同的。
雷电波是一种高频现象(几百kHz到MHz):
雷电波相对于现象的频率以一定的速度沿着导体传播。结果,在任何给定时间,电压在介质上的所有点上都不具有相同的值(见图J58)。

图J58 –雷电在导体中的传播
介质的变化会产生波的传播和/或反射现象,具体取决于:
两种介质之间的阻抗差;
渐进波的频率(在脉冲情况下上升时间的陡度);
介质的长度。
特别是在全反射的情况下,电压值可能会翻倍。
示例:由SPD保护的情况
对施加在雷电波上的现象进行建模并在实验室进行测试,结果表明,由30 m的电缆供电的负载在SP的上行电压下受到SPD的保护,由于反射现象,该负载承受的最大电压为2 x UP (见图J59)。该电压波不是高能的。

图J59 –电缆末端的雷电波反射
纠正措施在三个因素(阻抗,频率,距离的差异)中,唯一可以真正控制的因素是SPD与要保护的负载之间的电缆长度。该长度越大,反射越大。
通常,对于建筑物中面临的过电压前沿,从10 m起反射现象就很明显,并且从30 m起电压可能翻倍(见图J60)。
如果输入端SPD与要保护的设备之间的电缆长度超过10 m,则必须安装第二个SPD进行良好的保护。

图J60 –电缆末端的最大电压,取决于电缆到入射电压前端的长度= 4kV / us
TT系统中的雷电流示例无论哪种类型的系统接地布置,均要安装相与PE之间或相与PEN之间的共模SPD(请参见图J61)。
用于塔架的中性点接地电阻R1的电阻比用于安装的接地电阻R2的电阻低。
雷电流将通过最简单的路径流经电路ABCD到达大地。它将串联通过压敏电阻V1和V2,从而导致差分电压等于SPD的Up电压的两倍(UP1+UP2)在极端情况下,出现在设备入口处的A和C端子处。

图J61 –仅通用保护
为了有效保护Ph和N之间的负载,必须降低差模电压(A和C之间)。
因此,使用了另一种SPD架构(请参见图J62)。
雷电流流过电路ABH,该电路的阻抗比电路ABCD的阻抗低,这是因为B和H之间使用的组件的阻抗为零(充满气体的火花隙)。在这种情况下,差分电压等于SPD的剩余电压(UP2)。

图J62 –公共和差动保护
编辑:黄飞