时间:2023-07-11 09:45
人气:
作者:admin
配电箱和配电柜、配电盘、配电凭等,是集中安装开关、仪表等设备的成套装置。
常用的配电箱有木制和铁板制两种,现在哪儿的用电量都挺大的,所以还是铁的用的比较多。
至于它的用途嘛:当然是方便停、送电,起到计量和判断停、送电的作用。
下面就简单介绍一下配电箱接线图和配电箱系统图。
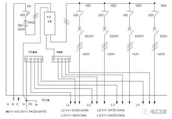
一、配电箱接线图
家庭配电箱接线图在进行安装的时候也是必不可少的,特地为大家准备了几幅很详细的接线图。

配电箱接线图一

配电箱接线图二
我们平时看到多家多户用电的时候,大多是由一个配电柜里面发出来的,简单的接线图就是这个样子。

配电箱系统图
二、家用配电箱安装方法
1、明装配电箱,配电箱安装在墙上时,应采用开脚螺栓(胀管螺栓)固定,螺栓长度一般为埋入深度(75~150mm)、箱底板厚度、螺帽和垫圈的厚度之和,再加上5mm左右的“出头余量”。对于较小的配电箱,也可在安装处预埋好木砖(按配电箱或配电板四角安装孔的位置埋设),然后用木螺钉在木砖处固定配电箱或配电板。
2、暗装配电箱,配电箱嵌入墙内安装,在砌墙时预留孔洞应比配电箱的长和宽各大20mm左右,预留的深度为配电箱厚度加上洞内壁抹灰的厚度。在圬埋配电箱时,箱体与墙之间填以混凝土即可把箱体固定住
3、配电箱应安装牢固,横平竖直,垂直偏差不应大于3mm;暗装时,配电箱四周应无空隙,其面板四周边缘应紧贴墙面,箱体与建筑物、构筑物接触部分应涂防腐漆。
4、配电箱内装设的螺旋式熔断器,其电源线应接在中间触点的端子上,负荷线应接在螺纹的端子上。这样,在装卸熔芯时不会触电。瓷插式熔断器应垂直安装。
5、配电箱内的交流、直流或不同电压等级的电源,应具有明显的标志。照明配电箱内,应分别设置零线(N线)和保护零线(PE线)汇流排,零线和保护零线应在汇流排上连接,不得绞接,应有编号。
6、导线引出面板时,面板线孔应光滑无毛刺,金属面板应装设绝缘保护套。金属壳配电箱外壳必须可靠接地(接零)。
三、配电箱的二次接线
配电箱的二次接线应该从端子排走,首先应分好那些元器件在一拨,这主要满足横平竖直,美观点,从端子排开始遇见一个元器件开始分线同时把窜线嵌入,分完线就开始依照接线图接就完成接线。

配电箱示意图
二次接线其实就是控制线,一次接线就是主电路,二次接线的作用是控制主电路的工作状态,比如接通、断开、延时等。
二次元件主要有:
A微机保护装置(保护主回路用的,功能有速断、过流、差动、低周减载,接地保护,根据负载的类型,保护的种类很多)。
B操控装置(故名思意:操作断路器合分闸,以及查看柜内一次元件状态用的)。
C带点显示器(带点指示用的)。
D多功能电度表(看有功,无功,电压,电流等)。
E继电器等辅助元件。
三、总结
家庭用电是我们必须仔细和严格把关的一部分,电路的安装安全、完善,那么在今后的生活中也能够安心使用,消除家中的安全隐患。
编辑:黄飞
上一篇:HPLC通信技术初识