时间:2023-03-30 11:42
人气:
作者:admin
摘要:介绍洛阳泉舜财富中心远程预付费电能管理系统,采用智能预付费电能表DTSY1352-NK进行远程分合控制,达到预付费使用功能。系统采用现场就地组网的方式,组网后通过现场总线通讯并远传至后台,通过Acrel-3200型远程预付费电能管理系统实现配电回路用电的收费和能效管理。
关键词:预付费电能表DTSY1352-NK;Acrel-3200型。
概述
本项目为洛阳泉舜财富中心提供解决方案。本项目共有预付费电能表DTSY1352-NK 79台,针对7到35层用电实现用电的智能化管理,通过安科瑞终端预付费电能计量表计DTSY1352-NK来计量每个房间的用电量,以保证先收费后用电。
系统结构描述
本系统主要实现洛阳泉舜财富中心远程预付费电能管理,对配电箱的末端用户配电系统进行收费管理;监控现场79台DTSY1352-NK,485总线手拉手连接到采集器,通过光纤到后台,实现总线上仪表与监控主机的数据连通,完成收费管理的系统功能。
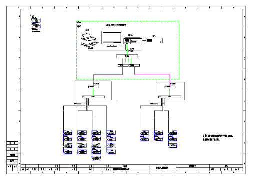
本监控系统采用分层分布式结构,即站控层,通讯层与间隔层;如图(1)所示:

图(1)网络拓扑图
间隔设备层主要为:预付费多功能电表。这些装置分别对应相应的一次设备安装在电气柜内,这些装置均采用RS485通讯接口,通过现场MODBUS总线组网通讯,实现数据现场采集。
网络通讯层主要为:串口服务器,其主要功能为把分散在现场采集装置集中采集并传至站控层,完成现场层和站控层之间的数据交互。
站控管理层:设有高性能塔式服务器、显示器、UPS电源、打印机等设备。监控系统安装在服务器上,集中采集显示现场设备运行状况,以人机交互的形式显示给用户。
以上网络仪表均采用RS485接口和MODBUS-RTU通讯协议,RS485采用屏蔽线传输,一般都采用二根连线,接线简单方便;通讯接口是半双工通信即通信的双方都可以接收、发送数据但是在同一时刻只能发送或接收数据,数据传输速率为10Mbps。
RS485接口是采用平衡驱动器和差分接收器的组合,抗噪声干扰能力增强,总线上允许连接多达30个设备,传输距离为1.2km。
远程预付费电能管理系统主要功能
整个系统软件设计分为三个大块,分别是集中抄表服务系统,远程预付费电能管理系统,以及用户查询系统。
集中抄表服务程序常年运行,不间断定时对所有表进行远程抄表;远程预付费系统包含所有开户、售电、遥控及报表功能。主要特点如下:
a.快速配置,即装即用:
b.将电表和通讯管理机配置导入系统就可以使用;
c.远程集中抄表:免去人工抄表,电表状态实时性可准确到3分钟以内;
d.支持单独计价、多费率、阶梯电价:可对每块电表单独设置电价、费率和阶梯电价;
e.远程售电:财务集中管理,电量实时下发,并比对充值次数防止作弊;
f.数据安全:网络数据传输采用金融级的3DES加密算法,防止数据作弊窃电;
g.远程控制:可对任意一块电表执行远程拉闸或保电等一系列远程控制操作,方便管理;
h.能耗分析及查询:用户和管理员都可查询预付费表或各类接入的计量仪表每天的用能状况;
传统的IC卡预付费售电管理系统实现了先交费后用电的管理模式,但由于抄收电表数据依赖于购电卡,用户用电数据滞后于发生时间,不仅需要人工抄表,也无法有效进行用电管理、监控和实时控制。
利用远程预付费电能管理系统,无需IC卡,可以实现计算机远程集中抄表、实时监控、远程充值和远程控制,物管部门即可完成整个抄表、收费、控制和核查工作,实现高度信息化和自动化,大大提高用电营销管理效率和水平,节约人力物力的同时,也提高了经济效益,同时还具有防信息泄露防窃电的安全功能。
案例分析
洛阳泉舜财富中心远程预付费电能管理系统,楼层分配电箱采用安科瑞公司DTSY1352-NK,该仪表主要测量电度值、剩余电量、剩余金额等电参量。
现场实现了以下功能:
1.集中抄表服务系统
集中抄表服务程序包含三大模块,除了常年运行的定时对所有仪表进行集中远程抄表以外,还集成了报警短信发送服务,能将电费金额预警和欠费预警自动生成手机短信自发送给对应的用户,该功能需要与硬件短信猫配合使用。
系统默认半小时对所有表进行一次远程集中抄表,时间间隔支持个性化配置。
2.远程预付费电能管理系统
本系统分为五大模块,分别是操作员登陆模块、系统配置模块、用户(商铺)管理模块、售电管理模块、报表中心模块,系统大致运行和操作流程如下:

本系统所有的报表及记录查询,都支持excel格式导出的功能。
a)登陆管理:管理操作员账户及权限分配,查看系统日志等功能;
b)系统设置:对建筑、仪表及默认参数进行配置;
c)用户管理:对商铺用户执行开户、销户、远程分合闸、抄表导出及记录查询等操作;
d)售电管理:对已开户的表进行远程售电、退电、冲正及记录查询等操作;
e)报表中心:提供售电财务报表、用能报表、报警报表等查询。
系统针对商铺开户不仅支持一户一表,也支持一户挂多表的需要;同时支持和解决了项目改造后新老表切换时,老表金额转入的问题;支持峰谷电价,支持一表一电价;可对单表设置功率过载的阈值,也支持设置单表金额报警的两级阈值。
批量远程操作场景中,系统提供了多项功能,针对开户、报警1、报警2、欠费、未开户、失联状态都有不同的颜色显示;并且支持远程对仪表进行遥控,遥控的命令类型如下:
1.电价下发;2.设置下发(下发报警金额阈值和过载功率阈值);3.保电(强制仪表合闸);4.恢复预付费(欠费自动跳闸的模式);5.拉闸(强制断电);6.抄表导出(导出当前所有表状态为EXCEL)

系统还将电能计量仪表接入系统,进行远程集中抄表后,提供了辅助的能耗查询报表,为能耗分析、用能比对和安全用电提供强有力的依据。该功能用于替代部分能耗分析和管理系统的功能。

系统还提供了多个报表以供查询,分别是日/月/年财务销售统计报表、失联表/通讯管理机查询报表、能耗查询报表、实时报警/历史报警查询报表,支持导出。以下是财务报表和预付费表日用能查询报表:

结束语
建筑智能化管理是当下的主流趋势,在当下的主流智能配电系统的普及的市场情况下,更多资费管理和系统结合的需求成为市场的主流声音。
从物业管理方的角度,业主的用能缴费一直是一个复杂的课题。首先是各个业主缴费时间的不统一,缴费的方式不统一,迫使物业管理方在此部分要花费大量的人力物力去维护相关信息,收缴相关费用。
针对市场的主要痛点,我公司特提供成套的预付费解决方案,系统不但可以预收电费,实现“先交钱、后用电”,又可针对用户用电性质不同可在电力供应紧张或响应政府关于“节能减排”等号召时有选择性的进行限电。现场通过远程预付费的系统,实现了先交费后用电,可以避免物业公司的电费垫资问题,另外将业主和配电区域隔离,防止了私接偷电的问题。