时间:2021-12-30 12:48
人气:
作者:admin

菜单介绍
2.1 打开电源开关,液晶屏上显示仪器型号名称如图一,大约过3S后,进入电流选择界面,显示如图二:


电流:电流量程选择(50A\40A\30A\20A\15A\10A\5A\2.5A)
上移:选中上面一个电流档位
下移:选中下面一个电流档位
确认:确认当前选中的电流档位
返回:返回到默认测试界面
2.3测试——复测/打印/存储/返回

测试:进入充电测量状态。
电流:当前电流选择不对时,重新调整电流。
时间:调整当前年月日及时间。
调阅:历史数据查阅。

复测:重新测量。
打印:打印当前测量数据。
换算:折算到75度。
保存:保存当前测量数据。
2.4 调阅——上移/下移/确定/打印/删除/串口/返回
上移:选中上一条数据
下移:选中下一条数据
打印:选中数据打印
返回:返回到主界面
五 操作指南:
1 接好仪器电源线、保护接地端。
2 测量回路将专用测试导线与仪表接线柱相对应连接牢固(图六)

直流测量接线图(图六)
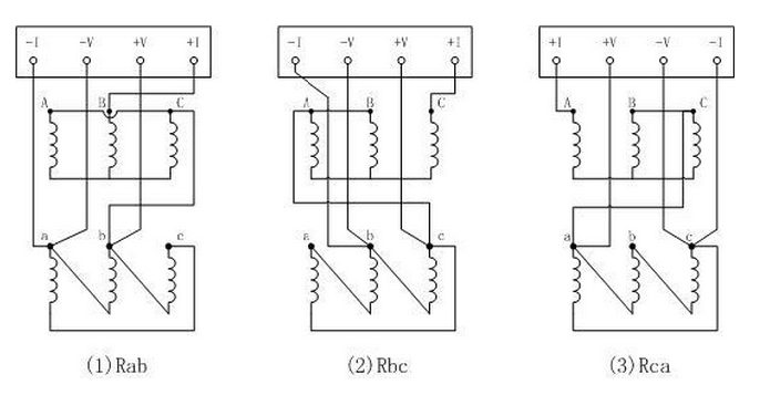
助磁法接线见下图(适用于Y(N)-d-11联接组别)。

3.电流选择:打开电源开关。仪表大约3S左右进入开机界面“欢迎使用电阻
测试仪”自动进入电流选择界面,按“电流键(50A\40A\30A\20A\15A\10A\5A\2.5A), 通过上移下移确定所需要的电流,直接进入选择电流当前界面。
4.测试:当选择好电流后,按下测试键开始测试,显示界面提示“正在充电状态”表明电流正在充电中,过几秒后显示界面提示“正在测量状态”。 之后在显示电流值和电阻值维持不变时,测量栏中间有“R”闪烁。
在测量中,按打印键进入打印界面是否编辑,无编辑直接按打印键打印数据,如编辑,按上下移键进入编辑栏修正 “绕组”“相别”“分接”内容,按确认键打印出数据。
5.测试完毕后,按“复位”键,仪器电源将与绕组断开,同时放电,音响报警,这时显示屏回到待机状态界面,放电音响结束后,可重新测量其它绕组或关机拆线。
六 注意事项:
量程范围内尽量选用大电流以增强稳定性能,同时也应考虑试品电流的承受能力。
下一篇:PCB板不涂覆三防漆会如何呢?