时间:2021-12-09 10:32
人气:
作者:admin

使用方法
1.基本介绍:
新建高压线路在投入运行之前,除了检查线路的绝缘情况、核对相位外,还应测量各种工频参数值,作为计算系统短路电流、继电保护整定、推算潮流分布和选择合理运行方式等工作的实际依据。主要包括:正序阻抗、正序电容、零序阻抗、零序电容、相间阻抗、相间电容、线地阻抗、线地电容、互感阻抗。
2.测试方法:
⑴.正序阻抗:
正常时采用直接接入的方式进行测试,如图十五:

图十五 正序阻抗测试接线图(直接接入)
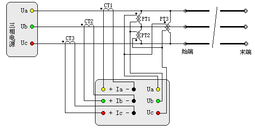
如果现场的感应电压较高,为安全起见,采用经电压互感器和电流互感器接入的方式:

图十六 正序阻抗测试接线(经PTCT)
图十五中可见,线路末端三相短路(短路应有足够的接触面,并且连接牢靠,否则接触电阻影响测试结果),在线路始端加三相工频电源,仪器可测量出各相电流、三相的线电压、三相总功率,并自动测量计算出正序阻抗、正序电阻、正序电抗、正序电感。试验电源的电压和容量按线路长度
来选择,以免由于电流过小引起较大的测量误差。经PTCT接入时要先将仪器的参数设置中设置相应的互感器变比的比值。
⑵.正序电容:
正常时采用直接接入的方式,如图十七:

图十七 正序电容测试接线图(直接接入)
如果试验电压超过了仪器的测量范围,或者现场的感应电压较高,为安全起见,采用经电压互感器和电流互感器接入的方式,如图十八:

图十八 正序电容测试接线图(经PTCT)
图十七可见,将线路末端各相独立悬浮,始端加三相电源,仪器可测量出
各相电流、三相的线电压、和三相总功率,并自动测量计算出正序导纳、正序电导、正序电纳、正序电容。
⑶.零序阻抗:
将线路末端三相短路接地,始端三相短路接单相交流电源,接线如图十九,仪器可测量出电流、电压,功率,并自动测量计算出零序阻抗、零序电阻、零序电抗、零序电感

图十九 零序阻抗测试接线图
⑷.零序电
正常时采用直接接入方式,如图二十:

图二十 零序电容测试接线图(直接接入)
如果试验电压超过了仪器的测量范围,或者现场的感应电压较高,为安全起见,采用经电压互感器和电流互感器接入的方式,如图二十一:

图二十一 零序电容测试接线图(经PTCT)
图二十、图二十一可见,将线路末端各相独立悬浮,始端三相短路施加单相交流电源。仪器可测量出电流、电压,功率,并自动测量计算出零序导纳、零序电纳、零序电导、零序电容。可测量输电线路的正序和零序、相间、线地等各种相关参量、电压有效值、电流有效值、有功功率、无功功率等参数。
2、允许外接电压互感器和电流互感器进行扩展量程测量。
3、电压回路宽量限:电压最大可测量到750V,不用切换档位即可保证精度。不会因电压档位选错而对仪器本身有所损坏。
4、大屏幕、高亮度的液晶显示,全汉字菜单及操作提示实现友好的人机对话,触摸按键使操作更简便,液晶带亮度调节,可适应冬夏各季。
5、用户可随时将测试的数据通过232接口外接微型打印机将结果打印出来(232接口为选配功能)。
6、为配高压测量车的用户保留了与计算机通讯的RS232串口,可扩充校验数据上传功能,实现数据的集中管理。
技术指标
输入特性
电压测量范围:0~750V 宽量限,一档可保证精度。
电流测量范围:0~100A,内部自动切换量程。
准确度
电压、电流:±0.5%
功率:±0.5%(CosΦ>0.1),±1.0%(0.02
阻抗、容抗、感抗:0.5%
电阻、电容、电感、电导、电纳:0.5%
工作温度:-10℃~ +40℃
工作电源:交流160V~400V
绝缘:⑴、电压、电流输入端对机壳的绝缘电阻≥100MΩ。
⑵、工作电源输入端对外壳之间承受工频2KV(有效值),历时1分钟实验
⑸.相间阻抗:
相间阻抗指的是用单相法测量任意两相线路之间的阻抗,例如:测量AB的相间阻抗,将AB两相末端短路悬浮,始端在A、B两相之间加单相电源。接线如图二十二:

图二十二 相间阻抗测试接线图
仪器可测量出电流、电压,功率,并自动测量计算出相间阻抗、相间电阻、相间电抗、相间电感。
⑹.相间电容:
相间阻抗指的是用单相法测量任意两相线路之间的电容,例如:测量AB的相间电容,与相间阻抗测试接线基本相同,将被测线路的末端各相独立悬浮,始端在A、B两相之间加单相电源,接线如图二十三:

图二十三 相间电容测试接线图(直接接入)

图二十四 相间电容测试接线图(经PTCT接入)
仪器可测量出电流、电压,功率,并自动测量计算出相间导纳、相间电纳、零序电导、零序电容。
⑺.线地阻抗:
线地阻抗指的是用单相法测量任意相线路对地之间的阻抗,将线路末端短路接地,始端各相独立悬浮,由测试相施加单相电源,接线如图二十五:

图二十五 线地阻抗测试接线图
仪器可测量出电流、电压,功率,并自动测量计算出线地阻抗、线地电阻、线地电抗、线地电感。
⑻.线地电容:
线地电容指的是用单相法测量任意相线路对地之间的电容,将线路末端独立悬浮,始端各相独立悬浮,由测试相施加单相电源,接线如图二十六:

图二十六 线地电容测试接线图

图二十七 线地电容测试接线图(经PTCT接入)
仪器可测量出电流、电压,功率,并自动测量计算出线地导纳、线地电纳、线地电导、线地电容。
⑼.互感阻抗

图二十八 互感阻抗测试接线图
接线如图二十八所示,将1、2两回平行线路的始末端三相各自短路,并将末端接地。在其中一回线路加试验电压,从加电回路测量电流;从另外一条线路测量感应出来的电压。仪器可测量出加电回路的电流、感应回路的电压,功率,并自动测量计算出互感阻抗、互感电阻、互感电抗、互感电感。
⑽.耦合电容

图二十九 耦合电容测试接线图
按图二十九接线,将1、2两回平行线路的始端三相短接,并将末端悬浮。在其中一回线路加试验电压,并从加电回路测量电压值;从另外一条线路地测量电流值。仪器可相应的电压、电流、功率,并自动计算出耦合电容。
试验电源的选择:
通常在线路参数的测量中采用大容量的三相调压器(30kVA以上)和相应容量的400V/10kV的配电变压器作试验电源。试验电源与系统隔离,基本上能防止电源干扰。
测量用互感器的选择:
试验中的当试验电压超过仪器的电压测量范围时,应通过电压、电流互感器进行测量。电压、电流互感器都选用0.5级以上。其中电压互感器变比选择10KV/400V的,电流互感器选择5A/10A(5A)两档的。
注意事项
1.在测量过程中一定不要接触测试线的金属部分,以避免被电击伤。
2.测量接线一定要严格按说明书操作,否则后果自负。
3.测试之前一定要认真检查设置的参数是否正确。
4.最好使用有地线的电源插座。
5.不能在电压和电流过量限的情况下工作。
6.试验接线工作必须在被试线路接地的情况下进行,防止感应电压触电。所有短路、接地和引线都应有足够的截面,且必须连接牢靠。测试组织工作要严密,通信顺畅,以保证测试工作安全顺利进行。
7.平行线路的测量:当线路间存在着感应干扰电压时,有时可达几十伏,通常试验电压在380V左右,三相线路零序与正序阻抗的测量将产生严重误差。随着试验电压、电流的增大,测量值的误差相对变小。