时间:2023-06-06 13:04
人气:
作者:admin
该文作者结合自身20多年的维修从业经验,在浩繁的设备维修经历中,透过设备复杂控制技术本身,积累了许多通用的维修小经验和小技巧。诸如TTL电路的检测、电力系统缺相监控、接地故障处理、干扰的消除,及维修中常见错误做法的分析等。这些技巧来源于扎实的技术理论基础和开放性的技术思维,尽管“小”,但大多数都有新颖的见地。对维修领域的从业者,应该有一定的启迪。
1 对重要用电设备的缺相监测与控制 单相故障是设备的一个重要隐患,对某些重要电机和系统,应该做主动性的监测,以免造成危害。比如,我厂部分重要设备使用的电机,如集中排屑坑的水泵电机,由于容量大(55KW),常使空开和接触器触点拉弧而粘连,或烧蚀触点造成单相供电故障。电机则会在故障中迅速烧毁。要避免烧毁电机,就要及时监测到单相故障的发生。 下面是我们设计的一个监测电路。当电源不缺相时,A点对地电压为0V。一旦缺相,A点则会得到一个对地的交流电压。这个电压经整流及滤波、分压,送给后续电路处理,从而使继电器KA得电。它有效地监测电源缺相故障,并通过触点反馈到控制电路进行处理。

图1:三相电源缺相监测控制电路
2 自动线弱电模板控制系统的维修
上世纪80年代末期,笔者工作过的发动机厂缸体、缸盖车间曾全部采用TTL逻辑电子板卡控制,但在维修中,我们也逐步掌握了许多应变技巧。下面是几个实例: 2.1电压波动造成控制紊乱的解决 建厂初期,电厂送到我厂的工业电网电压波动较大,每日24小时之内,供电末端波动范围为340V-420V左右。这对由大量电子逻辑板卡控制的自动线影响极大,常常造成控制紊乱和生产质量事故。为此,我们采取了如下方法来消除控制电压不稳定的影响: (1)稳定局部控制电压 把用于控制的110V电压从线路上分离出来,通过加交流稳定电源的方法,把它稳定在110V。所采用的稳压电源有电子稳压和磁共振稳压两种。

图2:采用交流稳压器稳定控制电压 (2)降低信号的“门槛” 电压过低时,造成自动线失控的一个重要原因是,逻辑板卡中的AC/DC信号转换器(比如缸盖车间的NL-302板卡)不能正常输入信号。其原理如图3所示:

图3:NL-302板卡原理图及改进措施
由于板卡使用超过20年,器件参数漂移严重,在电压低时,部分板卡不能正常识别外部开关的状态。经我们测定,其交流信号正常起作用的“门槛”分散在68V~104V。如图所示,对“门槛”高于100V的板卡,就无法正常检测可能的开关“通”状态,后续逻辑电路不能正常翻转,从而造成动作失控。 我们的办法是,更换变压器前的33K电阻,处理后的板卡“门槛”电压降到了95V以下,彻底解决了电压过低造成的自动线失控问题。
2.2所谓信号的“反灌”问题
了解逻辑板卡的原理对维修工作是十分重要的。这里的实例曾经令维修人员大伤脑筋,简单从机床逻辑图修理显然无法入手。

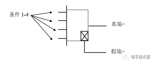
图4:逻辑维修实例图
图中示出的是一个简单的四端“与”逻辑的原图纸画法。故障现象:不论输入条件如何变化,“真”端均被钳制在高电平。经检查“真”端所接的十几路负载电路,均无故障,换板证明该板卡也无故障。可能的两个原因均与故障无关。那么,是什么原因造成这一故障呢?

图5:NL-340板卡原理图的一路信号
查阅其板卡原理图后,原因真相大白。见图5的NL-340板卡原理图,明显可以发现,“假”端输出实际上是从“真”端输出前一个反相器之前引出的,其负载电路状态有可能影响“真”端状态。实际检查的结果,正是由于“假”端负载板卡中的一块板输入电路击穿,把此“假”端钳制在低电平,从而使“真”端被钳制在高电平。换掉故障板卡后,这一故障得以消除。这一故障在今后的维修中,被证明非常有典型意义,属于常见故障,被大家称为信号“反灌”。
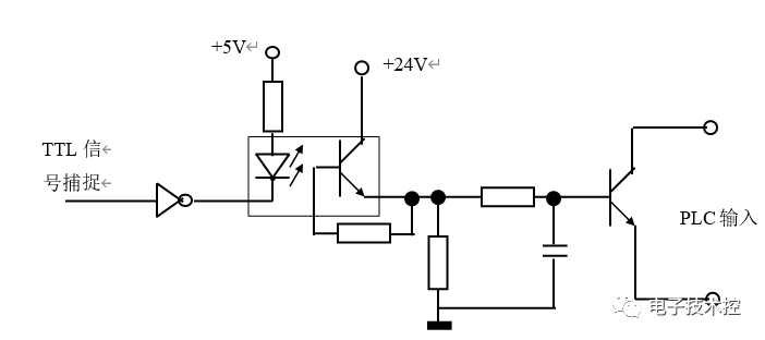
2.3自行设计制做TTL电平的小型PLC信号捕捉器
逻辑模板控制的自动线,由于所有信号均由硬件实现,当出现设备故障时,要一路路去检查相关信号。而各自动线均由100到500块逻辑板卡组成,每块板卡又有多达数十棵配线。对有些可能在瞬间出现的故障信号,要寻找其踪迹可谓大海捞针。我们设计了简单的PC机TTL电平检测器,可以把模板的TTL电平读入小型PLC,通过PLC程序监视和记录电平的瞬间状态,从而为自动线的维修分析提供了一个有效的工具。 图6为其原理图。+5V及TTL信号取自现场模板,+24V和COM则可接到小型PLC。这样,PLC即可从模板读取TTL信号并予以储存。同时制作8路,从而可以最多获得8路TTL信号。

图6:TTL电平信号的PLC捕捉转换器
3 数字电路的变频器干扰问题 我厂的部分设备使用了步进电机控制系统,部分设备也有类似信号板卡。其电机驱动装置要使用一定频率的脉冲列。由于此时的脉冲未经放大,电网干扰源(如变频器等)的干扰脉冲混入正常信号中,经放大后会对系统构成严重干扰,影响设备的加工精度。 图7是被干扰的信号在示波器下的显示图。图中,我们可以看到有大量的干扰脉冲被混入到正常信号中。但它有明显的特点,即宽度明显要比有用信号小得多。

图7:被干扰的未经放大的步进电机信号 我们经过反复试验,自制了“看门”电路,针对高次谐波的特点,有效地滤除了它的影响。其原理如下图8所示。由于干扰的信号窄得多,可以利用单稳态触发器屏蔽掉干扰信号,而有用信号顺利通过,再经分配放大,对电机驱动没有任何影响。 图中的单稳态触发器为标准电路,细节未予画出。

图8:步进电机信号的“看门”电路 因为干扰信号较窄,经过“与”门后被单稳电路削掉,从而得到滤除干扰的有用信号。这一电路要装在干扰串入的传输线末端和脉冲分配电路之间,才能有效滤除干扰信号。
4 大型自动线接地问题的处理
由于自动线规模大,电源、公共线并线多达几十甚至数百根,当电源线路一旦发生接地故障,将极难找到接地点。我们经过分析,得到了处理这一问题的简便技巧。
4.1对系统接地的监控
首先,看看如何解决控制电源110V的接地问题。我们在控制电源后接入如下电路,对接地进行监控。

图9:电源接地监测电路
这个电路的指示灯被装在电箱门上,正常情况下,两个灯均被点亮。当电源线1对地时,灯1熄灭,反之灯2熄灭,从而有效地指示电源接地故障。
4.2接地故障的检修方法
当电源的一颗线接地时,系统通常可以正常使用。但由于自动线规模大,我厂又采用高压水集中冷却,分布在自动线各工位的开关、电磁阀等极易进水造成电源的两颗线同时短路,从而使设备无法运行。由于公共电源线数量庞多,而且设备分布范围广,单机数量多,要按常规方法排除接地点显然难于登天,但按如下步骤可以非常快地对接地点进行定位。
(1)检查指示灯,确认接地的电源线。 (2)用二分法快速寻找接地的电源线。在总控制电箱内,对该电源线引出的众多并接线用2分法一部分一部分地摘除,每次摘除后,送电看主电源端接地指示是否依然存在。如果存在,继续摘除一半并线。如果不再显示接地,则反过来,把最后摘除的并线一半一半地接回去。找到接地的线组后,再一半一半的摘除。如此循环,直到找到真正接地的电源线。
(3)用直接试车方法,来快速定位外部接地的区域。 把确认接地的线悬空,其它线接回。然后系统送电试机,看哪个工位或机构出现动作异常或不动作,则该部分可能和摘掉的电源并线有关联。
(4)检查该工位或机构的线路,即可较快地找到故障点并予以排除。
5 几个维修的误区
5.1好电笔就一定能检查出系统是否带电吗?
电笔是我们检测电气系统是否带电的重要工具。但如果有人说一支好电笔正确使用也可能检查不出带较高电压的系统,你可能会不相信。实际维修中确实有因此而触电的例子。 电笔正确显示系统带电的前提是:所测量点使用的电源系统必须有接地。比如我们厂的三相四线制电源系统,当你验电时火线-电笔-人体-地(零线)-变压器绕组-火线之间形成回路,因此氖管发光。 假如一个380V/220V的单相控制变压器的二次侧悬浮(不接地),这时,如果你用电笔检查变压器二次侧,由于没有回路,电笔就不会发光了。你要是误认为它没有电而去操作,一样会造成相间触电。但二次侧一端接地(或故障接地)的变压器是能用电笔测量出是否带电的。
5.2火线对电柜外壳取220V临时电源的重大危害
在老的三相四线制电力系统中,绝大部分设备外壳既是地线,也是零线。在电力变压器上,这两根线是接在一起的。因此,这样工厂环境的维修人员,就养成了一个习惯,接所有220V临时用电设备时,都喜欢接一根火线,另一端接在电柜金属外壳上。 但这样的一个最大危害是:假如设备回电力系统的地线一旦接触不好,或者断开,那么,在你使用工具时,火线就透过工具绕组,直接接到了设备外壳,由于设备没有回电力系统的地(断开了),这样设备和工具外壳就直接带380V的电,极易造成人员触电危害。 因此,这个作业习惯是非常危险的。如果需要,建议大家取220VAC临时电源时,直接从临时电源箱的220V插座取。
5.3机床接地电阻4欧姆就是安全的吗?
问你设备的接地电阻多少是安全的,你会毫不犹豫地回答4欧姆。这是我们近几十年来一直认定的标准。 但这个接地标准用于我们现在的设备,明显是不合理的。4欧姆接地标准是几十年前,根据机床所使用的电源电压(380VAC)和人体触电的承受极限计算出来的,它只对人的安全防护有意义。我们的设备实测接地电阻多数分布在2.0-3.5欧姆之间。现在的设备中大量使用微电子系统,工作电压为15V、12V、5V,最低达1.5V左右。
如果接地不好,外界电网感应冲击会对微电子系统形成严重伤害,造成包括信号干扰甚至硬件的烧坏。 根据我们的使用经验,要使数控设备、工控机等系统正常工作,接地电阻最少也要控制在0.5欧姆以内。因此,贵重的高技术设备要正常运行,必须重新制作本机接地系统。 也正是由于这个原因,那么电子系统接地是否一定就有利于电子系统抗干扰呢?结论是未必,如果设备本身接地不够小,有的时候,接地反而不如不接地。
编辑:黄飞
上一篇:电流互感器的作用及接线方法