时间:2023-04-05 10:26
人气:
作者:admin
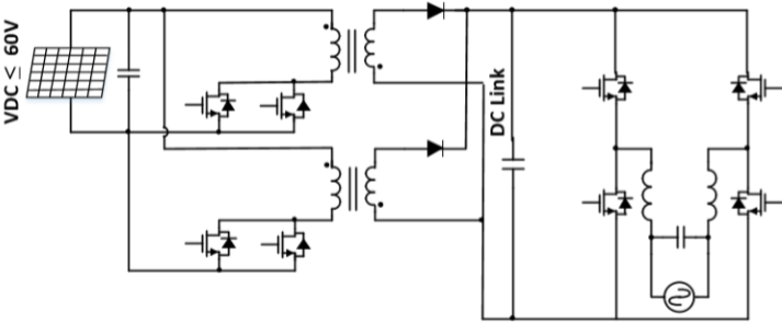
全桥拓扑结构具有输出电压高、输出功率大、效率高等优点,因此被广泛应用于光伏微型逆变器中。今天我们来探讨一下,在国产有哪一款IGBT可以代换FGH60N60SMD应用于光伏微型逆变器中。
为何需要选择一款igbt来替换FGH60N60SMD型号参数呢?
因为全桥拓扑结构是微型逆变器中一种非常重要的电路结构,能够提高电路效率、改善输出波形、实现输出电压调节和增强电路的抗干扰能力,为微型逆变器的性能提升和应用拓展提供了有力支持。

因此在国产化电子元器件的时代,寻求一款优质的IGBT型来代换FGH60N60SMD产品的型号参数才能提升产品在市场的竞争力
今天飞虹电子优先针对的光伏微型逆变器产品进行分享,如果有其他需求的,可直接咨询飞虹电子的官方网站mosgcj.com。其实对于光伏微型逆变器的,我们推荐使用FHA60T65A应用于光伏微型逆变器电路中。毕竟FHA60T65A是可以代换FGH60N60SMD型号的产品型号参数。
为什么?因为FHA60T65A拥有高可靠性以及反向并行的快恢复二极管特性,Trench Field Stop technology(拖尾电流非常短、出色的Vcesat饱和压降、关断损耗低)、拥有正温度系数。
从上述特点可知,这一款60A、650V电流、电压的FHA60T65A型号IGBT单管参数是很适合使用在光伏微型逆变器的电路上。

当然,在应用中,我们光伏研发工程师一定要了解这款优质FHA60T65A国产IGBT单管的详细参数:其具有60A, 650V, VCEsat典型值:1.75V,<2.0V;IC (Tc=100℃):60A;Bvces:650V;IF (Tc=25℃):60A;IF (Tc=100℃):30A。
FHA60T65A是一款N沟道沟槽栅截止型IGBT,使用Trench Field stop Ⅱ technology 和通过优化工艺,来获得极低的 VCEsat 饱和压降,并在导通损耗和关断损耗(Eoff)之间能做出来良好的权衡。
FHA60T65A出色的导通压降与极短的拖尾电流为客户在优化系统效率时提供有力的帮助。
目前FHA60T65A型号IGBT单管已经广泛适用于光伏逆变器、高频车载正玄波AC220V逆变器、户外储能电源、UPS、变频器、电焊机和工业缝纫机等各类硬开关。可替代其它品牌型号:仙童FGH60N60SMD。
FHA60T65A的封装形式是TO-247。这款产品参数:Vcesat-typ (@Ic=60A):1.75V;IC(A):60A;Bvces(V):650V;Vge(±V):30;。
在产品应用上,对于光伏微型逆变器的3KW机型建议使用4只FHA60T65A在全桥拓扑结构上。

对于全桥拓扑结构的电路应用中,我们想提升产品质量的话保证的话,除选用FGH60N60SMD型号外,还可以用飞虹半导体的国产型号:FHA60T65A型号参数来代换。
除参数适合外,飞虹的工程师还会提供优质的产品测试服务。飞虹致力于半导体器件、集成电路、功率器件的研发、生产及销售,给厂家提供可持续稳定供货。至今已经有35年半导体行业经验以及20年研发、制造经验。除可提供免费试样外,更可根据客户需求进行量身定制IGBT产品。
编辑:黄飞
下一篇:智能变电站的相关知识