时间:2023-04-06 10:10
人气:
作者:admin
VSC目前已成为首选实施对象,原因如下:VSC具有较低的系统成本,因为它们的配站比较简单。VSC实现了电流的双向流动,更易于反转功率流方向。VSC可以控制AC侧的有功和无功功率。VSC不像LCC那样依赖于AC网络,因此它们可以向无源负载供电并具有黑启动能力。使用绝缘栅双极晶体管(IGBT)阀,则无需进行晶闸管所需的换流操作,并可实现双向电流流动。
表1对LCC和VSC进行了对比。VSC的电压电平通常在150kV-320kV范围内,但一些电压电平可高达500kV。VSC有几种不同的类型。让我们来看看两电平、三电平和模块化多电平。
| VSCs | 电网换相换流器 | |
| 换流 | 不需要交流波形。独立于电网工作,具有黑启动功能。 | 在网络的交流侧需要正弦波以进行换流。可能有换流故障。 |
| 系统成本 | 成本较低。无需无功补偿。对谐波滤波的需求较低。大多数模块化多电平换流器(MMC)没有谐波滤波。 | 成本较高。需要谐波滤波。需要无功功率补偿。 |
| 功率因数 | 控制无功和有功功率。 | 需要交流侧或备用电源的无功电源。 |
| 谐波 | 低谐波 | 高谐波 |
| 功率流 | 电流可以在两个方向上流动,易于反转功率流。 | 功率流只能通过反转电压极性来反转。 |
| 电压和功率电平 | 电压电平(500kV)和功率电平(1000MW)较低。* | 可承载高达800kV和8000MW。* |
| 换流器 | 由于开关损耗,效率较低。 | 在换流器处损失较少的传输功率。 |
表1:换流器比较
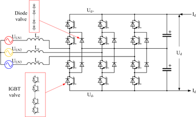
两电平电压源换流器
如图1所示,两电平VSC具有IGBT,每个IGBT具有与其并联的反向二极管。每个阀包括多个串联的IGBT/二极管组件。使用脉宽调制(PWM)控制IGBT,以帮助形成波形。因为IGBT在实现PWM时多次导通关断,所以会发生开关损耗,而谐波是一个因素。

图1:两电平VSC(HVDC换流器图片由维基百科提供)
三电平电压源换流器
如图2所示,三电平VSC改善了谐波问题。三电平换流器每相有四个IGBT阀。其中两个二极管阀用于钳位电压,但您可以用IGBT代替它们,以获得更好的可控性。打开顶部的两个IGBT获得较高的电压电平,打开中间的两个IGBT获得中间(或零)电压电平,打开底部的两个阀获得较低的电压电平。

图2:三电平VSC(HVDC换流器图片由维基百科提供)
模块化多电平换流器
MMC与另两种换流器不同,因为每个阀就是一个具有内置式平流电容器的换流器模块。MMC取代了含有多个IGBT的阀,它具有多个级联的换流器模块。其中每一个模块都代表了特定的电压电平。MMC中的换流器模块是半桥式或全桥式换流器。

图3:模块化换流器类型(HVDC换流器图片由维基百科提供)
MMC方法显著提高了谐波性能,以致通常不需要滤波。它也比两电平和三电平VSC更有效,因为它没有与IGBT阀相同的开关损耗。

图4:波形输出(图片由SVC PLUS VSC技术提供)
为了监控功率因数、电压和电流电平,可在配站交流和直流的可测量侧测量信号。在接收到该信息时,换流器控制装置可以做出所需的调整,以维持稳定的功率电平和适当的功率因数。保护继电器系统或智能电子器件(IED)收集信号信息。请参见图5。

图5:信号解释
使用全差分隔离放大器的隔离电流和电压测量是TI参考设计之一,可以测量交流和直流信号。设计指南解释了如何使用隔离运算放大器调节信号以增加振幅,并抑制任何共模电压和噪声。具有板载ADC的MCU将分析和解释此信号。根据波形确定的信息反馈到换流器的控制装置,从而将对不断变化的相位和电压电平进行调整以保持稳定性。
审核编辑:郭婷
上一篇:探索高压输电:电网换相换流器
下一篇:智能变电站及电力系统