时间:2022-11-25 20:28
人气:
作者:admin
我国电量的百分之七十以上是火力电,其中火力电中百分之九十以上为动力煤发电,但是由于我国高速的经济发展,供电量还是远远跟不上经济发展的需求,特别是随着5G技术的普及,5G信号的频率远远超于4G,这就导致5G信号的传递范围远远低于4G的传播范围,因此需要建立的基站数量远远高于4G通信的基站数量,随着5G技术在各个领域的普及,我国将在会有更大的电力缺口,为了缓解将来电力能源的危机,新的发电方式必将迎来蓬勃的发展。
在传统的风力发电中,由于风力的不稳定性,因此直接产生的电压不稳定,不能直接被利用,需要进一步的稳压,储能,转化才能实现正常的使用。

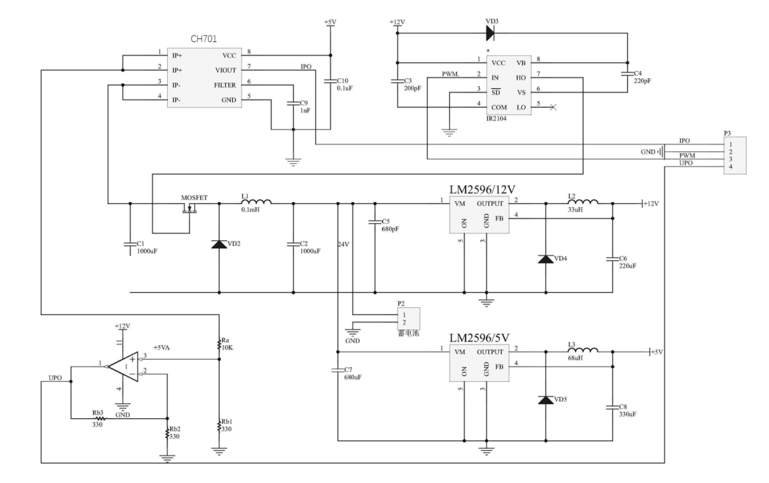
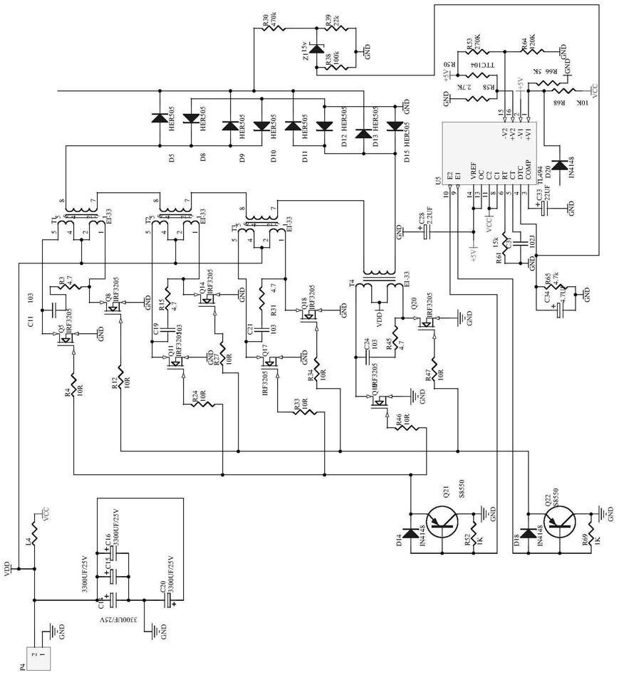
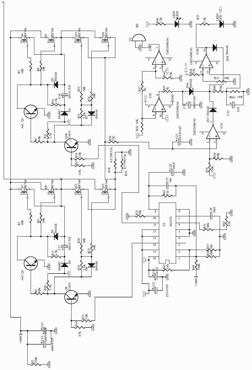
为了克服传统的风力发电问题,本文介绍了一种工频风力发电储能逆变电路,本电路是通过发电机将机械能转换为电能储存到蓄电池中,蓄电池通过逆变电路将直流电转换为工频交流电,供负载使用。在风能较多的地区可以利用此电路特性将不稳定的风能转变为稳定可控的交流电供负载使用,若电量有剩余,还可以申请并入电网给其他用户提供干净稳定的电能。 工频风力发电储能逆变电路中包括电压检测电路、电流检测电路、充电电路、发电电路、控制电路、逆变电路、LED显示电路、告警电路和输出电路,发电电路将电能传递至充电电路,电流检测电路和所述电压检测电路负责采集充电电路的电流和电压,控制电路向充电电路双向提供信号,充电电路向逆变电路提供电能,逆变电路向LED显示电路、告警电路和输出电路提供电压,充电电路包括BUCK降压电路、辅助电源电路、驱动电路、控制电路。 电压检测电路检测从发电电路输出的电压,通过电阻Ra和电阻Rb1采集电压,采集的电压信号经四路运算放大器放大输出至所述控制电路,四路运算放大器的型号为LM248DR,电流检测电路采集来自发电电路的电流,IPO端口为电流检测端口,将检测到的电流输入到控制器电路的I/O端口进行A/D转换,电流检测电路采取的芯片型号为CH701,驱动电路由控制电路通过I/O口输出PWM信号,对MOS管进行开/关控制。 逆变电路包括脉宽调制电路、控制器电路、升压电路、整流电路和H桥电路。LED显示电路由一路常亮LED电路和一路告警LED电路构成,告警电路由四个型号为LM324M(14)的功率放大器构成,由控制芯片U5控制。

图1 发电电路;

图2 充电电路;

图3 升压电路、整流电路、控制器电路;

图4 H桥电路、脉宽调制电路、LED显示电路、告警电路;

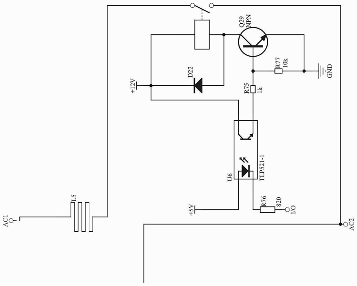
图5 输出电路;

图6为电路结构图。
工作原理:
本电路通过发电机将机械能转换为电能储存到蓄电池中,蓄电池通过逆变电路将直流电转换为工频交流电,供负载使用,在风能较多的地区可以利用此电路特性将不稳定的风能转变为稳定可控的交流电供负载使用,若电量有剩余,还可以申请并入电网给其他用户提供干净稳定的电能。 电流采用及处理电路采用CH701电流传感器IC,CH701是工业、商业和通信系统交直流传感的精确经济的解决方案,小型封装非常适合空间狭小的应用,由于减少了电路板的面积,还降低了成本,典型应用领域包括电动机控制、载荷检测和管理、开关式电源和过电流故障保护。

图7 霍尔电流传感器内部结构

CH701产品特点:
1.0.8 mohm初级导体电阻,用于低功率损耗和高浪涌电流耐受能力
2.集成屏蔽实际上消除了从电流导体到芯片的电容耦合,极大地抑制了由于高dv/dt瞬态而产生的输出噪声
3.行业领先的噪声性能,通过专有的放大器和滤波器设计技术大大提高了带宽
4.高带宽120kHz模拟输出,在控制应用中响应时间更快
5.过滤器引脚允许用户在较低的带宽下过滤输出以提高分辨率
6.集成数字温度补偿电路允许在开环传感器中实现近闭环精度
7.适用于空间受限应用的小尺寸、低剖面SOIC8封装
8.滤波器引脚简化了带宽限制,在较低的频率下获得更好的分辨率
9.单电源运行
10.输出电压与交流或直流电流成比例
11.工厂微调灵敏度和静态输出电压
12.提高精确度
13.斩波器稳定导致极稳定的静态输出电压
14.近零磁滞
15.电源电压输出比率
产品应用:
电机控制;
负荷检测与管理;
开关电源;
过电流故障保护;
编辑:黄飞