时间:2023-01-13 17:21
人气:
作者:admin
太阳能光伏发电系统是利用太阳电池半导体材料的光伏效应,将太阳光辐射能直接转换为电能的一种新型发电系统,有独立运行和并网运行两种方式,在行业中光伏的主流使用形式是集中式发电,即将光伏模块(PV module)进行串联和并联得到光伏阵列(PV array),保证足够高的输出电压和电流后,由大功率集中式并网逆变器进行最大功率点跟踪(MPPT)和并网控制,但是这种方式优缺点也比较明显每块光伏电池的安装角度、局部阴影、电气参数等因素的影响,每个不同的光伏板的电压都不尽相同,长期运行会导致光伏板出现热斑,并缩短光伏板的使用寿命。
为了克服传统的光伏板内部电压不稳定的问题,本文介绍一种物联网智能光伏电路,本电路是基于BUCK电路的光伏电池最大功率点跟踪变换电路,将太阳能转换存储到蓄电池中,主芯片通过采集电路电压、电流值,从而对PWM端口进行控制,达到将光能储存为电能的目的,光伏电池电压较高,通过BUCK电路进行降压,然后再给蓄电池充电,电路中对最大功率跟踪控制,可以实现能量变换的功率最大化。
技术方案:一种物联网智能光伏电路,包括主芯片,电源模块、按键电路、电流检测电路、电压检测电路、显示电路、报警模块、PWM输出电路、无线电路和IOT电路,所述按键电路、所述电流检测电路、所述电压检测电路组成输入模块为所述主芯片提供控制信号,所述无线电路和所述IOT电路组成的通信模块由所述主芯片控制,所述显示电路、所述报警电路和所述PWM输出电路组成的输出模块由所述主芯片控制。

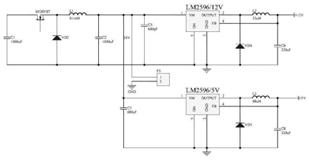
图1 电源模块

图2 主芯片和无源晶振电路

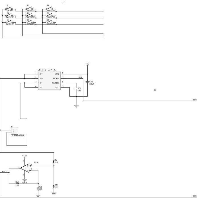
图3 按键电路、电流检测电路、电压检测电路;
电流检测电路由ACS712/20A芯片构成(或采用***CH701),芯片的7管脚接在所述主芯片的26端口,1管脚的第一引线接太阳能电池板P1的1管脚,第二引线接电压检测电路,2管脚的接法与1管脚的接法相同,3管脚接所述MOS管的漏极,4管脚的接法同3管脚,5管脚接地,6管脚经电容C9接地,8管脚接5V电压且电压处设置去耦电容C10,所述检测电路由放大器U1A组成,通过采样放大提供给所述主芯片,放大器U1A的1管脚接在所述主芯片的8管脚。
本方案基于BUCK电路的光伏电池最大功率点跟踪变换电路,将太阳能转换存储到蓄电池中,主芯片通过采集电路电压、电流值,从而对PWM端口进行控制,达到将光能储存为电能的目的,光伏电池电压较高,通过BUCK电路进行降压,然后再给蓄电池充电,电路中对最大功率跟踪控制,可以实现能量变换的功率最大化;采用物联网技术和OLED显示设备对能够实时检测和反馈光伏板的运行状态;当光伏板异常运行以及损坏时,能够快速定位,实现及时维护。
意瑞的电流传感器是国内首家突破大电流高耐压要求的SO8封装设计瓶颈的公司。比如它的电流霍尔传感器产品CH701可以完美替换Allegro公司电流传感器ACS724,ACS712等。

CH701产品特点:
1.0.8 mohm初级导体电阻,用于低功率损耗和高浪涌电流耐受能力
2.集成屏蔽实际上消除了从电流导体到芯片的电容耦合,极大地抑制了由于高dv/dt瞬态而产生的输出噪声
3.行业领先的噪声性能,通过专有的放大器和滤波器设计技术大大提高了带宽
4.高带宽120kHz模拟输出,在控制应用中响应时间更快
5.过滤器引脚允许用户在较低的带宽下过滤输出以提高分辨率
6.集成数字温度补偿电路允许在开环传感器中实现近闭环精度
7.适用于空间受限应用的小尺寸、低剖面SOIC8封装
8.滤波器引脚简化了带宽限制,在较低的频率下获得更好的分辨率
9.单电源运行
10.输出电压与交流或直流电流成比例
11.工厂微调灵敏度和静态输出电压
12.提高精确度
13.斩波器稳定导致极稳定的静态输出电压
14.近零磁滞
15.电源电压输出比率
产品应用:
电机控制;
负荷检测与管理;
开关电源;
过电流故障保护;
审核编辑:刘清
上一篇:一种工频风力发电储能逆变电路
下一篇:只是开个电源就会电线走火吗?