时间:2022-08-03 11:24
人气:
作者:admin
作为小型并网能量收集系统的核心,逆变器在来自环境能源的高能量期间向电网输送多余的电力。在设计并网逆变器时,工程师需要确保这种多余的功率与电网紧密同步,通常是通过使用复杂的锁相环 (PLL) 实现。为了应对各种同步挑战,工程师可以利用高度集成的 MCU 和制造商(包括ADI、赛普拉斯半导体、飞思卡尔半导体、英飞凌科技、IXYS、Littelfuse )的相关设备的性能和功能来创建有效的 PLL 网格同步算法、Maxim Integrated、Microchip Technology、Microsemi、NXP Semiconductors、瑞萨电子、意法半导体和德州仪器。
连接到公用电网的小型住宅能量收集系统为客户提供了通过将多余的发电电力输送到电网来获得信用的机会。作为这些系统的核心,并网逆变器负责无缝输送多余的电力,满足对电能质量的特定要求。在这些要求中,与电网紧密同步的需求至关重要。
在向电网供电时,并网逆变器必须提供稳定的正弦交流波形,根据公用事业标准与电网电压和频率相匹配。同步不良会导致负载不平衡、连接设备损坏、电网不稳定,甚至电网本身断电。
在电力设施中,电网同步依赖于控制用于发电的大型涡轮机和发电机的速度。然而,在能量收集系统中,电网同步依赖于对逆变器全桥输出级的控制,用于产生所需的交流波形。
在逆变器设计中,直流转换器为输出级供电,该输出级包括全桥大功率 IGBT,例如英飞凌TrenchStop、IXYS GenX3或 Microsemi Thunderbolt IGBT 系列或 SCR,例如 Littelfuse S6016x、NXP BT152B,或意法半导体TN2015H系列。通过仔细控制直流转换器的运行并对电桥的功率器件进行选通,逆变器可以确保输出波形与电网电压、频率和相位正确同步。在大多数逆变器设计中,PLL 提供了该同步过程的核心机制。
在其基本形式中,电网同步 PLL 结合了相位检测器 (PD)、滤波器和压控振荡器 (VCO)(图 1)。在这里,PLL PD 将 VCO 输出与电网电压进行比较,并调整 VCO 输出以匹配电网。

图 1:在基本锁相环 (PLL) 结构中,相位检测器 (PD) 将压控振荡器 (VCO) 输出与测得的电网电压同步,而低通滤波器 (LPF) 有助于减少谐波。(德州仪器提供)
在其最简单的形式中,合适的 PLL 结构依赖于电网波形上的过零检测器和一个计数器来测量过零之间的时间——根据需要调整逆变器输出以匹配电网电压过零(图 2)。设计人员可以使用诸如 Maxim Integrated MAX9939、Microchip Technology MCP6022T或 Texas Instruments THS4121CD等差分运算放大器来实现这个简单的 PLL,以触发来自硬件或软件参考正弦波发生器的正弦输出波形的下一个周期。

图 2:通过控制直流转换器并对逆变器的全桥输出进行门控,使用过零检测电路的简单锁相环可以提供与电网同步的交流输出波形。(微芯科技提供)
然而,在实践中,简单的 PLL 实施可能无法在启动、电网故障和其他不利操作条件期间跟踪电网电压。因此,一般的电网同步和特别是合适的 PLL 算法的主题继续成为学术界和工业界积极研究的主题。然而,对于标称工作条件,逆变器设计人员已经成功地使用了各种复杂的 PLL 算法,这些算法有效地增强了基本 PLL 结构中的功能块,以提供更高级的功能。
例如,同步参考系或直接正交 PLL (DQ PLL) 增强了传统的 PLL PD 以将计算转移到同步旋转参考系。在这里,PD 包括一个 Park 变换,它执行帧转换,将电网的三个 AC 值减少到两个 DC 值,从而简化相位检测计算。在大多数情况下,DQ PLL 能够实现稳定运行,即使在三相公用电网电压存在谐波失真和频率变化的情况下也是如此。尽管如此,该算法仍可能对电网测量中的电压不平衡和误差敏感。
进一步改进,二阶广义积分器 PLL (SOGI PLL),进一步增强了 PLL 结构的 PD 功能。在 SOGI PLL 中,PD 通过生成正交信号并对结果执行 Park 变换来检测相位误差(图 3)。使用这种方法,设计人员可以调整正交信号发生器以抑制除电网频率之外的其他频率。即使存在接近电网基频的低次谐波,该算法的其他变体也能够精确检测相位和频率。

图 3:更高级的 PLL 算法,例如二阶广义积分器 PLL (SOGI PLL) 保留了基本的 PLL 结构,同时增强了相位检测器- 将同步问题转换为有助于简化同步计算的参考框架。(德州仪器提供)
鉴于实际网格同步算法的复杂性,相应 PLL 功能的实现依赖于强大的 32 位处理器。Analog Devices ADUCM360 MCU 等器件将高性能处理器内核与实施电网同步单元所需的全套外设相结合。ADUCM360 基于 ARM 32 位 Cortex-M3 内核,集成了一对多通道 Σ-Δ (Σ-Δ) 模数转换器 (ADC)、数字 I/O 和闪存,提供了基本组件PLL 解决方案。
此外,Analog ADUCM360、Renesas V850E和飞思卡尔半导体MC56F8013和MC56F8023等高度集成的 MCU还包括一个高分辨率脉宽调制器 (PWM),可用于控制逆变器的直流转换器和全桥输出级。借助基于 Cypress Semiconductor Corp 的PSoC 5LP ARM Cortex-M3 系列及其可配置外围模块结构,设计人员可以设置 PSoC 的集成可配置数字和模拟模块,以实现用于测量电网电流和电压的完整信号路径。此外,设计人员可以配置 PSoC 的片上 PWM 模块以进行逆变器控制。
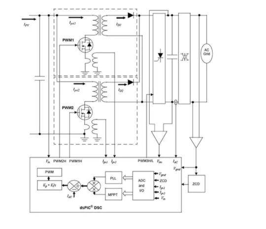
Microchip dsPiC 系列的成员(例如 DSPIC33EP128MC206)提供多对独立的 PWM,允许灵活的逆变器控制选项。使用此类设备,设计人员可以为太阳能收集系统实现完整的逆变器控制子系统,使用嵌入式软件例程执行最大功率点跟踪 (MPPT) 和电网同步 PLL 功能的算法(图 4)。

图 4:Microchip Technology 的 dsPiC 系列 MCU 等高度集成的器件提供独立的 PWM,允许设计人员根据需要独立控制直流转换器和全桥 SCR 器件以实现电网同步。(微芯科技提供)
Texas Instruments C2000 C28x Piccolo系列的成员(例如 Texas Instruments TMS320F28035 C2000 MCU)采用 TI 的增强型 PWM 模块 (ePWM),可提供具有超高分辨率和精细控制的多个 PWM 通道。结合 C2000 32 位处理器内核和独立的 32 位浮点数学加速器,这些器件提供了一种高性能单芯片解决方案,用于控制甚至是复杂的两级并网逆变器设计(图 5)。

图 5:凭借高性能 32 位处理器内核、独立浮点数学加速器、模拟外设和增强型 PWM 通道的组合,Texas Instruments TMS320F28035 等 MCU 提供了用于控制操作和输出的单芯片解决方案并网逆变器的同步。(德州仪器提供)
结论
与电网的紧密同步对于通过并网能量收集系统无缝输送多余电力至关重要。作为电网同步方法的核心,PLL 算法可以确保在不利的运行条件甚至电网故障的情况下正常运行。对于并网逆变器的设计人员,具有片上 ADC 和 PWM 的高度集成 MCU 可以显着简化实现有效电网同步所需的复杂 PLL 算法和控制机制的任务。
上一篇:机械化陆地光伏太阳能
下一篇:下一个智慧城市的绿色能源系统