时间:2022-04-01 13:53
人气:
作者:admin
摘要:介绍海虞北路46号地块电力监控系统,采用智能电力仪表采集配电现场的各种电参量和开关信号。系统采用现场就地组网的方式,组网后通过现场总线通讯并远传至后台,通过Acrel-3000型智能配电系统实现配电回路用电的实时监控和电能管理。
概述
本项目为海虞北路46号地块电力监控系统。根据配电系统管理的要求,需要对海虞北路46号地块的变电所的进出线回路进行电力监控,以保证用电的安全、可靠和高效。
Acrel-3000型智能配电系统充分利用了现代电子技术、计算机技术、网络技术和现场总线技术的最新发展,对变配电系统进行分散数据采集和集中监控管理。对配电系统的二次设备进行组网,通过计算机和通讯网络,将分散的配电所的现场设备连接为一个有机的整体,实现电网运行的远程监控和集中管理。
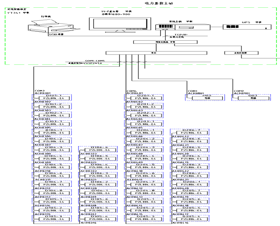
1 系统结构描述
本监控系统主要实现海虞北路46号地块的配电系统进行用电监控与电能管理;监控范围为高低压进出线柜进行远程实时监控和电能管理。该系统总计有2台综保,50台安科瑞PZ80L系列仪表。仪表直接拉至通讯管理机,至后台电脑,实现仪表与监控主机的数据连通。
本监控系统采用分层分布式结构,即站控层,通讯层与间隔层;
如图(1)所示:

图(1)网络拓扑图
间隔设备层主要为:综保、多功能网络电力仪表。这些装置分别对应相应的一次设备安装在电气柜内,这些装置均采用RS485通讯接口,通过现场MODBUS总线组网通讯,实现数据现场采集。
网络通讯层主要为:通讯管理机,其主要功能为把分散在现场采集装置集中采集,同时远传至站控层,完成现场层和站控层之间的数据交互。
站控管理层:设有高性能工业计算机、显示器、UPS电源、打印机等设备。监控系统安装在计算机上,集中采集显示现场设备运行状况,以人机交互的形式显示给用户。
以上网络仪表均采用RS485接口和MODBUS-RTU通讯协议,RS485采用屏蔽线传输,一般都采用二根连线,接线简单方便;通讯接口是半双工通信即通信的双方都可以接收、发送数据但是在同一时刻只能发送或接收数据,数据最高传输速率为10Mbps。
RS485接口是采用平衡驱动器和差分接收器的组合,抗噪声干扰能力增强,总线上允许连接多达30个设备,最大传输距离为1km。
2 电力监控系统主要功能
2.1 数据采集与处理
数据采集是配电监控的基础,数据采集主要由底层多功能网络仪表采集完成,实现远程数据的本地实时显示。需要完成采集的信号包括:三相电压U、三相电流I、频率Hz、功率P、功率因数COSφ、电度Epi、远程设备运行状态等数据。
数据处理主要是把按要求采集到的电参量实时准确的显示给用户,达到配电监控的自动化化和智能化要求,同时把采集到的数据存入数据库供用户查询。
2.2 人机交互
系统提供简单、易用、良好的用户使用界面。采用全中文界面,显示低压配电系统电气一次主接线图,显示配电系统设备状态及相应实时运行参数,画面定时轮巡切换;画面实时动态刷新;模拟量显示;开关量显示;连续记录显示等。
2.3 历史事件
历史事件查看界面主要为用户查看曾经发生过的故障记录、信号记录、操作记录、越限记录提供方便友好的人机交互,通过历史事件查看平台,您可以根据自己的要求和查询条件方便定位您所要查看的历史事件,为您把握整个系统的运行情况提供了良好的软件支持。
2.4 数据库建立与查询
主要完成遥测量和遥信量定时采集,并且建立数据库,定期生成报表,以供用户查询打印。
2.5 用户权限管理
针对不同级别的用户,设置不同的权限组,防止因人为误操作给生产,生活带来的损失,实现配电系统的安全,可靠运行。可以通过用户管理进行用户登录、用户注销、修改密码、添加删除等操作,方便用户对账号和权限的修改。
2.6 远程报表查询
报表管理程序的主要功能是根据用户的需要设计报表样式,把系统中处理的数据经过筛选、组合和统计生成用户需要的报表数据。本程序还可以根据用户的需要对报表文件采用定时保存、打印。同时本程序还向用户提供了对生成的报表文件管理功能。
报表具有自由设置查询时间实现日、月、年的电能统计,数据导出和报表打印等功能。
3 案例分析
海虞北路46号地块电力监控系统包含变电所电表,对变电所的高低压配电回路进行远程实时监控和电能管理。
变电所采用的综保和多功能仪表,其是针对电力系统、工矿企业、公共设施、智能大厦的电力监控需求而设计的网络电力仪表,它能测量常规电力参数,如:三相电压、电流、有功功率、无功功率、功率因数、频率、有功电度、无功电度等多种电参量。该系列网络电力仪表主要应用于变电站自动化、配电网自动化、小区电力监控、工业自动化、能源管理系统及智能建筑等领域。
高压配电一次图见图(2),遥测功能主要监测运行设备的电参量,其中包括:三相电压,电流,功率,功率因数和电量等电参量;遥信功能实现显示现场设备的运行状态,主要包括:开关的分、合闸运行状态和通讯故障报警。

图(2)高压配电一次图
遥信和遥测报警功能,主要完成对低压各出线回路的开关运行状态监控,对开关变位弹出报警界面,指示具体的报警位置并声音报警,提醒值班人员及时处理。具备历史查询功能。
曲线分析功能见图(3):可以曲线形式展示实时数据库和历史数据库中的模拟量,以便分析其当前运行状态及有关历史趋势

图(3) 负荷曲线
电参量报表功能,主要对高压各回路的电参数进行查询。支持任意时刻电参数查询,具备数据导出和报表打印等功能。该报表查询高压各回路的电参数,主要包括:三相线电压、电流、功率因数、有功功率和有功电度。该报表各回路名称和数据库关联,方便用户修改回路名称。见图(4)。

图(4) 电参量报表
电能报表功能,可选择时间段进行查询,支持任意时间段电度累计查询,具备数据导出和报表打印等功能。为值班人员提供了精确可靠的电能报表。该报表各回路名称和数据库关联,方便用户修改回路名称。用户可以直接打印报表,可以以EXCEL格式另存到其他位置。 见图(5)。

图(5) 电能报表
系统通讯结构示意图,主要显示系统的组网结构,系统采用分层分布式结构,同时监测间隔层设备的通信状态。红色表示通讯正常,绿色表示通讯故障。见图(6)。

图(6)系统通讯结构示意图
4 结束语
随着社会的发展及电力的广泛应用,电力监控系统已成为全国各地重点工程项目、标志性建筑/大型公共设施等大面积多变电所用户的必然选择,本文介绍的Acrel-3000电力监控系统在海虞北路46号地块项目的应用,可以实现对变电所高压配电回路用电的实时监控与电力监控,不仅能显示回路用电状况,还具有网络通讯功能,可以与通讯管理机、计算机等组成电力监控系统。系统实现对采集数据的分析、处理,实时显示变电所内各配电回路的运行状态,对分合闸弹出报警对话框,并生成各种电能报表、分析曲线、图形等,便于电能的远程抄表以及分析、研究。该系统运行安全、可靠、稳定,为变电所用户解决用电问题提供了真实可靠的依据,取得了较好的社会效益。[2]
审核编辑:符乾江