时间:2022-04-17 09:16
人气:
作者:admin
大家好,前段时间在知乎上看到有个网友问:“在大功率变频器应用中,我们常用双脉冲测试评估器件的动态特征,在实际中有可比性吗?”感觉这个问题提的比较好,也是作者想和大家讨论的一个话题,那我们这期就来聊聊双脉冲测试是否能够反映器件在真实换流中的各种电应力。

图1.双脉冲测试电路原理
通常情况下,为了测试器件的动态特性,我们都会搭建一个通用的双脉冲测试平台。测试平台的功率回路部分包含了叠层母排、母线电容、待测功率器件和驱动电路。双脉冲测试电路的原理为半桥电路,如图1所示。由于这个电路比较简单,因此设计的母排杂散电感可以控制在几十个nH。
在通用的测试平台上进行双脉冲测试的主要目的为:
1、测量IGBT的各项动态参数(tdon、Eon、tr、tdoff、tf、Eoff等);
2、测试功率器件不同温度下的特性;
3、测试器件的短路特性以及短路关断特性;
4、对比同一品牌不同型号或者同一型号不同品牌的IGBT的性能;
5、获取IGBT开关参数,用以评估门极驱动及保护电路是否合适;
然而实际我们设计的电力电子装置,会综合考虑各种因素,功率模组的结构也会千差万别。同时由于器件的开关特性与驱动电路、母排结构相互耦合,在通用平台上的测试结果并不适应于用真实的功率模组。因此在设计出功率模组后,我们还要进行双脉冲测试。当然如果你的通用测试平台换流回路的杂散电感和真实逆变器功率模组换流回路的杂散电感一样的话,就没必要再重新测试了。
在实际应用的功率模组上进行双脉冲测试主要目的为:
1、测试IGBT的关断过电压,评估实际应用是否需要加吸收电路;
2、测试二极管的反向恢复特性和安全裕量;
3、测量母排的杂散电感,评估是否可进一步优化;
4、测量器件真实的开关损耗,用以评估功率模组的的散热性能;
5、测量器件串并联应用时的均压、均流特性;
看到这里大家应该明白了,在进行双脉冲测试时我们可以基于两种硬件测试平台。一般情况下,功率半导体器件原厂或器件驱动厂商更倾向于搭建通用型的双脉冲测试平台,测试重点在于器件或驱动的动态参数。而器件应用厂家更倾向于在真实的变流装置上进行双脉冲测试,测试重点在于器件的电流、电压应力是否在安全范围之内。
回到主题,双脉冲测试能反映IGBT实际运行过程中电应力吗?或者说,通过双脉冲测试评估器件的动态特征,在实际中有可比性吗?
答案是肯定的,前提条件是:双脉冲测试一定要基于实际应用的逆变器功率模组。
主要有两点原因:
1、当一个逆变器功率模组设计完成后,母排的寄生参数就固定不变了,因此每个功率器件换流回路的杂散电感也就固定了,它不依赖于负载的大小和接线方式。
以三相两电平电压型逆变器为例,如图2所示,当逆变器模组结构设计完成后,每个IGBT换流回路的杂散电感就固定不变了(可能会有所差异)。例如:S1和S2换流回路CCLA的杂散电感Lσa=Lσ1,S3和S4换流回路CCLB的杂散电感Lσb=Lσ2,S5和S6换流回路CCLC的杂散电感Lσc=Lσ3,三个换流回路的杂散电感互不影响。

图2 三相逆变器1
可能有些小伙伴会问,如果a b c三相桥臂换流回路在物理上有重叠的部分会不会有影响呢?就像图3所示,S1和S2换流回路杂散电感Lσa=Lσ1,S3和S4换流回路的杂散电感Lσb=Lσ1+Lσ2,S5和S6换流回路的杂散电感Lσc=Lσ1+Lσ2+Lσ3。

图3 三相逆变器2
对于这种换流回路虽然物理上有重叠部分,但是依然没有影响,最多就是C和B两相功率器件的换流杂散电感要大一些,至于为什么看第二条。
2、对于逆变器大部分调制策略,每次切换开关状态时,只会切换一个功率开关器件,也就是某一时刻只会存在一种换流暂态过程。这就能保证一个器件开关暂态过程不会受其它器件的影响。
在这里希望大家建立几个时间概念:
①器件的换流暂态时间为百ns级别,取决于驱动、器件特性和母排寄生参数;
②器件的稳态工作(导通或阻断)时间为百us或ms级别,取决于开关频率;
③死区时间是为了保证同一桥臂一个器件完全关断后(换流结束后),再开另一个器件,因此时间要大于换流暂态时间,一般为几个us;
逆变器的开关函数模型时都是在器件稳定状态下建立的。根据被控对象和开关函数模型我们就可以控制IGBT的开通和关断了。简单的理解是每个IGBT什么时候开(关),开(关)多长时间是由控制器决定的。
在分析逆变器的开关状态时,我们一般会针对每一相桥臂定义二值逻辑开关函数[1]:

也就是说在逆变器工作时,每个桥臂只有2种开关状态(上开下关或上关下开),其它状态是不允许出现的,因为两个同时开会短路炸鸡,两个同时关就停机了。
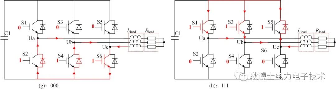
而对于一个三相两电平逆变器而言,一共有8种开关状态:000,001,010,011,100,101,110,111。逆变器的正常工作状态就是在这8种状态中来回切换,只是每次只会切换一个开关器件。
综合以上两点原因,既然换流回路的杂散电感都已经固定不变了,而且逆变器运行时器件的换流暂态过程又互不影响,所以双脉冲测试的结果和实际运行的结果是一样的。
而对于一个三相两电平逆变器来说,从系统角度看有8种开关状态:000,001,010,011,100,101,110,111。控制器的工作就是在这8种状态中按照一定的规则进行切换。通过对不同状态的组合、排序,逆变器就会输出一个你想要的优美的波形了。
虽然只有8种开关状态,但是根据电流方向来划分的话,电流的回路就有很多种了。如果定义电流从桥臂流向负载为正,从负载流向桥臂为负,那一共有8种组合:(ia>0, ib>0, ic>0)、(ia>0, ib>0, ic<0)、(ia>0, ib<0, ic>0)、(ia>0, ib<0, ic<0)、(ia<0, ib>0, ic>0)、(ia<0, ib>0, ic<0)、(ia<0, ib<0, ic>0)和(ia<0, ib<0, ic<0)。
其中有两种组合实际是不存在的(ia>0, ib>0, ic>0)和(ia<0, ib<0, ic<0),共模电流除外,也就是说正常情况下一共存在48种有效电流回路,电流的方向也是在这48种回路中来回切换。
为了让大家有个更直观的理解,我们以电流的方向(ia>0, ib>0, ic<0)为例,画出8种开关状态下的电流回路,如图4所示:




图4三相逆变器8中电流回路
有些小伙伴看到以上电流回路可能感到很奇怪,有的电流是向母线电容充电的,如(001,011,101,100),有些回路电流没有经过电容如(000,111)。需要强调的是不要单独将一张图拿出来看,要考虑上一次回路的开关状态。另外,上图只是从电路角度画出了可能会出现的电流方向,并没有考虑实际的控制方式或负载是什么,有些可能会工作在回馈或整流模式(负载为电机或电网)。
以上是从系统角度将逆变器的开关状态分为了8种,我们继续往下分解,当分解到任意一相桥臂时,只有2种开关状态,根据电流的方向可以分为4种工作状态:

图5 单相桥臂工作状态
再继续分解,每个器件有2种开关状态:要么开,要么关。根据电流的方向也可以划分为4种状态。

图6单个器件工作状态
分解后大家应该就明白了,无论系统层面如何控制IGBT,反映到桥臂后也就四种工作状态,进一步对应到每个器件也有四种状态。逆变器在实际运行时,IGBT的所有动作都是这4种状态的重复过程,只不过是每次的电流可能会有所不同。
对于每相桥臂四种状态切换的换流过程,有些器件会有电应力,有些会没有,更详细地大家可以参考我的另一篇文章:
IGBT应用中的自然换流和强迫换流是什么?
以上这些换流暂态过程完全是可以通过双脉冲测试模拟的,而且电流的大小可以通过脉冲宽度调节。所以说双脉冲测试完全可以反映真实换流过程中的各种电应力。
这时候你可能会问,既然双脉冲测试可以反映IGBT所有换流状态下的电应力,那双脉冲测试安全了,器件就一定能够可靠的工作吗?
答案是否定的,双脉冲只能保证器件的开关过程是安全的,而系统跑起来后还要评估IGBT的散热情况,同时系统是否可靠运行还依赖于控制算法是否稳定,系统是否存在电磁干扰,EMI是否满足标准等一些列问题,因此整机的功率循环测试时还是必须的。
最后,总结一下:
1、双脉冲测试能够反映逆变器真实运行过程中的电压、电流应力。
2、在设计完一个新的逆变器结构后,一定要进行双脉冲测试。
3、双脉冲测试完后,整机的功率循环测试还是有必要做的。
审核编辑 :李倩