时间:2021-10-13 18:58
人气:
作者:admin
充电桩电路图 充电桩电路设计中单向充电桩 双向充电桩解决方案分享
大家应该还记得假期电动汽车在高速公路上抢充电桩而打架互殴的新闻,充电桩作为电动汽车的能量补给装置几乎是必备的,如果你家里没有装,那你一定会慎重考虑购买电动车,周边充电是否方便,电价是否便宜,是否安全。
特别是充电桩电路设计是否能够达到安全防护的目的,比如是否具有急停功能、过负荷保护、短路保护、漏电保护、防雷保护、过热保护、绝缘保护、电池反接、电池过压、电池故障等保护功能,而且要充电桩电路性能稳定可靠。
这里给大家分享几个快速、高效、安全、合理的充电桩电路图和充电桩电路设计方案。大家感兴趣的可以看看罗姆半导体的方案。
针对单向充电桩
面向大功率Vienna PFC+LLC电路拓扑的方案
Vienna整流+LLC构成了充电桩的基本电路。如果考虑设备成本,罗姆推荐使用硅器件、FRD(快恢复二极管)方案;如果需要高功率密度和高效率,则推荐使用碳化硅 MOS/SBD方案。

Vienna PFC+LLC电路和器件示例
PFC部分更适合使用碳化硅器件,理由有二:其一,高温时导通电阻增加较少,能实现高效率,同时可抑制发热,使用更小的散热板;其二,碳化硅器件的恢复损耗非常小,开关损耗较小,能够提高工作频率,有助于输入线圈的小型化。作为硅器件解决方案,也可以使用具有高速开关的罗姆SJ-MOSFET“R65xKN系列”以及IGBT“RGW系列”。

Vienna PFC拓扑推荐器件
其次,对于LLC部分,罗姆通过高耐压1200V 碳化硅MOS来削减部件个数。通过将1200V 碳化硅MOS应用于LLC部分,可以将Stack型的LLC电路变更为下述Single型。具备高耐压、高速开关特点的碳化硅器件给Single LLC带来以下优点:
减少功率器件数量,节省空间,简化电路,降低故障率;
减少控制元件数量,简化驱动电路,减少MCU使用数、减少端口数。
碳化硅MOS可以实现Single LLC的优势
针对双向充电桩
面向三相B6-PFC电路拓扑的解决方案
罗姆针对双向充电桩的三相B6-PFC拓扑的方案使用1200V 碳化硅MOS,它具有以下优点:
受高温影响小;
高速恢复性能有助于可实现输入线圈、绝缘变压器的小型化;
抑制偏共振时的破坏风险。
20kW以下使用1200V开关元器件,例如高效率的碳化硅MOSFET “SCT3xxxKx(1200V/17-95A)”或标准IGBT “RGSxxTSX2”。在20kW以上的应用中,可以选择全碳化硅功率模块“BSMxxxD1xPxCxxx/Exxx/Gxxx(1200-1700V/80-600A/Half-Bridge)”,实现双有源桥谐振变换器(绝缘双向DC-DC)。
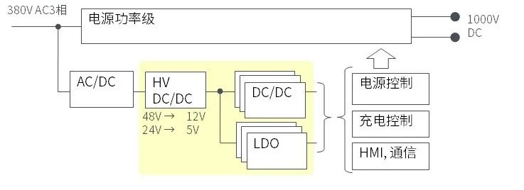
针对充电桩二次电源系统的解决方案
针对充电桩系统中的二次部分(控制器,驱动部分),罗姆也有非常多的产品可供选择,其中在电源方面,有电源树形式的提案,从HV-DCDC到DCDC或LDO。

电源树形式的提案
新产品是非隔离型DC/DC转换器IC,采用BiCDMOS高耐压工艺,可提供先进工业设备所需的电源功能。适用于48V电源系统,具有超高的80V耐压,安全工作范围更宽,与同等输出电流的普通产品相比,耐压提高了约20%。其足够的余量可以应对突发性浪涌电压,有助于提高应用的可靠性。
此外,还实现了耐压60V以上DC/DC转换器IC中超高的5A最大输出电流,有助于实现更多功能的小型化充电桩。另外,内置低损耗MOSFET可在2A至5A宽输出电流范围内实现高达85%的功率转换效率,更加节能。

与普通产品相比,耐压提高约20%