时间:2017-04-26 12:32
人气:
作者:admin
在现代仪表设计中,低功耗是必不可少的。不论是测量煤气、水、电或热量,你必须限制流耗,以实现较长的电池使用寿命,并且/或者防止错误读数。幸运的是,TI提供多种解决方案来满足这些需要。在这篇帖子中,我将检查某些常见配置,来看看TI产品在哪些方面可以为你的设计提供辅助。
电表
电表无处不在,不过它们的电源设计几乎没有一样的。基于成本、尺寸和效率方面的考虑因素,设计人员执行具有不同复杂度的电源模式。这些差异源自AC线路电压到微控制器或片上系统 (SoC) 的DC电压轨的转换方式。图1是一个单相位电表的高级示例。

图1:单相位电表方框图
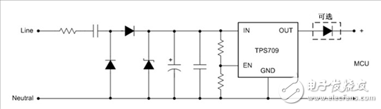
在为MCU生成一个经稳压的MCU时,我们可以采用几项常见技术。其中最注重成本节约的实现方式就是电容器压降,这个方法用二极管和电容器,连同串联电容器和电阻器,以及一个并联的齐纳二极管,来实现传统半波整流(请见图2).

图2:经简化的电容器压降电源
串联电容器和电阻器限制了对外提供的电流数量。而齐纳二极管调节了低压降稳压器 (LDO) 输入上的电压。(不应将齐纳二极管用作到MCU的负载点 [PoL] 稳压器。由于齐纳电压的变化量很大,将齐纳二极管用作PoL稳压器会有把电压调节到MCU额定电源电压范围之外的风险。齐纳二极管也不包含其它在LDO中常见的重要特性,其中包括电流限制和线路稳压。)如需了解与这些组件相关的更多信息,请参见下方的额外资源部分。
LDO为MCU提供一个稳定的电源电压轨。然而,并不是任何一款LDO都可以用于这个模式中。由于LDO输入端上的电压容易产生瞬态电压尖峰,这个LDO必须具有宽输入电压范围,以应对这样的情况。系统的泄露电流也必须得到控制,以符合这些行业标准。因此,你必须用一个具有小静态电流的LDO来限制汲取的电流数量。TPS709就是一款同时具有宽输入电压范围(高达30V)以及低静态电流额定值 (1.3µA) 的稳压器。
在线路电压下降的情况下,应该对电压进行测量,以确保不间断运行。图2中的可选二极管防止了LDO的输入电压低于输出电压情况下的电流反向流动。由于某些LDO(比如说TPS709)具有集成的反向电流保护功能,使这个二极管变得有些多余,因此这个二极管被标记为可选项。

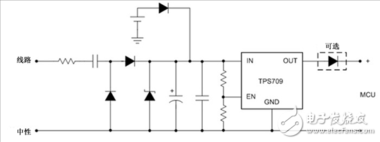
图3:在LDO之后连接电池的电容器压降电源
图3和4特有一个与线路电压并联的电池。当线路电压消失时,这个电池将作为第二电源。一旦电池的标称电压减去二极管压降后的值大于已连接节点的电压,那么电池就接通。这个电池可以连接在LDO之后(图3)或之前(图4)。不过,我建议将电池尽可能地连接在LDO之前,以确保一个处于MCU电压范围内的稳定经稳压电压。

图4:在LDO之前连接电池的电容器压降电源
水表
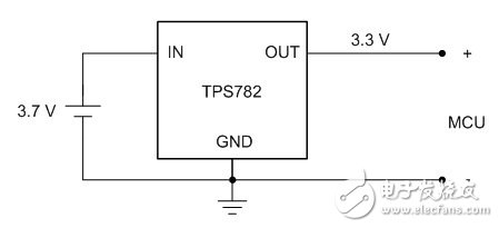
考虑到水表不是由AC线路供电运行,它的电源要简单得多;它使用电池供电运行。在某些情况下,这个电池必须提供10年或者更长的运行时间。为了实现这一目的,汲取的电流必须保持在尽可能低的水平上。如图5所示,诸如TPS782的LDO可以为这种设计类型提供帮助,这是因为它对输出电压和汲取的最小静态电流都可以进行调节。

图5:水表的电源
虽然看起来不是那么直观,不过把LDO与电池组合在一起使用确实能够减少耗电量。其原因在于低功耗微控制器(比如说TI的MSP430)中电源电压与电源电流之间的关系。虽然电源电压的范围也许很宽(MSP430的电源电压范围可以达到1.8V至3.6V),提供较高的电压轨将会相应地产生较高的电源电流。因此,用较低电压电源轨来控制不必要的流耗是有一定意义的。我们会在下一篇博客中就这一问题进行深入讨论。
不论你的仪表是由AC线路供电,还是由电池供电,使用合适的LDO能够确保正确运行并减少功耗。
其它资源:
通过阅读这份操作说明书的电容器电源部分,来了解与电容器压降组件和这些组件设计相关的更多内容。
阅读这篇博客文章,“使低功率MSP430的功耗更低—第1部分。”