时间:2017-07-03 16:44
人气:
作者:admin
今天,做一个产品或系统的电路保护方案,特别是智能电网等工业应用的端口保护设计,就像是组织一场足球比赛的防御战:你需要有大牌的球(yuan)星(jian),还需要有将他们捏合在一起的战术,去抵御来自对手的每一次可能的“进攻”。这其中的门道儿不少,但也有套路可寻,今天我们就来看看世健(Excelpoint)作为工业电路保护界的“豪门”,是怎么玩儿的。
先来细数一下世健帐下那些在智能电网上可堪重用的电路保护元件“球星”,它们大多来自Bourns公司,每颗料都很有“料”。比如:
TBU高速保护器:作为基于MOSFET半导体技术的电路保护器件,其过流保护的响应速度极快,一般只需200nS就可确保将浪涌电流隔绝在外,与速度慢、耐压低的PPTC等过流保护器件相比,优势明显。同时TBU可以阻挡850V的高压,具有双向保护的特性,可自恢复,线路上产生的容性小。因此它自诞生之日起,一直是Bourns公司引以为傲的明星器件。
TCS高速保护器:同样采用了半导体工艺的限流器件,同样很快,响应时间仅50nS(其他的限流保护元件通常是毫秒级),精度高、无损耗、可靠性强,为超高速差分线提供过流保护。
GDT气体放电管:不可或缺的过压保护元件。而Bourns产品的特异之处,在于其开发了一种创新的FLAT皱接工艺GDT,令GDT的尺寸大大瘦身,同时保持了其电气隔离能力和电路处理能力,在业界独树一帜。
TISP晶闸管:一种与MOV和TVS不同的固体放电管,由于采用半导体工艺,响应速度更快,寿命比GDT长,主要用于信号回路的防雷保护,可在纳秒级时间内将电压箝位于比击穿电压更低的0V的水平上。
Power TVS:顾名思义,是高功率的TVS,通流量大,工作范围宽,适用于电力和工业领域。和MOV相比,PTVS提供了更加严格的箝位电压,没有损耗机制,可以提供更可靠的保护。
SPD浪涌保护器:实力选手,额定电流可达100千安,而竞争对手只有几十千安。
实际上,除了上述的几个明星产品,对于要求完整的初级、二级、三级安全防护的工业系统,世健科技还可提供更全面的Bourns电路保护元器件,可以说其在比赛中的“板凳深度”还是相当可观的。

图1:智能电网端口防护三级保护,以及备选元器件
当然,如我们在文章开头时所说,全面可靠的电路保护单靠堆砌明星是不够的,还需要基于实战的需要,根据每个元器件的特点,形成针对性的“战术方案”,才能确保万无一失。
世健在智能电网端口保护上,已经形成的多套“战术演练”,即完整的解决方案,包括RS232、RS485/RS422、CAN、以太网、USB、SIM 卡ESD防护等等。
在这些方案的设计中,世健从三个方面进行了缜密的考虑。一是从实际应用的安规要求出发选择最适合的元器件组合,毕竟满足安规是硬道理。二是根据元器件自身的特点相互补位,取长补短。比如TUB虽然在电流保护响应速度等性能上独步天下,但是耐受瞬态高压冲击方面是个弱点,因此就需要和高性能的GDT配合使用,才更为稳妥,这必须是在方案中考虑到的。三是尽量选择核心料号,最大限度保护客户在价格、供货保障方面的利益。通过上述三方面的考虑,才能确保最终方案的有效性和可行性。
可以说,在智能电网端口保护的战斗中,来自Bourns公司的明星元器件产品提供了基本面的支撑,世健针对性的战术方案让每个元器件的特长得以充分发挥,进而盘活了全局。如果要做个总结的话,那就是——在电路保护这件事儿上,永远不是一颗“料”在战斗,好的整体方案才能让你从头赢到尾。

图2:RS232端口保护方案

图3:RS485端口保护方案

图4:RS422端口保护方案

图5:CAN端口保护方案

图6:以太网端口保护方案

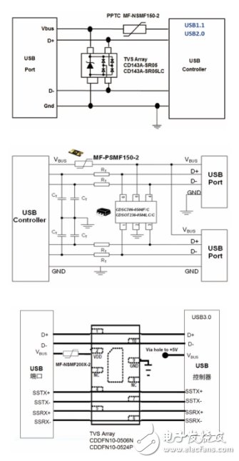
图7:USB端口保护方案

图8:SIM卡ESD保护方案
世健是完整解决方案的供应商,为亚洲电子厂商包括原设备生产商(OEM)、原设计生产商(ODM)和电子制造服务提供商(EMS)提供优质的元器件、工程设计及供应链管理服务。
世健与供应商及电子厂商紧密协作,为新的科技与趋势作出定位,并帮助客户把这些最先进的科技揉合于他们的产品当中。集团拥有三个研发中心,专业的研发团队不断创造新的解决方案,帮助客户提高成本效益并缩短产品上市时间,世健研发的创新解决方案可应用于工业、无线通信及消费电子等领域。
世健的总部设于新加坡,是新加坡的主板上市公司,拥有超过六百名员工,在亚太区超过二十五个城市设有分公司和办事处,遍及新加坡、马来西亚、泰国、越南、中国、印度、印尼、菲律宾、新西兰及澳大利亚等国家。世健集团在2015年的年营业额接近8亿3千万美元。世健在1993年开始发展中国业务,中国区的总部设于香港,并拥有11个分公司及办事处、2个研发中心及2个物流中心,遍及中国多个城市。
上一篇:光伏微型逆变器云连接解决方案