时间:2014-01-15 14:17
人气:
作者:admin
国内学术界近期提出新一代星状分散式太阳能系统架构,藉由将太阳能电池模组阵列分组,且每组由一颗中央最大功率点追踪(MPPT)控制器负责撷取电力资讯,克服乌云或树荫遮蔽效应导致个别电池发电量不均的问题,以提高整体系统发电效率。
为提高太阳能发电效益,一般做法是从太阳能电池制造端去想提高发电效率和改善制程的方法,或是节省材料用量来降低成本。模组化电源管理系统(MLPM)则是在太阳能发电的后端应用上,以交换式电源(SMPS) 技术来提升模组的发电效率。相较于传统模组串列型的集中式太阳能发电架构,以MLPM发展出来的分散式太阳能发电系统在不同的云层或建筑物的遮蔽状况下,最大可提升约25%的发电效率,相当适合于须要将太阳能板安装于不同方位的中小型住宅式应用。故现在已有越来越多太阳能发电系统开始使用微型逆变器 (Micro-inverter)或是功率优化器(Power Optimizer)来提升发电效率。
MLPM点火 微逆变器/功率优化器需求涨
国外的市调机构IHS iSuppli的研究报告指出,全球的MLPM市场成长快速,预估至2014年会达到6.2GW的安装量,占全球住宅型太阳能安装量的38%。MLPM包含了DC-AC的微型逆变器和DC-DC的功率优化器,虽然其会额外增加太阳能系统安装的费用,但若依照摩尔定律(Moore‘s Law),则微逆变器的平均销售价格预测会从2010年的每瓦0.88美元,下降至2014年的0.29美元;而功率优化器则预估会从2010年的每瓦 0.18美元,下降至2014年的0.08美元。
虽然微逆变器发展较早,但由于各国对于太阳能逆变器的安规都要求须与市电网路做电路隔离,故其电路成本较高。在2009年,Solaredge于以色列成立,并推出一系列针对住宅型分散式太阳能发电的相关产品,从个别太阳能模组的功率优化器、将最后总输出电力转换为交流电併网的逆变器,甚至是太阳能发电即时监控及远端资料库,都已经有一系列的产品推出(图1)。另外,在美国的Tigo与前国家半导体底下的Solarmagic,也同样有各自的功率优化器产品推出。由各个国际大厂纷纷投入产品开发观之,分散式太阳能的功率优化器未来深具发展潜力。

图1 SolarEdge提出的分散式太阳能发电解决方案
可侦测故障/远端监控 星状分散式系统崭锋芒
由于太阳能电池的发电特性会随着环境的光照度和背板温度有所改变,故一般会除将输出透过直流电压转换器(DC-DC Converter),以电路调变太阳能电池的输出特性外,还须搭配最大功率点追踪(MPPT)技术,以确保太阳能输出能得到最大的发电效率。此外,依据太阳能发电系统输出端应用的不同,可分为独立型(Stand-Alone)及市电并联型(Grid-Connected)两种太阳能发电系统。
传统将经过串并联后的太阳能模组阵列视为单一模组来做MPPT,称为集中式太阳能发电系统(Centralized Photovoltaic System)(图2)。但其前提是须确保太阳能模组阵列中每一片的特性相同,若其中参杂有劣化的太阳能模组,如受到乌云、树荫、灰尘、太阳能电池老化等,或是太阳能模组安装的日照方位的不同,皆会导致部分遮蔽效应(Partial Shading Effect),进而造成整体的发电效率大幅下降,严重时甚至会损失整体25%的发电效率。

图2 集中式太阳能发电系统
为解决集中式太阳能发电系统的缺失,在后来的研究中有学者开始提出分散式太阳能系统(Distributed Photovoltaic System)的架构(图3),即在每一片太阳模组输出端各自安装一组DC-DC Converter以及MPPT控制器。如此即便太阳能模组阵列受到部分遮蔽效应的影响,阵列中各片太阳能模组也都能够自行调变至最大功率输出,维持整体的发电效率。

图3 分散式太阳能发电系统
相较于一般国外大厂採取个别太阳能模组安装独立的MPPT控制器做法,成功大学提出的一种星状分散式太阳能发电系统(图4),将太阳能模组阵列分组,每组以一个中央MPPT控制器来撷取每片太阳能电池的电压和电流资讯,再进行MPPT运算后,输出控制讯号至每个太阳能模组,而各组的中央MPPT控制器也可以互相通讯。此种做法的好处在于以一个高效能的中央MPPT控制器来取代塬本各模组个别的MPPT控制器,而中央MPPT控制器在取得各模组的发电资讯运作MPPT的同时,除可侦测阵列中的模组故障之外,也可将发电资讯储存并发送到网路上提供远端监控的功能。

图4 星状分散式太阳能发电系统示意图
在星状太阳能分散式发电系统中所採用的MPPT演算法,为成大实验室所发展的二次式极值法,其塬理是将太阳能特性曲线近似二次式曲线,在追踪过程中会定义三个操作点D1、D2及D3,量测三点操作点的输出功率P1、P2及P3,当P2大于P1和P3时,可直接利用二次式极值方程式计算出可能的最大功率点位置(图5)。相较于传统的扰动观察法(Perturb and Observe, P&O),可提升MPPT的追踪速度,且收敛之后不会在最大功率点附近振盪。

图5 二次式极值MPPT演算法示意图
[@B]功率优化器电路设计面面观[@C] 功率优化器电路设计面面观
功率优化器选择可兼具升降压功能的Buck-Boost Converter电路拓扑(图6),除电路架构较为简单之外,也可弹性应用在各种场合。电感须以耐流量为考量,以避免操作在饱和电流导致电感量下降,金属氧化物半导体场效电晶体(MOSFET)也须考量等效内阻,以尽量降低导通损耗,额外并联肖特基二极管(Schottky Diode)可选择较低耐压的MOSFET,并降低切换损耗。

图6 功率优化器的Buck-Boost Converter电路架构
在研发初期曾以隔离式的MOSFET驱动器来做设计,其优点是控制和量测上较为简单,但是额外的隔离电源却会大幅增加电路成本。故在技术成熟后,则改用内建自举式(Bootstrap)电源电路的半桥式或是全桥式驱动IC来同时驱动高低端MOSFET,虽然在驱动上须预防MOSFET的闭锁(Latch Up)效应,但在电路成本上较为符合市场需求。实际针对230瓦太阳能板制作的功率优化器,其在最大功率点附近可达到96%的转换效率。
在分散式太阳能发电串列中,由于每个功率优化器在使用脉衝宽度调变(PWM)讯号进行电压调变时,会相互影响个别输出,故在功率优化器中的PI稳压器设计的好坏举足轻重。在实际测试之前,可在美商国家仪器(NI)Multisim这套电路模拟软体中建立太阳能模组的SPICE(Simulation program with Integrated Circuit Emphasis)模型(图7),及针对功率优化器的电路进行建模。相较于其他电路模拟软体,使用Multisim的优点在于透过与LabVIEW的 Co-Simulation沟通介面,可直接在LabVIEW中模拟并测试PI稳压器参数及MPPT演算法。图8即为功率优化器稳压模拟结果与实际测试结果之比较,趋势相当接近。

图7 功率优化器在NI Multisim的电路模拟

图8 功率优化器稳压模拟与实测结果对照图
功率优化器助力 星状分散式系统效能大增
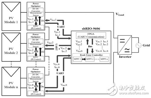
图9为星状分散式太阳能电力系统架构图,太阳能发电串列中的每片太阳能模组接各自安装功率优化器后,再串联输出至逆变器。而在功率优化器中则有一颗低成本的数字讯号处理器(DSP)负责调变PWM控制讯号,并撷取输入与输出的电压和电流资讯,除可进行PI稳压器的控制之外,可再透过通用异步收发器 (UART)与中央MPPT控制器进行资料传输。

图9 星状分散式太阳能发电系统架构图
中央MPPT控制器採用的是NI sbRIO-9606嵌入式控制器,其同时兼具两种嵌入式控制核心,现场可编程闸阵列(FPGA)可平行多工处理各个功率优化器的UART通讯,而即时处理器则即时进行分散式MPPT运算,并将控制参数传送至各个功率优化器。而透过NI sbRIO-9606的乙太网路接口,更可直接将整体系统的发电资讯发布至网路上,实现远端监控。
为测试功率优化器在受到部分遮蔽的状况下是否可发挥其功效,实验以八片茂鑫230瓦太阳能板以星状分散式发电架构串联输出,并透过逆变器转换成交流电併入市电网路中(图10)。实验从早上九点开始测试,并在中午12点时于第七片太阳能模组上产生部分遮蔽使功率降低。
图10 实验测试之八片茂鑫230瓦太阳能模组
由图11的实验结来看,虽然八片太阳能模组的规格相同,但实际输出功率还是有些许的差异,尤其当第七片太阳能模组受到遮荫,而使得功率与其他模组不匹配时,功率优化器仍可维持各片的最大功率输出,而不受到部分遮蔽效应的影响。

图11 分散式太阳能发电整日实验测试结果
消弭日照/模组不匹配桎梏 星状分散式系统势起
随着石油价格居高不下而电价也逐渐上涨,太阳能发电则会因模组化且大量制造而降低其发电成本,达到市电平价的目标已不再是梦想。未来太阳能将以中小型发电与建筑物结合(BIPV)的应用渐渐出现在人们的生活圈当中,如家庭住宅、商业大楼、公共设施等。但是以往採取集中式太阳能发电的方式,限制太阳能板安装弹性,须将太阳能模组皆朝向同一日照方向,以避免遮蔽效应造成无谓的功率损失。若採用新颖的分散式太阳能发电技术,即可解决因日照方向不同或模组间不匹配的损失。
例如成功大学低碳校园团队,目前规画以创新曲面太阳能停车棚造型之太阳能发电系统(图12),使用高效率太阳能单晶硅模组,应用新颖分散式太阳能光电技术结合绿建筑设计手法,可解决太阳能模组间日照不匹配的功率损失,提高太阳能发电效率,以兼顾科技与艺术设计的平衡。此外,透过模组化系统概念,降低制造及维护成本,将所得电力供应充电站设备、夜间照明、周边公共设施等,藉以因应城市充电站、电池交换站大量增设之迫切需求。
图12 分散式太阳能节能充电站
借力星状分散式系统 太阳能安装率加速增长
本研究针对星状分散式太阳能发电系统可以从太阳能系统模拟、电路设计与制作、资料撷取及MPPT控制,一直到网路监控介面,皆可以在美商国家仪器的软硬体架构下完成一整套的开发流程,彻底地发挥LabVIEW图形化语言的优势。尤其是使用NI sbRIO-9642XT做为中央控制器,图形化程式语言可节省许多嵌入式开发时间。
此外,藉由市电併联的实验,亦验证自行开发的新式分散式太阳能发电技术,确实可解决太阳能模组因遮蔽效应、模组劣化、灰尘、落叶所造成的不匹配功率损失。此技术将有利于太阳能与环境艺术做结合,以推翻旧有对于太阳能发电的印象,以更具美感的建筑设计来推广分散式太阳能发电技术,而目前相关的专利技术也正在申请中。未来可将此成熟之星状分散式太阳能MPPT技术透过技术移转,以提升太阳能的使用率和安装率,减轻对于石油燃料与核能的依赖。
下一篇:自适应太阳能路灯控制器设计案例