时间:2014-03-25 10:49
人气:
作者:admin
作者:英飞凌应用工程师 柏鹏程
背景:
智能电表是智能电网的智能终端,除了具备传统电能表基本用电量的计量功能以外,为了适应智能电网和新能源的使用它还具有用电信息存储、双向多种费率计量功能、用户端控制功能、多种数据传输模式的双向数据通信功能、防窃电功能等智能化的功能,智能电表代表着未来节能型智能电网最终用户智能化终端的发展方向。减低智能电表自身功耗,提高其运行能效已成为当前智能电表的重要环节。开关电源不同于智能电表中的其他器件,规模化、标准化生产或将是提高品质、降低生产成本、优化生产工艺。虽然智能电表用开关电源已经获得重视,然而国内在开关电源的发展上,还存在基础理论欠缺、产业水平跟不上需求、生产工艺不成熟等诸多问题。另外开关电源引发的炸表现象一直也是困扰和阻碍其广泛应用的重要原因之一。其他原因还有,长期工作的可靠性等。目前国内智能电表用电源依旧以传统工频变压器为主,而国外一些产品已经逐步使用了开关电源。主要的原因是电表功能加强后,供电功率要求增加,工频变压器很难胜任。同时,考虑到安装及运输成本,开关电源会有具备很大优势。
三相智能电表的内部电源结构:


智能电表中开关电源的要求:
本文仅针对几个重要的要求提出解决方案:
极宽输入电压范围
多路输出调整率
各类异常
层叠式普通反激方案:
对于常规输入电压(85Vac-265Vac)的小功率开关电源应用,综合效率及成本,反激拓扑最为常见。结构上可以采用控制器配外置的开关器件,或者考虑集成度,也有集成控制器和开关器件于一个封装。开关器件的耐压等级通常为650V,700V和800V。如果对于三相应用,考虑到变压器的反射电压及漏感和设计余量,该类器件无法满足要求。而单纯采用一个高压开关器件,如1000V或1200V以上的功率开关器件,挑选余地并不大,成本也较高。因此,在三相电表中考虑的第一个设计问题就是如何解决高输入电压下的耐压问题。
以一个具体规格为例进行说明:
规格:
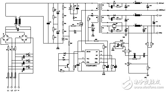
由于多路输出和小功率输出的特点,电源拓扑选择反激较为合适。本文中控制芯片为英飞凌ICE3AR2280JZ。其内部除了工作频率为100KHz的电流模式控制器外,还集成了800V CoolMOS,导通电阻为2.2ohm,封装为DIP7。该芯片内部同时集成了800V的高压启动单元。在环境温度为50度,常规宽电压输入(85Vac-265Vac)情况,最大输入功率可达28W。同时,芯片还具有过流、过压、输入欠压、过温等保护功能和提高轻载效率的突发模式。鉴于小功率应用,变压器尺寸及环路补偿等因素,通常建议系统在全负载段工作于电流断续模式(DCM)。
原理图:

原理描述:
输入电压经过前级的共模滤波器L1,C20,C21和两个整流桥BR1和BR2;压敏电阻RV1,RV2,RV3及CX11,CX12,CX13构成过压保护线路;功率电阻R1,R2,R3用于抑制浪涌电流。为了简化设计,滤波电感的位置被放置于整流桥后以节省成本。考虑到输入缺相情况,即只要任意两根线存在,不论火线零线还是火线火线,系统仍旧可以正常工作,采用两个整流桥输出并联使用。整流后,由于最大峰值电压可达780V,因此采用两个450V电解电容进行串联使用,同时考虑电压平衡,R13,R14,R15,R16并接在电容两侧。
原边的开关线路由变压器、钳位电路、开关管及CoolSET、TVS、齐纳二极管等组成。
启动时,电流通过R19,R20,R21,R22流过齐纳二极管D10进入CoolSET的漏极相连的高压启动单元。CoolSET内部的高压启动单位为800V,由于外部的TVS二极管的存在,超高电压会被钳位于一个特定的电压,以保护CoolSET。但CoolSET开通时,外部MOSFET的源极被拉至地,从而齐纳管D10形成反偏,从而使外部MOSFET开通;当CoolSET关断时,电感电流首先对CoolSET内部的MOSFET的漏源电容进行充电,直到Vds电压达到外部TVS二极管的钳位电压时,电流开始对外部MOSFET的门极源极电容进行放电,直到位于GS间的齐纳二极管的正向电压超过0.7V,外部MOSFET关断,同时电流将通过齐纳二极管D10流向外部TVS二极管或R19,R20,R21,R22。取决于两个回路的阻抗,由于外部MOSFET的Vgs已经接近于零,因此MOSFET将被彻底关断;对于超过外部TVS管额定电压的输入,此时CoolSET电压应力即为外部TVS的钳位电压值。例如,采用了550V TVS二极管和一个800V的外部MOSFET,那么反激的耐压能力为:550V+800V=1350V。作为设计,考虑恶劣情况,可以粗略估计从内部MOSFET到外部MOSFET关断的时间即为流过外部TVS二极管的时间,用最大负载时的峰值电流容易得到流过TVS的平均电流。因此TVS二极管的损耗即为平均电流和钳位电压之积;
输出电路由肖特基二极管,吸收电路,滤波器构成。为了纹波要求,采用二级滤波器。其中输出1为主5V,与12V共地,另外一个5V的参考地与输出1,2隔离。考虑到多路输出负载交叉调整问题,12V的参考叠加在5V输出。这样对于12V输出,调整精度有所提高。因为规避了5V输出上二极管正向压降随电流变化的影响。基于动态稳定性方面的考虑,12V输出电容C8放置于5V输出,这样可以避免5V输出大动态负载跳变时造成12V输出不稳定的情况。