全球最实用的IT互联网信息网站!
AI人工智能P2P分享&下载搜索网页发布信息网站地图
简述浪涌保护器的主要参数
阅读全文2023-05-09
浪涌保护器的安装注意事项
什么叫二次回路 二次回路与一次设备的关系
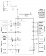
安科瑞数据中心集中监控机房机柜建设解决方案
10kV配电室高压设备有哪些?
阅读全文2023-05-08
安科瑞AISD系列智能安全配电装置应用案例
5G RedCap模组如何进一步推动5G发展?
扩展无线电力传输以实现更高的功率传输
防孤岛保护装置在光伏电站中的作用
阅读全文2023-05-06
变压器铁芯为什么需要接地?
上海贝岭新一代国网电表内置负荷开关驱
车机DAB功能验证方法论及测试三神器简介
泰克示波器+IMDA软件优化光伏发电系统的
【新闻中心】智唤建筑 电联未来|2025年江
CPU | 内存 | 硬盘 | 显卡 | 显示器 | 主板 | 电源 | 键鼠 | 网站地图
Copyright © 2025-2035 诺佳网 版权所有 备案号:赣ICP备2025066733号 本站资料均来源互联网收集整理,作品版权归作者所有,如果侵犯了您的版权,请跟我们联系。