TPS6200x 器件是低噪声同步降压 DC/DC 转换器系列 非常适合由 1 节锂离子电池或 2 节至 3 节电池供电的系统 镍镉、镍氢或碱性电池。TPS6200x 的工作通常低至 1.8 V 的输入电压, 指定的最小输入电压为 2 V。
该TPS62000在–40°C至85°C的自由空气温度范围内工作。该器件是 采用 10 引脚 (DGS) 微型外形封装 (VSSOP)。
*附件:tps62008.pdf
特性
- 效率超过95%的高效同步降压
转换器 - 2V至5.5V工作输入电压范围
- 输出电压范围可调,范围为0.8 V至V
在 - 提供 0.9 V、1 V、
1.2 V、1.5 V、1.8 V、1.9 V、2.5 V 和 3.3 V 的固定输出电压选项 - 可与高达 1 MHz 的
外部时钟信号同步 - 高达 600 mA 的输出电流
- 引脚可编程电流限制
- 在省电模式下,在宽负载电流范围内
实现高效率 - 100% 最大占空比,压差最低
- 低噪声工作防振铃开关和
PFM/PWM工作模式 - 内部软启动
- 50μA 静态电流 (TYP)
- 采用10引脚超小型外形
封装(VSSOP) - 提供评估模块
参数

方框图

1. 产品概述
TPS6200x是德州仪器(TI)推出的高效同步降压DC-DC转换器系列,适用于由单节锂离子电池或2-3节镍镉/镍氢/碱性电池供电的系统。关键特性包括:
- 输入电压范围:2V至5.5V(最低工作电压1.8V)。
- 输出选项:可调输出电压(0.8V至VIN)及固定电压(0.9V、1V、1.2V、1.5V、1.8V、1.9V、2.5V、3.3V)。
- 效率:高达95%以上,支持轻载高效PFM(脉冲频率调制)模式。
- 封装:10引脚VSSOP(3mm×3mm)。
2. 核心功能
- 同步整流:集成P/N沟道MOSFET,减少外部元件。
- 工作模式:
- PWM模式(中高负载,固定750kHz频率)。
- PFM模式(轻载,提升效率)。
- 强制PWM模式(低噪声应用,通过SYNC引脚配置)。
- 低噪声设计:内置抗振铃开关(固定输出电压版本)。
- 保护功能:欠压锁定(UVLO)、可编程电流限制(600mA/1.2A)。
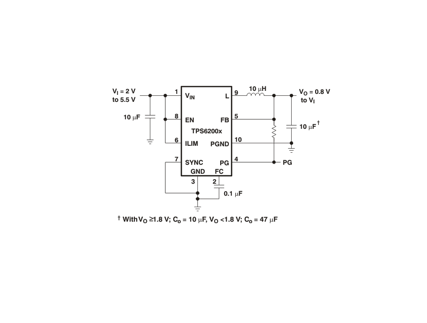
3. 典型应用电路
- 可调输出设计:通过外部电阻分压器设置电压(R1+R2≤1MΩ),需并联补偿电容(C(ff))确保稳定性。
- 固定输出设计:直接连接FB引脚至内部反馈网络。
- 推荐外围元件:
- 电感:10μH(最小),建议低DCR型号(如Coilcraft DO3316P-103)。
- 输出电容:≥10μF(VO≥1.8V)或≥47μF(VO<1.8V),低ESR陶瓷电容优先。
- 输入电容:≥10μF,低ESR陶瓷电容(如Taiyo Yuden JMK316BJ106KL)。
4. 关键参数
- 开关频率:750kHz(可同步至500kHz-1MHz外部时钟)。
- 静态电流:50μA(典型值,PFM模式)。
- 热性能:结温范围-40°C至85°C,热阻θJA=160°C/W(VSSOP封装)。
5. 应用场景
- 便携设备:手机、PDA、MP3播放器、数码相机。
- 低功耗处理器:CPU、DSP供电。
- 网络设备:USB调制解调器、接口卡。
6. 设计支持
- 提供评估模块(EVM)和参考布局(优先短而宽的功率路径布线)。
- 详细规格见原文第7章(电气特性)、第9章(应用示例)。