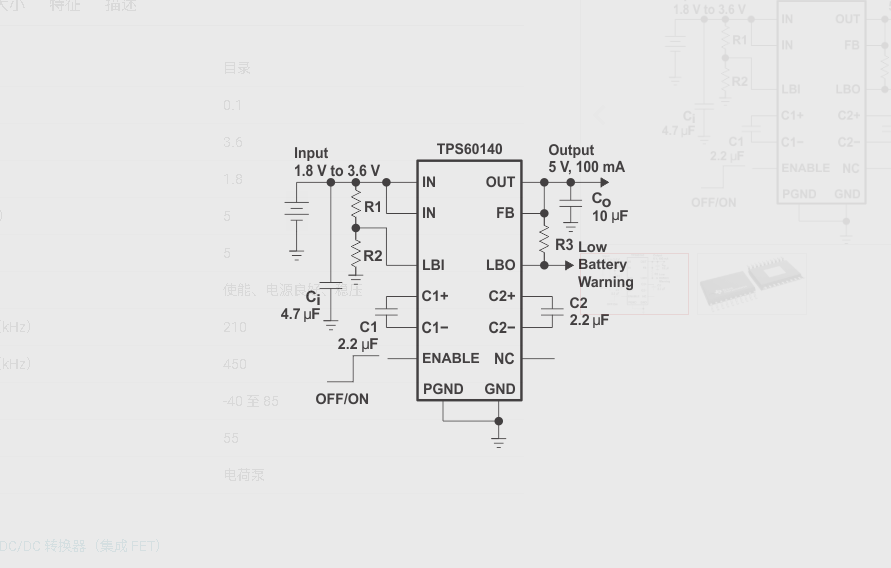
TPS6014x 升压稳压电荷泵可±从 1.8V至3.6V输入电压范围。这些器件通常由两个碱性、镍镉或 镍氢电池,并从 2V 输入提供至少 100 mA 的输出电流。只有四个 需要外部电容器来构建完整的电压三倍电荷泵。
这些器件使用脉冲跳跃拓扑来调节输出。控制器是 针对整个输出电流范围内的最低输出电压纹波进行了优化。输出峰值 电流,因此输出电压纹波与传统相比大大降低 通过调节电荷泵输出电阻来实现脉冲跳跳拓扑。在轻负载下最大 限制输出电阻以确保低静态电流。
*附件:tps60141.pdf
该TPS60140包括一个低电量比较器,如果电池电量 电压降至用户可调的阈值电压以下。该TPS60141具有电源良好的输出 当输出电压达到其标称值的 90% 时,它就会激活。
逻辑关断功能禁用转换器,将电源电流降低到 最大 1 μA,并断开输出与输入的连接。特殊的电流控制电路 防止在启动过程中从电池中汲取过多电流。该DC/DC转换器 不需要电感器,因此 EMI 几乎不值得关注。TPS6014x 在自由空气上运行 温度范围为 –40°C 至 85°C。 它采用小型、热增强型 20 引脚 HTSSOP 包 (PWP)。
特性
- 稳压 5 V ±4% 输出电压
- 高达 100 mA 的输出电流
- 1.8V至3.6V输入电压范围
- 65μA静态电源电流
- 0.05μA 关断电流,关断时电池
与负载隔离 - 集成低电量或电源良好指示灯
- 整个输出
电流范围内的低输出电压纹波 - 无需电感
器,设计简单,采用低EMI电源 - 提供评估模块 (TPS60140EVM-144)
- 采用 6.5 mm × 4.4 mm 20 引脚 HTSSOP
封装
参数

方框图

1. 核心功能
- 输入/输出特性:输入电压范围1.8V至3.6V,输出稳定的5V±4%电压,最大输出电流100mA。
- 高效拓扑:采用改进的脉冲跳跃(pulse-skip)拓扑,集成电荷泵电压三倍器,仅需4个外部电容。
- 低功耗设计:静态电流65µA,关断电流0.05µA,支持负载与输入隔离。
2. 关键特性
- 集成功能:
- TPS60140:低电量检测器(LBI/LBO),可调阈值电压。
- TPS60141:电源就绪指示(PG),输出达90%标称值时激活。
- EMI优化:无电感设计,降低电磁干扰。
- 保护机制:短路保护、欠压锁定(UVLO,阈值1.6V)。
3. 应用场景
- 电池供电设备(如两节电池升压至5V)、便携式仪器、医疗设备、智能卡供电等。
4. 设计要点
- 电容选型:推荐X7R/X5R陶瓷电容,飞跨电容(C1/C2)2.2µF,输入电容4.7µF,输出电容10µF(低ESR优先)。
- 布局建议:短接地路径,电容靠近IC放置,参考EVM模块布局优化散热(HTSSOP-20封装热阻41°C/W)。
5. 性能数据
- 效率:典型值80%(2.4V输入/50mA输出),最低45%(3.6V输入/100mA输出)。
- 纹波:40mV(满载),可通过增大输出电容进一步降低。
6. 型号差异
- TPS60140:支持低电量警告(LBO),需外部分压电阻设置阈值。
- TPS60141:提供电源就绪信号(PG),无需外部配置。
7. 文档支持
- 包含完整电气特性、典型应用电路、热性能数据及封装信息(如HTSSOP-20尺寸6.5mm×4.4mm)。
注:具体设计需参考数据手册中的绝对最大额定值(如输入电压≤3.6V)和推荐工作条件。