LM2599 系列稳压器是单片集成电路,可提供所有 降压(降压)开关稳压器的有源功能,能够驱动具有 出色的线路和负载调节。这些器件提供 3.3 V 的固定输出电压, 5 V、12 V 和可调输出版本。
LM2598 是 LM259x 系列的成员,具有额外的监控和性能 添加了功能。
这些稳压器需要最少数量的外部元件,使用简单,并且 包括内部频率补偿、改进的线路和负载规格、固定频率 振荡器、关断和软启动、错误标志延迟和错误标志 输出。
*附件:lm2599.pdf
LM2599 系列在 150 kHz 的开关频率下工作,因此允许更小的 滤波器组件的尺寸比低频开关稳压器所需的尺寸要大。 采用标准 7 引脚 TO-220 封装,具有多种不同的引线弯曲选项和 7 引脚 TO-263 表面贴装封装。
提供标准系列电感器(通孔型和表面贴装型) 来自多家不同制造商,针对 LM2599 系列进行了优化。这个功能大大 简化开关模式电源的设计。
其他特性包括在所有输入条件下输出电压容差±4% 电压和输出负载条件,振荡器频率为±15%。外部关机是 包括,具有典型 80 μA 待机电流。自我保护功能包括两级 输出开关的电流限制和过温关断,可在以下情况下提供全面保护 故障条件。
特性
- 3.3V、5V、12V和可调输出版本
- 可调版本输出电压范围:1.2 V
至 37 V ±4% 在线路和负载
条件下最大值 - 3A 输出电流
- 采用 7 引脚 TO-220 和 TO-263(表面
贴装)封装 - 输入电压范围高达 40 V
- 150kHz 固定频率内部振荡器
- 关断和软启动
- 超出调节错误标志
- 错误输出延迟
- 低功耗待机模式,I
Q ,典型值为 80 μA - 高效率
- 使用现成的标准电感器
- 热关断和限流保护
参数

方框图

1. 产品概述
LM2599是德州仪器(TI)推出的SIMPLE SWITCHER®系列降压型开关稳压器,具有以下核心特性:
- 输入电压范围:4.5V至40V
- 输出能力:3A负载电流,提供固定输出(3.3V/5V/12V)和可调输出(1.2V–37V)版本
- 封装:7引脚TO-220(直插式)和TO-263(表面贴装)
- 开关频率:固定150kHz,支持小型滤波元件设计
2. 关键特性
- 高效率:典型效率达73%-90%(取决于版本和负载)
- 保护功能:热关断、电流限制、软启动、错误标志输出
- 低功耗待机:典型静态电流80μA
- 简化设计:内置频率补偿,支持标准电感器
3. 应用场景
- 高效降压(Buck)稳压器
- 线性稳压器的预调节器
- 正负电压转换器(如生成-5V输出)
4. 设计要点
- 电感选择:需根据输入电压和负载电流从推荐值中选择(如33μH–330μH),需注意饱和电流和温升。
- 电容要求:
- 输入电容(CIN) :低ESR电解或钽电容,RMS电流需≥1/2负载电流。
- 输出电容(COUT) :低ESR电解/钽电容(82μF–820μF),ESR影响纹波和稳定性。
- 二极管:推荐肖特基二极管(如1N5825),需满足反向电压≥1.25×VIN。
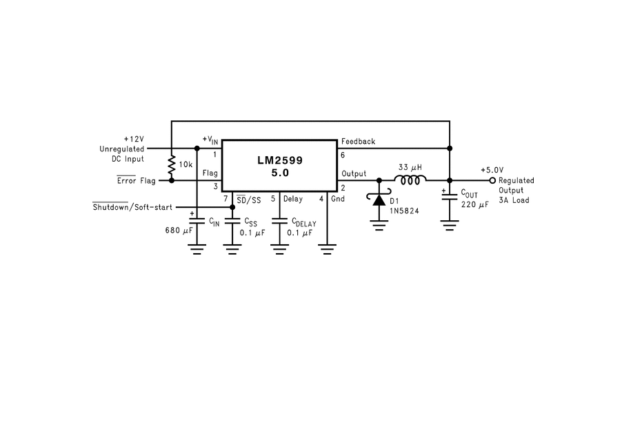
5. 典型电路配置
- 固定输出电路:需外接电感、电容、二极管,支持软启动和错误标志功能。
- 可调输出电路:通过电阻分压网络(R1/R2)设定电压,需添加前馈电容(CFF)增强稳定性。
6. 热管理建议
- TO-220封装:需散热器,结温升取决于输入/输出电压和负载。
- TO-263封装:依赖PCB铜箔散热,建议≥0.4平方英寸2oz铜层。
7. 文档结构
- 包含电气特性、引脚功能、典型应用电路、布局指南及热性能曲线等完整设计数据。