时间:2025-06-27 15:58
人气:
作者:admin
同步整流芯片U711XW系列(U7116W/U7110W)快充电源方案参考:
1. U7116W+U8722DE,可做PD30W快充电源方案;+U8722DH,可做非标PD30W方案;+U8722EE,可做到45W;
2. 同步整流芯片U7110W+U8722DE,可做PD30W-36W快充电源方案;+U8722EE,可做50W-60W。
同步整流芯片U7116W/U7110W是一款高频率、高性能、CCM同步整流开关,可以在GaN系统中替代肖特基整流二极管以提高系统效率。U711XW内置有VDD高压供电模块,无需辅助绕组供电可稳定工作,系统上支持High Side 和 Low Side配置,兼顾了系统性能和成本。U711XW的快速关断功能可以帮助功率器件获得较低的电压应力,可支持断续工作模式(DCM)、准谐振工作模式(QR)及连续工作模式(CCM)。
U7116W/U7110W
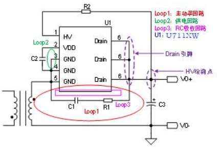
同步整流芯片U7116W/U7110WPCB设计对同步整流的性能会产生显著影响,设计同步整流电路时建议参考图2和图3的内容。图3为PCB布局设计参考,包含U711XW、变压器副边引脚和输出滤波电容等。

1. 副边主功率回路Loop1的面积尽可能小。
2. VDD电容推荐使用1μF的贴片陶瓷电容,尽量紧靠IC,Loop2的面积尽可能小。
3. HV到Drain建议串联30~200Ω的电阻,推荐典型值100Ω。HV检测点位置对CCM应力有影响,HV检测点离Drain引脚越远,CCM应力越小。如图3所示的High Side 配置中,建议HV通过R2电阻连接到输出电容的正端。
4. R1和C1构成同步整流开关的RC吸收电路,RC吸收回路Loop3的面积可能小。
5. Drain引脚的PCB散热面积尽可能大。
6. 如图3所示,ASOP-6的封装框架与Drain引脚电位相同,芯片切筋后,框架金属有少量暴露,考虑到绝缘要求,外围元器件应与IC本体保持0.2mm以上的绝缘距离

同步整流芯片U7116W/U7110W内部集成有智能的开通检测功能,可以有效防止反激电路中寄生参数振荡引起的同步整流开关误开通,采用ASOP-6封装,功率扩展到30~45W,推荐输出电压3-21V!