TPS54340 是一款 42 V、3.5 A 降压稳压器,集成了高压侧 MOSFET。该器件可承受高达 45 V 的负载突降脉冲,符合 ISO 7637 标准。电流模式控制提供简单的外部补偿和灵活的元件选择。低纹波脉冲跳跃模式将空载电源电流降至 146 μA。当使能引脚被拉低时,关断电源电流降至 1 μA。
欠压锁定在内部设置为 4.3 V,但可以使用使能引脚增加。输出电压启动斜坡由内部控制,以提供受控启动并消除过冲。
*附件:tps54340.pdf
宽开关频率范围允许优化效率或外部元件尺寸。频率折返和热关断可在过载情况下保护内部和外部组件。
TPS54340 采用 8 端子热增强型 HSOP PowerPAD™ 封装。
特性
- 4.5 V 至 42 V(最大 45 V 绝对值)输入范围
- 3.5 A 连续电流,4.5 A 最小峰值电感器电流限制
- 电流模式控制 DC-DC 转换器
- 92mΩ 高侧 MOSFET
- 轻负载时具有高效率,具有脉冲跳跃 Eco 模式™
- 轻负载时的低压差,具有集成的 BOOT Recharge FET
- 146 μA 工作静态电流
- 1 μA 关断电流
- 100 kHz 至 2.5 MHz 固定开关频率
- 与 External Clock 同步
- 可调 UVLO 电压和滞后
- 内部软启动
- 精确的逐周期电流限制
- 热保护、过压保护和频率折返保护
- 0.8 V 1% 内部电压基准
- 带 PowerPAD™ 封装的 8 端子 HSOP
- –40°C 至 150°C T
J工作范围
参数

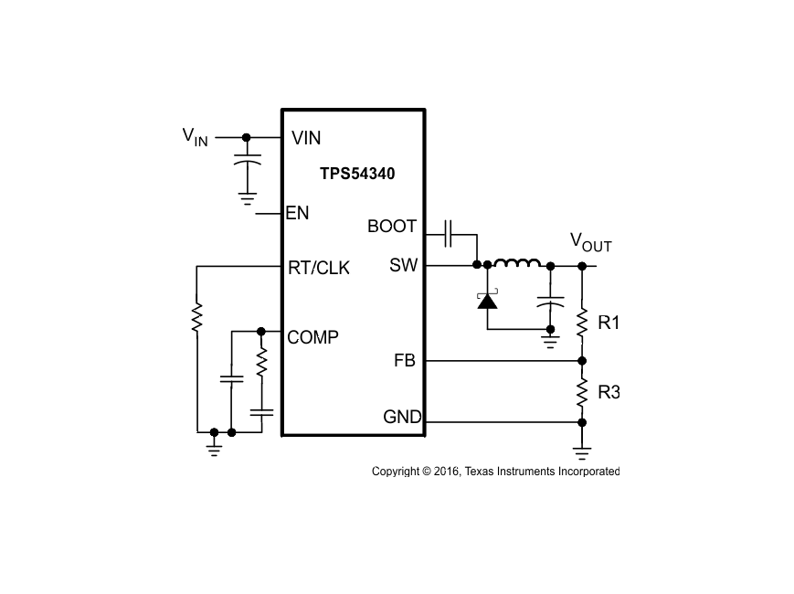
方框图

1. 产品概述
- 产品名称:TPS54340
- 类型:42V输入,3.5A,降压DC-DC转换器
- 特点:集成高侧MOSFET,Eco-mode™,固定开关频率
2. 主要特性
- 输入电压范围:4.5V至42V(绝对最大值为45V)
- 输出电流:连续电流3.5A,峰值电流限制为4.5A
- 开关频率:100kHz至2.5MHz
- 效率:轻载时高效率,具有脉冲跳过Eco-mode™
- 保护功能:过温保护、过压保护、频率折返保护
- 封装:8引脚HSOP PowerPAD™封装
3. 应用领域
4. 功能特点
- Eco-mode™ :轻载时降低无负载供电电流至146μA,提高效率
- 低压差操作:集成BOOT充电FET,支持低压差操作
- 软启动:内部软启动控制,避免启动过冲
- 同步时钟:RT/CLK引脚可同步至外部时钟
- UVLO调整:通过EN引脚可调整欠压锁定阈值
5. 电气特性
- 操作静态电流:146μA(非切换)
- 关断电流:1μA
- 电压参考:0.8V,精度±1%
- 高侧MOSFET导通电阻:92mΩ
6. 热性能
- 结到环境热阻(θJA) :42°C/W
- 工作温度范围:-40°C至150°C
7. 设计考虑
- 电感选择:根据输出电流和纹波要求选择
- 输出电容:根据负载瞬态响应要求选择
- BOOT电容:0.1μF陶瓷电容,X7R或X5R介质
- 布局建议:提供低电感地路径,关键组件靠近IC放置
8. 保护机制
- 过流保护:周期限流
- 过温保护:结温超过176°C时关断
- 过压保护:输出过压时关断高侧MOSFET
9. 封装与尺寸
- 封装类型:HSOP PowerPAD™
- 尺寸:4.89mm x 3.9mm
10. 设计工具与支持
- 提供WEBENCH Power Designer工具进行自定义设计
- 提供相关文档、社区资源和技术支持
11. 总结
TPS54340是一款高性能的降压DC-DC转换器,适用于工业和汽车电源系统。其特点包括宽输入电压范围、高效率、多种保护功能以及灵活的同步时钟和外部组件选择。文件详细描述了产品的电气特性、设计考虑、保护机制以及封装信息,为用户提供了全面的设计参考。