时间:2025-07-22 08:32
人气:
作者:admin
Flose
作为一名刚毕业的学生,怀揣着对未来的憧憬和对专业的热爱,秉承着“菜就多练”的信念,长期活跃于嵌入式技术交流社区,热衷于探索新技术、分享实践经验、开源实战项目,主要方向为工业总线技术、PLC、FOC等。
前言
我最初了解先楫是HPM6E00系列刚发布的时候,那时刚好在学习FOC,并了解到EtherCAT是主流的电机通信协议之一,HPM6E00在具有高性能的同时还内嵌了ESC(那时国内还没有内嵌ESC的MCU),给我留下了很深的印象,甚至一度想买一块EVK来玩,但苦于囊中羞涩,最终只能望而却步,我转而购买了ZLG的EtherCAT转SPI的模块来进行学习,并开源了EtherCAT总线迷你FOC驱动器。
不久后群友(RCSN嵌入式)告知我HPM5E00系列可以非常完美的完成我这个项目并且成本极低,于是我转而去了解HPM5E00系列,但是当时5E00还不向大众进行销售,SDK也还没有更新。幸运的是在官网可以找到5E00的手册,于是在六月之初就启动了这个计划,并在七月初在RCSN佬的芯片资助下完成了本项目的硬件验证。
项目介绍
LuckyCAT是一款采用先楫半导体 HPM5E31 芯片,支持EtherCAT主从站开发的工业嵌入式开发板,适用于刀片IO、PLC、伺服电机等工业嵌入式应用,主频高达480MHz,能满足复杂的逻辑设计需求,原理图PCB全开源,提供入门资料和视频方便新手快速上手开发。
480MHz主频 Andes RISC-V CPU
32KB 高速缓存 (I/D Cache) 和共计高达 256KB 的零等待指令加数据本地存储器 (ILM / DLM),256KB 通用 SRAM
EtherCAT从站控制器(2端口)
100Mbps以太网
内置 1 MB Flash 闪存
1.29寸 OLED单色屏
仓库地址:
Github
https://github.com/coinlockerbaby/LuckyCAT_HardWare
https://github.com/coinlockerbaby/LuckyCAT_SoftWare
立创开源硬件平台:
https://oshwhub.com/undefined-innovation/hpmduino_dev
硬件:功能介绍

硬件:引脚功能划分

在设计之初对这个开发板的功能进行了明确的规划,将EtherCAT、OLED置于开发板上,能够在不借助拓展板的情况下通过多个开发板之间的网线连接来学习EtherCAT主从站的知识,而PWM、MCAN、ADC等功能则通过40PIN排针/排母进行引出,方便后续制作特定功能的拓展板。
注:在设计时5E00还没有在HPM PinMuxTool中支持,上述引脚分配为人工比对手册分配,现在发现在HPM PinMuxTool已经支持了5E00,如果你需要自己设计板子可以直接使用PinMuxTool来分配引脚,非常方便。
硬件:40PIN排针/排母PinOut图

目前计划内支持的拓展板
拓展板名 | 功能(计划) |
PLC_Shield | 数字IO+模拟IO+RS485 |
FOC_Shield | 带一个PMSM/BLDC+FDCAN |
DCU_Shield | 4xFDCAN |
硬件:电源系统

HPM电源需要提供内部DCDC输入(DCDC_LP)、内部LDO输入(VPMC)、内核电压(VDD_SOC)、IO电压(VIO)、模拟域电压(VANA)、模拟参考电压(VREFH、VREFL),同时还要给内部DCDC提供功率电感和反馈( DCDC_SNS )。


并提供单独的一路ADC供电,减少干扰。
硬件:时钟
提供24MHz的外部晶振以驱动内部PLL产生各模块所需的频率。

硬件:功能按钮与指示灯
1.复位引脚连接到按键与JTAG接口,通过RC电路实现上拉+消抖功能。
2.WKUP引脚进行下拉处理,按键按下发生上升沿触发唤醒MCU
3.通过两个按键来选择启动模式,例如如果要进入ISP只需要按下BOOT0并按下复位按钮,并且在进入APP程序后这两个按钮还能通过APP编程功能


1.电源指示灯可以指示电源芯片的工作状态,在例如电源芯片触发保护切断电源的时候能及时发现问题
2.系统指示灯可以通过APP编程功能,例如作为操作系统的心跳灯

硬件:JTAG接口
通过10Pin 2.0mm简易牛角座连接到外部调试器。
VDD串接二极管来防止JTAG与USB接口或是扩展板同时供电时产生电流倒灌。

硬件:USB接口
USB接口方面使用Type-C母座,方便使用该接口进行供电,也可以进行ISP烧录,CherryUSB对于HPM的支持非常完善(CherryUSB作者打工),用户能够基于CherryUSB非常方便的开发Bootloader程序进行USB烧录,VBUS串接二极管来防止JTAG与USB接口或是扩展板同时供电时产生电流倒灌,串接保险来防止非常规供电造成板卡损坏或是拓展板错误供电造成二极管损坏后电流倒灌冲坏调试电脑。

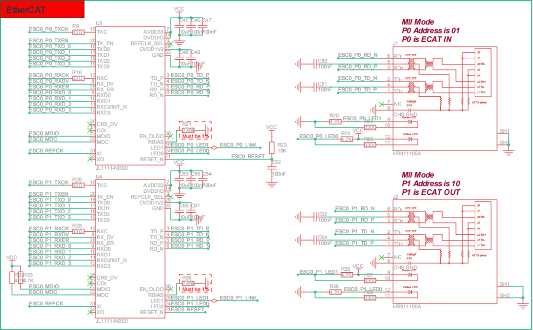
硬件:EtherCAT&以太网
使用JL1111-N032I百兆以太网PHY,参考HPM5E00EVK进行设计,EN_DLDO引脚要使用2.49K 1%精度电阻,由于该PHY是电压型PHY,所以中心抽头直接加一个对地电容。使用内置变压器的RJ45可以简化布局布线难度,在布线时要注意TD RD线做好100Ω的阻抗匹配和等长。
通过LED0和LED1引脚可以设置PHYAD,需要注意两个PHY的PHYAD不要设置成一样,建议和官方EVK设计保持一致,否则会出现无法扫描到从站或是无法级联从站的问题(已经有群友设计时没有注意到跳坑了)。
[EtherCAT]ESC配置PHY的示例 – HPMicro 知识库
https://kb.hpmicro.com/2025/03/28/esc配置phy的示例/

硬件:板载1.29寸屏幕
该屏幕采用基于 CH1115 驱动芯片的方案,由于其内置电荷泵,无需额外设计升压电路。屏幕通过 I2C 接口与 MCU 进行通信,并使用 4.7kΩ 电阻进行上拉。此外,板子上设计了上电自动复位电路,无需通过 MCU 进行复位操作,从而节省了 MCU 的 IO 资源。

实物展示

跑个分?

软件例程
示例程源码仓库
https://github.com/coinlockerbaby/LuckyCAT_SoftWare

拓展板计划
注:若需要支持扩展板,LuckyCAT的40PIN引脚请不要使用排针,而是使用Arduino Shield同款的加长排针的排母。

HPMICRO
致谢
特别鸣谢:RCSN嵌入式在开发过程中给予的帮助
感谢 CherryDAP&HScanT&LuckyCAT&先楫讨论群 群友们的大力支持
感谢嘉立创的免费打样服务
以上内容来自先楫开发者的原创分享。
我们始终相信开发者共创的力量。先楫社区坚持开源共享、互惠互利,贴近每一个开发者,一步一个脚印,一点一滴积累,为成为更好的我们而不断努力。
心之所向,锐意进取,星辰大海,恣意成长。