时间:2025-05-22 17:00
人气:
作者:admin
单芯片解决方案,开启全新体验——W55MH32 高性能以太网单片机
W55MH32是WIZnet重磅推出的高性能以太网单片机,它为用户带来前所未有的集成化体验。这颗芯片将强大的组件集于一身,具体来说,一颗W55MH32内置高性能Arm® Cortex-M3核心,其主频最高可达216MHz;配备1024KB FLASH与96KB SRAM,满足存储与数据处理需求;集成TOE引擎,包含WIZnet全硬件TCP/IP协议栈、内置MAC以及PHY,拥有独立的32KB以太网收发缓存,可供8个独立硬件socket使用。如此配置,真正实现了All-in-One解决方案,为开发者提供极大便利。
在封装规格上,W55MH32 提供了两种选择:QFN100和QFN68。
W55MH32L采用QFN100封装版本,尺寸为12x12mm,其资源丰富,专为各种复杂工控场景设计。它拥有66个GPIO、3个ADC、12通道DMA、17个定时器、2个I2C、5个串口、2个SPI接口(其中1个带I2S接口复用)、1个CAN、1个USB2.0以及1个SDIO接口。如此丰富的外设资源,能够轻松应对工业控制中多样化的连接需求,无论是与各类传感器、执行器的通信,还是对复杂工业协议的支持,都能游刃有余,成为复杂工控领域的理想选择。 同系列还有QFN68封装的W55MH32Q版本,该版本体积更小,仅为8x8mm,成本低,适合集成度高的网关模组等场景,软件使用方法一致。更多信息和资料请进入http://www.w5500.com/网站或者私信获取。
此外,本W55MH32支持硬件加密算法单元,WIZnet还推出TOE+SSL应用,涵盖TCP SSL、HTTP SSL以及 MQTT SSL等,为网络通信安全再添保障。
为助力开发者快速上手与深入开发,基于W55MH32L这颗芯片,WIZnet精心打造了配套开发板。开发板集成WIZ-Link芯片,借助一根USB C口数据线,就能轻松实现调试、下载以及串口打印日志等功能。开发板将所有外设全部引出,拓展功能也大幅提升,便于开发者全面评估芯片性能。
若您想获取芯片和开发板的更多详细信息,包括产品特性、技术参数以及价格等,欢迎访问官方网页:http://www.w5500.com/,我们期待与您共同探索W55MH32的无限可能。

第九章 RCC——使用HSE/HSI配置时钟
本章参考资料:《W55MH32参考手册》RCC章节。
学习本章时,配合《W55MH32参考手册》RCC章节一起阅读,效果会更佳,特别是涉及到寄存器说明的部分。
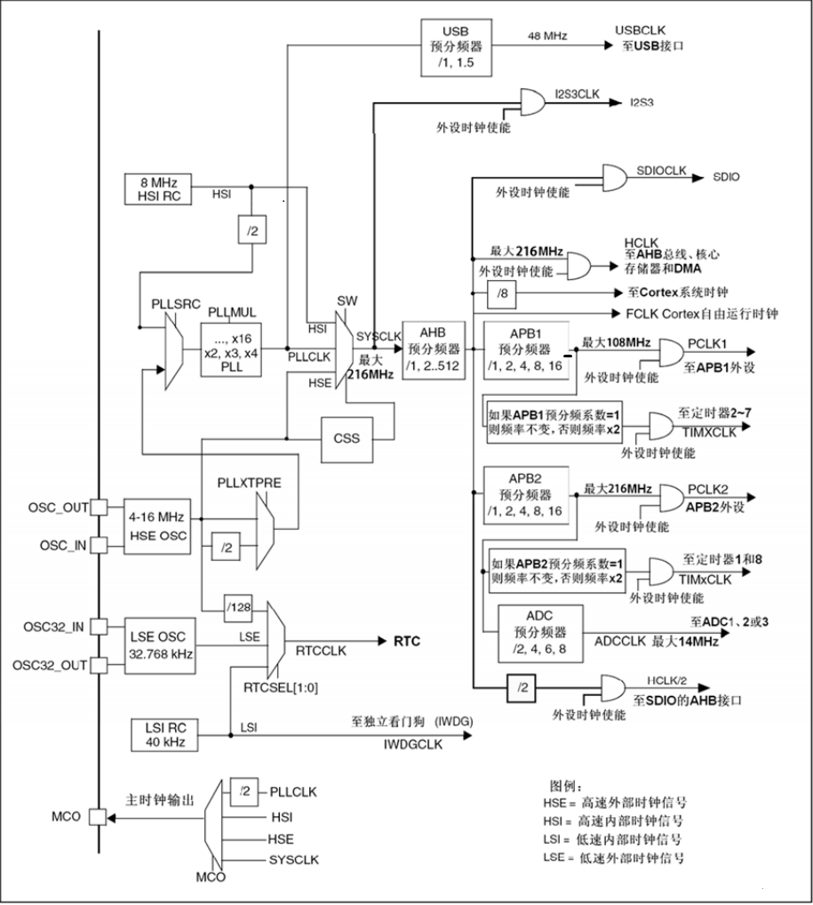
RCC :reset clock control 复位和时钟控制器。本章我们主要讲解时钟部分, 特别是要着重理解时钟树,理解了时钟树,W55MH32的一切时钟的来龙去脉都会了如指掌。
1 RCC主要作用——时钟部分
设置系统时钟SYSCLK、设置AHB分频因子(决定HCLK等于多少)、设置APB2分频因子(决定PCLK2等于多少)、 设置APB1分频因子(决定PCLK1等于多少)、设置各个外设的分频因子;控制AHB、APB2和APB1这三条总线时钟的开启、 控制每个外设的时钟的开启。对于SYSCLK、HCLK、PCLK2、PCLK1这四个时钟的配置一般是: PCLK2 = HCLK = SYSCLK=PLLCLK = 72M, PCLK1=HCLK/2 = 36M。这个时钟配置也是库函数的标准配置,我们用的最多的就是这个。
2 RCC框图剖析——时钟部分
1. 当 HSI 被用于作为 PLL 时钟的输入时,系统时钟能得到的最大频率是 108MHz。
2. 对于内部和外部时钟源的特性,请参考相应产品数据手册中“电气特性”章节。
用户可通过多个预分频器配置 AHB、高速 APB(APB2)和低速 APB(APB1)域的频率。AHB 和 APB2 域的最大频率是 216MHz。APB1 域的最大允许频率是 108MHz。SDIO 接口的时钟频率固定为 HCLK/2。RCC 通过 AHB 时钟(HCLK)8 分频后作为 Cortex 系统定时器(SysTick)的外部时钟。通过对 SysTick控制与状态寄存器的设置,可选择上述时钟或 Cortex(HCLK)时钟作为 SysTick 时钟。ADC 时钟由高速 APB2 时钟经 2、4、6 或 8 分频后获得。
定时器时钟频率分配由硬件按以下 2 种情况自动设置:
1. 如果相应的 APB 预分频系数是 1,定时器的时钟频率与所在 APB 总线频率一致。
2. 否则,定时器的时钟频率被设为与其相连的 APB 总线频率的 2 倍。
FCLK 是 Cortex™-M3 的自由运行时钟。详情见 ARM 的 Cortex™-M3 技术参考手册。RCC时钟树如下:

2.1 系统时钟
2.1.1 HSE高速外部时钟信号
HSE是高速的外部时钟信号,可以由有源晶振或者无源晶振提供,频率从4-16MHZ不等。当使用有源晶振时, 时钟从OSC_IN引脚进入,OSC_OUT引脚悬空,当选用无源晶振时,时钟从OSC_IN和OSC_OUT进入,并且要配谐振电容。
HSE最常使用的就是8M的无源晶振。当确定PLL时钟来源的时候,HSE可以不分频或者2分频, 这个由时钟配置寄存器CFGR的位17:PLLXTPRE设置,我们设置为HSE不分频。
PLL时钟源
内部 PLL 可以用来倍频 HSIRC 的输出时钟或 HSE 晶体输出时钟。参考图 7 和时钟控制寄存器。
PLL 的设置(选择 HIS 振荡器除 2 或 HSE 振荡器为 PLL 的输入时钟,和选择倍频因子)必须在其被激活前完成。一旦 PLL 被激活,这些参数就不能被改动。
如果 PLL 中断在时钟中断寄存器里被允许,当 PLL 准备就绪时,可产生中断申请。
如果需要在应用中使用 USB 接口,PLL 必须被设置为输出 48 或 72MHZ 时钟,用于提供 48MHz 的USBCLK 时钟。
PLL时钟PLLCLK
通过设置PLL的倍频因子,可以对PLL的时钟来源进行倍频,倍频因子可以是:[2,3,4,5,6,7,8,9,10,11,12,13,14,15,16], 具体设置成多少,由时钟配置寄存器CFGR的位21-18:PLLMUL[3:0]设置。我们这里设置为9倍频, 因为上一步我们设置PLL的时钟来源为HSE=8M,所以经过PLL倍频之后的PLL时钟:PLLCLK = 8M *9 = 72M。 72M是ST官方推荐的稳定运行时钟,如果你想超频的话,增大倍频因子即可,最高为128M。 我们这里设置PLL时钟:PLLCLK = 8M *9 = 72M。
系统时钟(SYSCLK)选择
系统复位后,HSI 振荡器被选为系统时钟。当时钟源被直接或通过 PLL 间接作为系统时钟时,它将不能被停止。
只有当目标时钟源准备就绪了(经过启动稳定阶段的延迟或 PLL 稳定),从一个时钟源到另一个时钟源的切换才会发生。在被选择时钟源没有就绪时,系统时钟的切换不会发生。直至目标时钟源就绪,才发生切换。
在时钟控制寄存器(RCC_CR)里的状态位指示哪个时钟已经准备好了,哪个时钟目前被用作系统时钟。
AHB总线时钟HCLK
系统时钟SYSCLK经过AHB预分频器分频之后得到时钟叫APB总线时钟,即HCLK,分频因子可以是:[1,2,4,8,16,64,128,256,512], 具体的由时钟配置寄存器CFGR的位7-4 :HPRE[3:0]设置。片上大部分外设的时钟都是经过HCLK分频得到, 至于AHB总线上的外设的时钟设置为多少,得等到我们使用该外设的时候才设置, 我们这里只需粗线条的设置好APB的时钟即可。
APB2总线时钟PCLK2
APB2总线时钟PCLK2由HCLK经过高速APB2预分频器得到,分频因子可以是:[1,2,4,8,16],具体由时钟配置寄存器CFGR的位13-11:PPRE2[2:0]决定。 PCLK2属于高速的总线时钟,片上高速的外设就挂载到这条总线上,比如全部的GPIO、USART1、SPI1等。至于APB2总线上的外设的时钟设置为多少, 得等到我们使用该外设的时候才设置,我们这里只需粗线条的设置好APB2的时钟即可。
APB1总线时钟PCLK1
APB1总线时钟PCLK1由HCLK经过低速APB预分频器得到,分频因子可以是:[1,2,4,8,16],具体的由时钟配置寄存器CFGR的位10-8:PRRE1[2:0]决定。 PCLK1属于低速的总线时钟,最高为36M,片上低速的外设就挂载到这条总线上,比如USART2/3/4/5、SPI2/3,I2C1/2等。 至于APB1总线上的外设的时钟设置为多少,得等到我们使用该外设的时候才设置,我们这里只需粗略的设置好APB1的时钟即可。
2.1.2 设置系统时钟库函数
上面的7个步骤对应的设置系统时钟库函数如下,该函数截取自固件库文件system_w55mh32.c。为了方便阅读, 我已把互联型相关的代码删掉,把英文注释翻译成了中文,并把代码标上了序号,总共七个步骤。该函数是直接操作寄存器的, 有关寄存器部分请参考数据手册的RCC的寄存器描述部分。
代码清单:RCC-1 设置系统时钟库函数
static void SetSysClockTo72(void)
{
__IO uint32_t StartUpCounter = 0, HSEStatus = 0;
// ① 使能HSE,并等待HSE稳定
RCC->CR |= ((uint32_t)RCC_CR_HSEON);
// 等待HSE启动稳定,并做超时处理
do {
HSEStatus = RCC->CR & RCC_CR_HSERDY;
StartUpCounter++;
} while ((HSEStatus == 0)
&&(StartUpCounter !=HSE_STARTUP_TIMEOUT));
if ((RCC->CR & RCC_CR_HSERDY) != RESET) {
HSEStatus = (uint32_t)0x01;
} else {
HSEStatus = (uint32_t)0x00;
}
// HSE启动成功,则继续往下处理
if (HSEStatus == (uint32_t)0x01) {
//-----------------------------------------------------------
// 使能FLASH 预存取缓冲区 */
FLASH->ACR |= FLASH_ACR_PRFTBE;
// SYSCLK周期与闪存访问时间的比例设置,这里统一设置成2
// 设置成2的时候,SYSCLK低于48M也可以工作,如果设置成0或者1的时候,
// 如果配置的SYSCLK超出了范围的话,则会进入硬件错误,程序就死了
// 0:0 < SYSCLK <= 24M
// 1:24< SYSCLK <= 48M
// 2:48< SYSCLK <= 72M */
FLASH- >ACR &= (uint32_t)((uint32_t)~FLASH_ACR_LATENCY);
FLASH->ACR |= (uint32_t)FLASH_ACR_LATENCY_2;
//------------------------------------------------------------
// ② 设置AHB、APB2、APB1预分频因子
// HCLK = SYSCLK
RCC->CFGR |= (uint32_t)RCC_CFGR_HPRE_DIV1;
//PCLK2 = HCLK
RCC->CFGR |= (uint32_t)RCC_CFGR_PPRE2_DIV1;
//PCLK1 = HCLK/2
RCC->CFGR |= (uint32_t)RCC_CFGR_PPRE1_DIV2;
// ③ 设置PLL时钟来源,设置PLL倍频因子,PLLCLK = HSE * 9 = 72 MHz
RCC->CFGR &= (uint32_t)((uint32_t)
~(RCC_CFGR_PLLSRC
| RCC_CFGR_PLLXTPRE
| RCC_CFGR_PLLMULL));
RCC->CFGR |= (uint32_t)(RCC_CFGR_PLLSRC_HSE
| RCC_CFGR_PLLMULL9);
// ④ 使能 PLL
RCC->CR |= RCC_CR_PLLON;
// ⑤ 等待PLL稳定
while ((RCC->CR & RCC_CR_PLLRDY) == 0) {
}
// ⑥ 选择PLL作为系统时钟来源
RCC->CFGR &= (uint32_t)((uint32_t)~(RCC_CFGR_SW));
RCC->CFGR |= (uint32_t)RCC_CFGR_SW_PLL;
// ⑦ 读取时钟切换状态位,确保PLLCLK被选为系统时钟
while ((RCC->CFGR&(uint32_t)RCC_CFGR_SWS) != (uint32_t)0x08){
}
} else {// 如果HSE启动失败,用户可以在这里添加错误代码出来
}
}
2.2 其他时钟
通过对系统时钟设置的讲解,整个时钟树我们已经把握的有六七成,剩下的时钟我们讲解几个重要的部分。
2.2.1 USB时钟
USB时钟是由PLLCLK经过USB预分频器得到,分频因子可以是:[1,1.5],具体的由时钟配置寄存器CFGR的位22:USBPRE配置。 USB的时钟最高是48M,根据分频因子反推过来算,PLLCLK只能是48M或者是72M。一般我们设置PLLCLK=72M,USBCLK=48M。 USB对时钟要求比较高,所以PLLCLK只能是由HSE倍频得到,不能使用HSI倍频。
2.2.2 Cortex系统时钟
Cortex系统时钟由HCLK 8分频得到,等于9M, Cortex系统时钟用来驱动内核的系统定时器SysTick,SysTick一般用于操作系统的时钟节拍,也可以用做普通的定时。
2.2.3 ADC时钟
ADC时钟由PCLK2经过ADC预分频器得到,分频因子可以是[2,4,6,8],具体的由时钟配置寄存器CFGR的位15-14:ADCPRE[1:0]决定。 很奇怪的是怎么没有1分频。ADC时钟最高只能是14M,如果采样周期设置成最短的1.5个周期的话,ADC的转换时间可以达到最短的1us。 如果真要达到最短的转换时间1us的话,那ADC的时钟就得是14M,反推PCLK2的时钟只能是:28M、56M、84M、112M。
2.2.4 RTC时钟、独立看门狗时钟
RTC时钟可由HSE/128分频得到,也可由低速外部时钟信号LSE提供,频率为32.768KHZ,也可由低速内部时钟信号LSI提供, 具体选用哪个时钟由备份域控制寄存器BDCR的位9-8:RTCSEL[1:0]配置。独立看门狗的时钟由LSI提供, 且只能是由LSI提供,LSI是低速的内部时钟信号,频率为30~60KHZ直接不等,一般取40KHZ。
2.2.5 MCO时钟输出
MCO是microcontroller clock output的缩写,是微控制器时钟输出引脚,在W55MH32系列中 由 PA8复用所得, 主要作用是可以对外提供时钟,相当于一个有源晶振。MCO的时钟来源可以是:PLLCLK/2、HSI、HSE、SYSCLK, 具体选哪个由时钟配置寄存器CFGR的位26-24:MCO[2:0]决定。除了对外提供时钟这个作用之外, 我们还可以通过示波器监控MCO引脚的时钟输出来验证我们的系统时钟配置是否正确。
3 时钟配置
3.1RCC_HSIConfig
1. 头文件包含与全局定义
#include < stdlib.h > #include < string.h > #include < stdio.h > #include "delay.h" #include "w55mh32.h" #include "wiz.h" USART_TypeDef *USART_TEST = USART1;
头文件:包含标准库和硬件相关头文件(w55mh32.h)、延时函数(delay.h)、自定义硬件抽象层(wiz.h)。
全局变量:定义串口外设指针 USART_TEST 指向 USART1。
2. 函数声明
void UART_Configuration(uint32_t bound); void RCC_ClkConfiguration(void);
UART_Configuration:配置串口通信。
RCC_ClkConfiguration:配置系统时钟(RCC,复位与时钟控制)。
3. main ()函数:系统初始化与主逻辑
int main(void)
{
RCC_ClocksTypeDef clocks;
RCC_ClkConfiguration(); // 配置系统时钟
delay_init(); // 初始化延时函数
UART_Configuration(115200); // 配置串口(波特率 115200)
printf("RCC HSI Config Test.n");
RCC_GetClocksFreq(&clocks); // 获取系统时钟频率
// 打印各时钟频率
printf("nSYSCLK: %3.1fMhz, nHCLK: %3.1fMhz, nPCLK1: %3.1fMhz, nPCLK2: %3.1fMhz, nADCCLK: %3.1fMhzn",
(float)clocks.SYSCLK_Frequency / 1000000,
(float)clocks.HCLK_Frequency / 1000000,
(float)clocks.PCLK1_Frequency / 1000000,
(float)clocks.PCLK2_Frequency / 1000000,
(float)clocks.ADCCLK_Frequency / 1000000);
while (1) {} // 主循环(空,等待事件)
}
功能:
初始化系统时钟(HSI + PLL)。
初始化串口,通过 printf 输出时钟频率信息。
进入无限循环,程序无实际业务逻辑,仅验证时钟和串口配置。
4. RCC_ClkConfiguration ()函数:系统时钟配置
void RCC_ClkConfiguration(void)
{
RCC_DeInit(); // 复位 RCC 到默认状态
// 启用 HSI(高速内部时钟,默认 16MHz)
RCC_HSICmd(ENABLE);
while (RCC_GetFlagStatus(RCC_FLAG_HSIRDY) == RESET); // 等待 HSI 就绪
// 配置 PLL(PLL 输入 = HSI/2,PLL 倍频 = 32)
RCC_PLLCmd(DISABLE); // 先禁用 PLL
WIZ_RCC_PLLConfig(
RCC_PLLSource_HSI_Div2, // PLL 时钟源:HSI/2(8MHz)
RCC_PLLMul_32, // PLL 倍频:32(8MHz × 32 = 256MHz)
1 // 保留参数(未使用)
);
RCC_PLLCmd(ENABLE); // 启用 PLL
while (RCC_GetFlagStatus(RCC_FLAG_PLLRDY) == RESET); // 等待 PLL 就绪
// 设置系统时钟源为 PLL(256MHz)
RCC_SYSCLKConfig(RCC_SYSCLKSource_PLLCLK);
// 配置总线时钟分频
RCC_HCLKConfig(RCC_SYSCLK_Div1); // HCLK = SYSCLK(256MHz)
RCC_PCLK1Config(RCC_HCLK_Div2); // PCLK1 = HCLK/2(128MHz)
RCC_PCLK2Config(RCC_HCLK_Div1); // PCLK2 = HCLK(256MHz)
// 启用 LSI(低速内部时钟,默认 40kHz)
RCC_LSICmd(ENABLE);
while (RCC_GetFlagStatus(RCC_FLAG_LSIRDY) == RESET);
// 重复启用 HSI(冗余代码,HSI 已启用)
RCC_HSICmd(ENABLE);
while (RCC_GetFlagStatus(RCC_FLAG_HSIRDY) == RESET);
}
时钟配置流程:
复位 RCC:重置所有时钟配置。
启用 HSI:使用内部 16MHz 时钟。
配置 PLL:输入:HSI/2 = 8MHz。
输出:8MHz × 32 = 256MHz(系统时钟 SYSCLK)。
选择 PLL 作为系统时钟源。
总线分频:
HCLK(AHB 总线):256MHz(不分频)。
PCLK1(APB1 总线):128MHz(HCLK/2)。
PCLK2(APB2 总线):256MHz(不分频)。
启用 LSI:用于独立看门狗或 RTC(未在代码中使用)。
冗余操作:重复启用 HSI(无实际意义,HSI 已就绪)。
注意:
PLL 输出频率需符合芯片规格(如 W55MH32 的最大 SYSCLK 为 256MHz)。
WIZ_RCC_PLLConfig ()是自定义函数(来自 wiz.h),用于扩展 PLL 配置。
5. UART_Configuration ()函数:串口初始化
void UART_Configuration(uint32_t bound)
{
GPIO_InitTypeDef GPIO_InitStructure;
USART_InitTypeDef USART_InitStructure;
// 使能串口和 GPIO 时钟
RCC_APB2PeriphClockCmd(RCC_APB2Periph_USART1, ENABLE);
RCC_APB2PeriphClockCmd(RCC_APB2Periph_GPIOA, ENABLE);
// 配置 TX 引脚(PA9):复用推挽输出
GPIO_InitStructure.GPIO_Pin = GPIO_Pin_9;
GPIO_InitStructure.GPIO_Speed = GPIO_Speed_50MHz;
GPIO_InitStructure.GPIO_Mode = GPIO_Mode_AF_PP;
GPIO_Init(GPIOA, &GPIO_InitStructure);
// 配置 RX 引脚(PA10):浮空输入
GPIO_InitStructure.GPIO_Pin = GPIO_Pin_10;
GPIO_InitStructure.GPIO_Mode = GPIO_Mode_IN_FLOATING;
GPIO_Init(GPIOA, &GPIO_InitStructure);
// 串口参数配置
USART_InitStructure.USART_BaudRate = bound; // 波特率
USART_InitStructure.USART_WordLength = USART_WordLength_8b; // 8 位数据
USART_InitStructure.USART_StopBits = USART_StopBits_1; // 1 位停止位
USART_InitStructure.USART_Parity = USART_Parity_No; // 无校验
USART_InitStructure.USART_HardwareFlowControl = USART_HardwareFlowControl_None; // 无流控
USART_InitStructure.USART_Mode = USART_Mode_Rx | USART_Mode_Tx; // 收发模式
USART_Init(USART_TEST, &USART_InitStructure); // 初始化串口
USART_Cmd(USART_TEST, ENABLE); // 使能串口
}
功能:
使能 USART1 和 GPIOA 时钟。
配置 PA9(TX)为复用推挽输出,PA10(RX)为浮空输入。
初始化串口参数(波特率、数据位、停止位等)。
使能串口。
6. 串口输出函数
int SER_PutChar(int ch)
{
while (!USART_GetFlagStatus(USART_TEST, USART_FLAG_TC)); // 等待发送完成
USART_SendData(USART_TEST, (uint8_t)ch); // 发送字符
return ch;
}
int fputc(int c, FILE *f)
{
if (c == 'n') SER_PutChar('r'); // 换行符添加回车(适配终端)
return SER_PutChar(c); // 重定向 printf 到串口
}
核心功能:
系统时钟配置:
使用 HSI(16MHz)作为 PLL 输入,PLL 倍频 32 倍,生成 256MHz 系统时钟。
总线分频:HCLK=256MHz,PCLK1=128MHz,PCLK2=256MHz。
串口通信:配置 USART1 为 115200 波特率,用于printf输出。
测试验证:打印系统各时钟频率,验证时钟配置正确性。
3.1.1 实验现象
把编译好的程序下载到开发板,可以看到设置不同的系统时钟:

3.2 RCC_HighFrequencyConfig
程序运行:
1. 头文件与全局变量
引入了标准库的头文件以及自定义的delay.h、w55mh32.h、wiz.h头文件,为程序提供所需的函数和数据类型。
定义全局变量USART_TEST并将其指向USART1,用于后续的串口通信操作。
2. 函数声明
对UART_Configuration()和RCC_ClkConfiguration()函数进行声明,前者用于配置串口,后者用于配置系统时钟。
主函数main():
int main(void)
{
RCC_ClocksTypeDef clocks;
RCC_ClkConfiguration();
delay_init();
UART_Configuration(115200);
printf("RCC Clock Config Test.n");
RCC_GetClocksFreq(&clocks);
printf("n");
printf("SYSCLK: %3.1fMhz, nHCLK: %3.1fMhz, nPCLK1: %3.1fMhz, nPCLK2: %3.1fMhz, nADCCLK: %3.1fMhzn",
(float)clocks.SYSCLK_Frequency / 1000000, (float)clocks.HCLK_Frequency / 1000000,
(float)clocks.PCLK1_Frequency / 1000000, (float)clocks.PCLK2_Frequency / 1000000, (float)clocks.ADCCLK_Frequency / 1000000);
while (1)
{
}
}
初始化完成之后,使用printf()函数打印输出系统时钟、AHB 总线时钟、APB1 总线时钟、APB2 总线时钟和 ADC 时钟的频率信息,随后进入无限循环,使程序持续运行。
4. RCC_ClkConfiguration()函数的主要流程:
复位 RCC 寄存器,为后续的时钟配置做准备。
使能外部高速时钟(HSE),并等待其稳定。
禁用 PLL,重新配置 PLL 的时钟源和倍频系数。
使能 PLL,并等待其稳定。
把系统时钟源设置为 PLL 输出。
配置 AHB、APB1 和 APB2 总线的时钟分频系数。
使能内部低速时钟(LSI)和内部高速时钟(HSI),并等待它们稳定。
5. UART_Configuration()函数
使能 USART1 和 GPIOA 的时钟。
配置 USART1 的发送引脚(PA9)为复用推挽输出模式,接收引脚(PA10)为浮空输入模式。
配置 USART1 的波特率、数据位、停止位、奇偶校验位等参数。使能 USART1。
6. SER_PutChar()函数:此函数用于向串口发送一个字符,会等待发送完成后再发送下一个字符。
7. fputc()函数:重定向标准输出函数,把字符发送到串口。若遇到换行符n,会先发送回车符r。
3.2.1 实验现象

WIZnet 是一家无晶圆厂半导体公司,成立于 1998 年。产品包括互联网处理器 iMCU™,它采用 TOE(TCP/IP 卸载引擎)技术,基于独特的专利全硬连线 TCP/IP。iMCU™ 面向各种应用中的嵌入式互联网设备。
WIZnet 在全球拥有 70 多家分销商,在香港、韩国、美国设有办事处,提供技术支持和产品营销。
香港办事处管理的区域包括:澳大利亚、印度、土耳其、亚洲(韩国和日本除外)。
审核编辑 黄宇
上一篇:第八章 启动文件详解