时间:2025-01-14 15:15
人气:
作者:admin
迅为RK3576开发板核心板与底板接口硬件介绍
迅为iTOP-3576开发板采用瑞芯微RK3576高性能、低功耗的应用处理芯片,集成了4个Cortex-A72和4个Cortex-A53核心,以及独立的NEON协处理器。它适用于ARM PC、边缘计算、个人移动互联网设备及其他多媒体产品。
为了让各个行业客户可以进行更好的开发,我们在开发板设计之初匹配了更多外设,并且在资料里提供了底板cadence的原理图以及PCB工程,可实现真正意义上的底板裁剪,使产品开发更快速。

1.核心板参数表
CPU:Rockchip RK3576
主频:4核Cortex-A72@2.3GHz+ 4核Cortex-A53@2.2Ghz
内存:4GB,硬件兼容32GB
存储器:32GB EMMC
供电参数:最小11.5V,最大12.4V,标准12V
工作环境温度:0~80度
存储环境温度:-40〜125度
工作环境湿度:10~90%RH
存储环境湿度:5~95%RH
连接器型号:80pin AXK5F80347YG AXK6F80347YG 0.5mm
连接器高度:1.5mm
核心板尺寸:6.5*5.0cm
电源管理芯片:使用RK806_S
GPU:ARM Mali-G52 MC3,OpenGL ES1.1/2.0/3.2, Vulkan 1.1, OpenCL 2.0
NPU:支持6T算力 支持INT4/INT8/INT16/FP16/BF16/TF32
多媒体:硬编码:H.264、H.265,4K@60fps
硬解码:H.264、H.265、VP9、AV1、AVS2,8K@30fps或4K@120fps
显示:支持多屏异显
支持一个HDMI/eDP TX复用接口
支持一个MIPI DSI-2 TX接口
支持一路USB/DP组合接口
系统支持:Android14系统、Debian11、Buildroot、Ubuntu等系统
Uboot版本:2017.09版本
内核版本:6.1.75版本
接口:支持USB3.2 Gen1x1 TypeC/ PCIE2.1/ SATA3.0/USB3Host/PCIE2.1
引脚扩展:引出脚多达320个,满足用户各类扩展需求
2. 核心板接口速度
串口通讯速度:常规为115200bps,最大为4Mbps
IIC通讯速度:常规为100kbps,最大为400Kbps
SPI时钟频率:最大50MHZ
USB3.0接口速度:最大5Gbps
USB2.0接口速度:最大480Mbps
PCIE2.1接口速度:最大5Gbps
CAN通讯速度:最大1Mbp
2.3核心板接口资源
iTOP-RK3576核心板接口资源支持如下表。
注:表中参数为硬件设计或CPU理论值。

4.框架示意图

迅为RK3576开发板接口介绍:

5.底板资源描述
iTOP-3576底板资源描述,如下表所示:
尺寸:190mm*125mm
POWER:电直流电源输入接口(12V供电)
SWITCH:电源开关
Ethernet:2路千兆工业级以太网,RJ45接口
USB HOST:1路USB2.0,1路USB3.0
WIFI/BT:支持
MINI PCIE:可外接mini PCIE接口的4G模块,具备
PCIE2.0单通道:4G模块支持(选配)
Type-C接口:烧写口
CAMERA接口:支持三路摄像头接口,支持OV5695摄像头和OV13850摄像头
MIPI-DSI接口:1路4通道
SIM Card:1个
独立按键:7个
RTC:实时时钟
TF Card:1个
232-UART:1路(调试串口)
RS485:1路
CAN:1路
PHONE:支持耳机输出
MIC:支持MIC输入
红外接收头:HS0038红外一体化接收头
Led:1路
SARADC:支持
6.底板原理图
1 电源管理
底板电源为直流12V电源,由DC-005插座插入,JACK1是电源插座。然后经过PS_L(电 源开关),12v会由TMI3255S/ETA8156、TMI3253SH、TMI6050-33转成5v、5.2V、3.3v,再 由MP2012DQ将5v转换为1.8v。
2 纽扣电池电路
iTOP-3576开发板的纽扣电池用来给RTC模块供电,保证在系统电源断电的情况下给RTC模块提供持续的电源,HYM8563TS是实时时钟芯片,时钟芯片通过I2C和核心板通信,原理图如下所示:

3 风扇电路
iTOP-RK3576底板引出了可调速风扇接口,
4 SARADC 接口电路
iTOP-RK3576开发板通过J18将SARADC_VIN4/VIN5/VIN6/VIN7引出,原理图如下图所示:

5 USB2.0 HOST 电路
iTOP-RK3576开发板引出一路usb2.0,电路图如下图所示:

6 USB3.0 HOST 电路
iTOP-RK3576开发板引出一路usb3.0,电路图如下图所示:

7 Type-C 电路
iTOP-RK3576开发板引出了Typec接口,用于烧录固件,
8 TF 卡电路
开发板上提供了一个自弹式TF卡座,可以支持系统启动和烧写,
9 MIPI-CSI 电路
iTOP-RK3576有两个MIPI DPHY CSI RX接口,都支持MIPI V1.2版本,每个通道最大传输速率为2.5Gbps。底板U16/U18/U19接口为摄像头接口,支持OV5695摄像头和OV13850摄像头,
10 HDMI TX 电路
RK3576内置一个HDMI/eDP TX Combo PHY。RK3576支持HDMI2.1并向下HDMI2.0,HDMI1.4兼容,
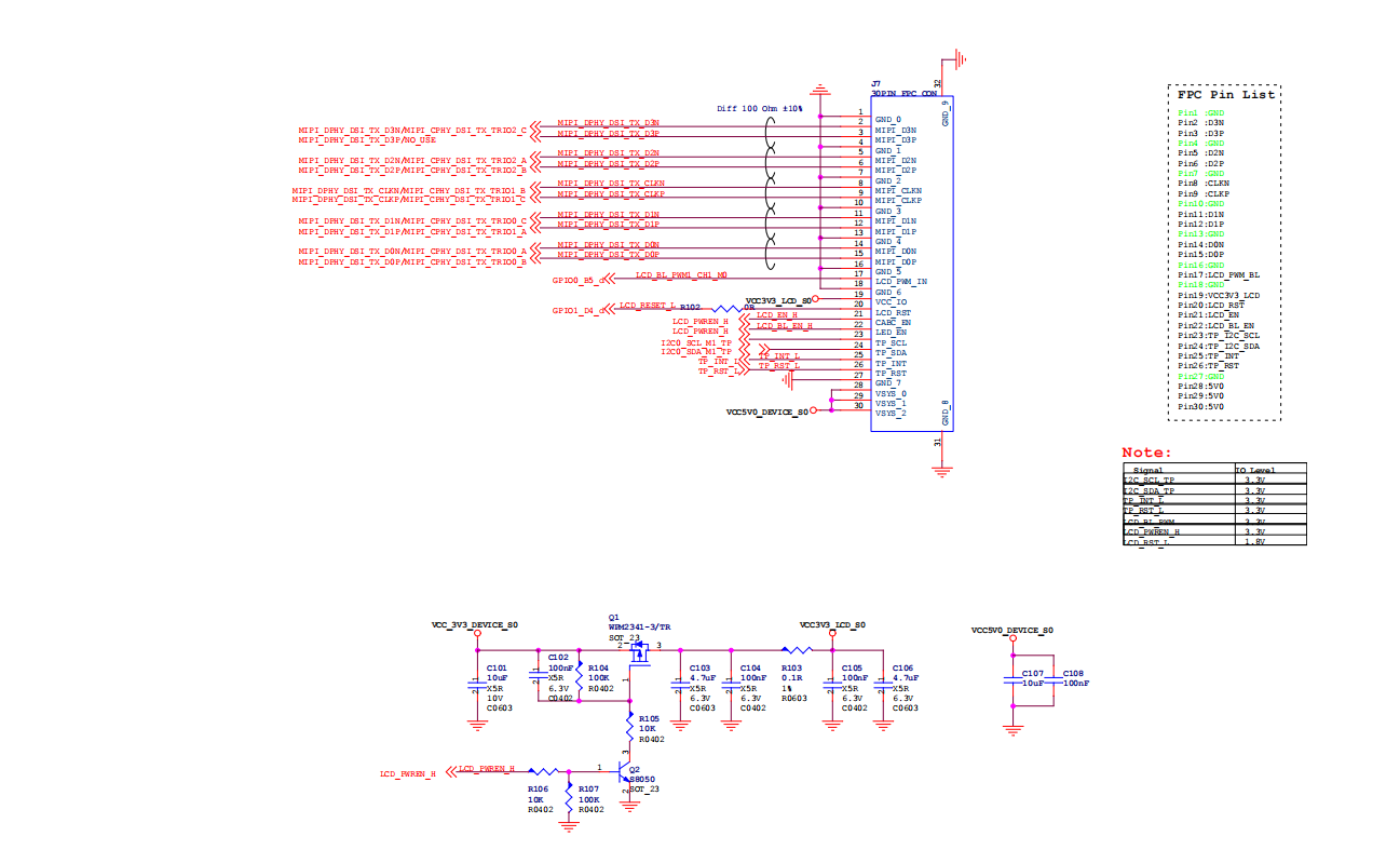
11 mipi 显示屏接口电路
RK3576处理器的MIPI_DSI最高分辨率可达4K@60Hz,最大支持4路数据通道。开发板通过30Pin,间距为0.5mm的FPC引出。

12 WiFi 蓝牙电路
开发板板载Wifi&Bluetooth一体模块,其型号为RTL8733,
13 USB2.0 HUB
OK3576-C开发板上使用一颗USB HUB芯片将单路USB2_OTG1转为4路,其中一路USB2.0提供给wifi模块使用,一路USB2.0提供给4G模块使用,一路USB2.0接口J5在底板上引出, 一路USB2.0接到USB3.0 HOST接口,
14 音频电路
iTOP-3576开发板板载了一个I2S接口的Codec芯片U23,音频电路如下图所示:其中HPOUT_R/HPOUT_L为耳机孔的左右声道接口,HP_DET_L为耳机检测接口,MIC2P/N为mic输入接口,J13和J14为喇叭接口。
15 千兆网电路
底板提供两路千兆以太网接口,使用RGMII接口形式与PHY芯片RTL8211F相连。
由RJ45插座引出,插座型号为HR911130C,内置隔离变压器。 以太网0原理图如下所示:
16 4G 电路
iTOP-3576 开发板集成一个 M.2 Key-B 接口,支持 4G EM05-CE 模块,原理图如下图所示:

17 PCIE 2.0 电路
开发板板载一个M.2接口,在开发板的背面,可以连接固态,原理图如下图所示:

18 Sensor 电路
陀螺仪传感器电路如下图所示:

19 IR 接收器电路
红外接收器电路如下图所示:

20 按键电路
iTOP-RK3576底板上有7个实体按键,
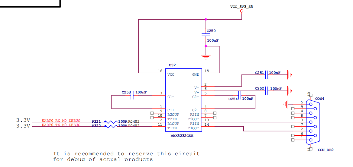
21 调试串口电路
开发板预留一路db9母座,通过MAX3232CSE转成把ttl电平转成232电平,作为调 试串 口(CON4),可以连接串口控制台,

22 485 电路
iTOP-3576开发板板载了一路RS485接口,
23 CAN 电路
iTOP-3576开发板板载了一路CAN接口,
25 GPIO 接口电路
iTOP-RK3576开发板底板上引出了20pin GPIO引脚接口J19,

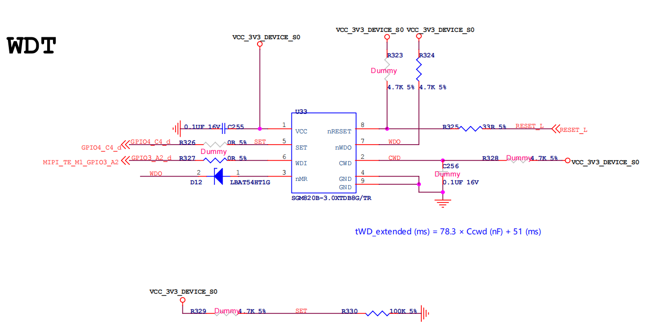
26 看门狗电路
看门狗电路如下图所示:

27 EXIO/Hole 电路
iTOP-RK3576底板上孔电路如下所示: