时间:2024-08-09 14:54
人气:
作者:admin
来源:嵌入式单片机MCU开发
本文将介绍如何驱动和利用LIS2DW12传感器,实现精确的运动感应功能。
IS2DW12是一款高性能、超低功耗的三轴线性加速度计,属于“femto”系列,利用了成熟的微机械加速度计制造工艺。这个传感器提供可选择的全量程±2g/±4g/±8g/±16g,能够以1.6 Hz至1600 Hz的数据输出率测量加速度。它包含了一个32级的先进先出(FIFO)缓冲区,用于存储数据,以减少主处理器的干预需求。
此外,LIS2DW12具备自测功能,可在最终应用中验证传感器功能,并集成了一个处理运动和加速度检测的内部引擎。这包括自由落体、唤醒、敲击识别、活动/静止监测、静止/运动检测、纵向/横向检测以及6D/4D定向等功能。

对于LIS2DW12,可以使用SPI或者IIC进行通讯。 最小系统图如下所示。

在CS管脚为1的时候,为IIC模式。

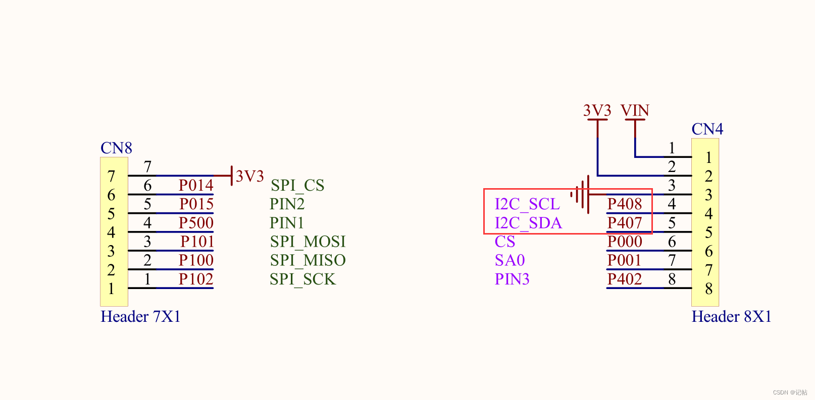
本文使用的板子原理图如下所示。


在使用IIC通讯模式的时候,SA0是用来控制IIC的地址位的。
对于IIC的地址,可以通过SDO/SA0引脚修改。SDO/SA0引脚可以用来修改设备地址的最低有效位。如果SDO/SA0引脚连接到电源电压,LSb(最低有效位)为'1'(地址0011001b);否则,如果SDO/SA0引脚连接到地线,LSb的值为'0'(地址0011000b)。

对应的IIC接口如下所示。 主要使用的管脚为CS、SCL、SDA、SA0。

该模块支持的速度为普通模式(100k)和快速模式(400k)。




本文中使用R7FA4M2AD3CFL来进行演示。


开发板上的外部高速晶振为12M.

需要修改XTAL为12M。


点击Stacks->New Stack->Driver->Connectivity -> UART Driver on r_sci_uart。


printf函数通常需要设置堆栈大小。这是因为printf函数在运行时需要使用栈空间来存储临时变量和函数调用信息。如果堆栈大小不足,可能会导致程序崩溃或不可预期的行为。
printf函数使用了可变参数列表,它会在调用时使用栈来存储参数,在函数调用结束时再清除参数,这需要足够的栈空间。另外printf也会使用一些临时变量,如果栈空间不足,会导致程序崩溃。
因此,为了避免这类问题,应该根据程序的需求来合理设置堆栈大小。


在嵌入式系统的开发中,尤其是在使用GNU编译器集合(GCC)时,–specs 参数用于指定链接时使用的系统规格(specs)文件。这些规格文件控制了编译器和链接器的行为,尤其是关于系统库和启动代码的链接。–specs=rdimon.specs 和 --specs=nosys.specs 是两种常见的规格文件,它们用于不同的场景。
–specs=rdimon.specs
用途: 这个选项用于链接“Redlib”库,这是为裸机(bare-metal)和半主机(semihosting)环境设计的C库的一个变体。半主机环境是一种特殊的运行模式,允许嵌入式程序通过宿主机(如开发PC)的调试器进行输入输出操作。
应用场景: 当你需要在没有完整操作系统的环境中运行程序,但同时需要使用调试器来处理输入输出(例如打印到宿主机的终端),这个选项非常有用。
特点: 它提供了一些基本的系统调用,通过调试接口与宿主机通信。
–specs=nosys.specs
用途: 这个选项链接了一个非常基本的系统库,这个库不提供任何系统服务的实现。
应用场景: 适用于完全的裸机程序,其中程序不执行任何操作系统调用,比如不进行文件操作或者系统级输入输出。
特点: 这是一个更“裸”的环境,没有任何操作系统支持。使用这个规格文件,程序不期望有操作系统层面的任何支持。
如果你的程序需要与宿主机进行交互(如在开发期间的调试),并且通过调试器进行基本的输入输出操作,则使用 --specs=rdimon.specs。
如果你的程序是完全独立的,不需要任何形式的操作系统服务,包括不进行任何系统级的输入输出,则使用 --specs=nosys.specs。


故可以用 R_SCI_UART_Open()函数进行配置,开启和初始化UART。
/* Open the transfer instance with initial configuration. */ err = R_SCI_UART_Open(&g_uart9_ctrl, &g_uart9_cfg); assert(FSP_SUCCESS == err);
当数据发送的时候,可以查看UART_EVENT_TX_COMPLETE来判断是否发送完毕。


可以检查检查 "p_args" 结构体中的 "event" 字段的值是否等于 "UART_EVENT_TX_COMPLETE"。如果条件为真,那么 if 语句后面的代码块将会执行。
fsp_err_t err = FSP_SUCCESS; volatile bool uart_send_complete_flag = false; void user_uart_callback (uart_callback_args_t * p_args) { if(p_args- >event == UART_EVENT_TX_COMPLETE) { uart_send_complete_flag = true; } }
打印最常用的方法是printf,所以要解决的问题是将printf的输出重定向到串口,然后通过串口将数据发送出去。 注意一定要加上头文件#include
#ifdef __GNUC__ //串口重定向 #define PUTCHAR_PROTOTYPE int __io_putchar(int ch) #else #define PUTCHAR_PROTOTYPE int fputc(int ch, FILE *f) #endif PUTCHAR_PROTOTYPE { err = R_SCI_UART_Write(&g_uart9_ctrl, (uint8_t *)&ch, 1); if(FSP_SUCCESS != err) __BKPT(); while(uart_send_complete_flag == false){} uart_send_complete_flag = false; return ch; } int _write(int fd,char *pBuffer,int size) { for(int i=0;i< size;i++) { __io_putchar(*pBuffer++); } return size; }
查看手册,可以得知LIS2DW12的IIC地址为“0011000” 或者 “0011001”,即0x18或0x19。

由于需要向LIS2DW12_I2C_ADD_L写入以及为IIC模式。


所以使能CS为高电平,配置为IIC模式。

配置SA0为低电平。

R_IOPORT_PinWrite(&g_ioport_ctrl, BSP_IO_PORT_00_PIN_00, BSP_IO_LEVEL_HIGH); R_IOPORT_PinWrite(&g_ioport_ctrl, BSP_IO_PORT_00_PIN_01, BSP_IO_LEVEL_LOW);
配置RA4M2的I2C接口,使其作为I2C master进行通信。 查看开发板原理图,对应的IIC为P407和P408。

点击Stacks->New Stack->Connectivity -> I2C Master(r_iic_master)。

设置IIC的配置,需要注意从机的地址。

R_IIC_MASTER_Open()函数为执行IIC初始化,开启配置如下所示。
/* Initialize the I2C module */ err = R_IIC_MASTER_Open(&g_i2c_master0_ctrl, &g_i2c_master0_cfg); /* Handle any errors. This function should be defined by the user. */ assert(FSP_SUCCESS == err);

R_IIC_MASTER_Write()函数是向IIC设备中写入数据,写入格式如下所示。
err = R_IIC_MASTER_Write(&g_i2c_master0_ctrl, ®, 1, true); assert(FSP_SUCCESS == err);

R_SCI_I2C_Read()函数是向IIC设备中读取数据,读取格式如下所示。
/* Read data from I2C slave */ err = R_IIC_MASTER_Read(&g_i2c_master0_ctrl, bufp, len, false); assert(FSP_SUCCESS == err);
对于数据是否发送完毕,可以查看是否获取到I2C_MASTER_EVENT_TX_COMPLETE字段。

/* Callback function */ i2c_master_event_t i2c_event = I2C_MASTER_EVENT_ABORTED; uint32_t timeout_ms = 100000; void sci_i2c_master_callback(i2c_master_callback_args_t *p_args) { i2c_event = I2C_MASTER_EVENT_ABORTED; if (NULL != p_args) { /* capture callback event for validating the i2c transfer event*/ i2c_event = p_args- >event; } }
我们可以向WHO_AM_I (0Fh)获取固定值,判断是否为0x44。

lis2dw12_device_id_get为获取函数。

对应的获取ID驱动程序,如下所示。
/* Initialize mems driver interface */ stmdev_ctx_t dev_ctx; dev_ctx.write_reg = platform_write; dev_ctx.read_reg = platform_read; dev_ctx.handle = &SENSOR_BUS; /* Wait sensor boot time */ platform_delay(BOOT_TIME); /* Check device ID */ lis2dw12_device_id_get(&dev_ctx, &whoamI); printf("LIS2DW12_ID=0x%x,whoamI=0x%xn",LIS2DW12_ID,whoamI); if (whoamI != LIS2DW12_ID) while (1) { /* manage here device not found */ }
可以向CTRL2 (21h)的SOFT_RESET寄存器写入1进行复位。

lis2dw12_reset_set为重置函数。

对应的驱动程序,如下所示。
/* Restore default configuration */ lis2dw12_reset_set(&dev_ctx, PROPERTY_ENABLE); do { lis2dw12_reset_get(&dev_ctx, &rst); } while (rst);
在很多传感器中,数据通常被存储在输出寄存器中,这些寄存器分为两部分:MSB和LSB。这两部分共同表示一个完整的数据值。例如,在一个加速度计中,MSB和LSB可能共同表示一个加速度的测量值。
连续更新模式(BDU = ‘0’):在默认模式下,输出寄存器的值会持续不断地被更新。这意味着在你读取MSB和LSB的时候,寄存器中的数据可能会因为新的测量数据而更新。这可能导致一个问题:当你读取MSB时,如果寄存器更新了,接下来读取的LSB可能就是新的测量值的一部分,而不是与MSB相对应的值。这样,你得到的就是一个“拼凑”的数据,它可能无法准确代表任何实际的测量时刻。
块数据更新(BDU)模式(BDU = ‘1’):当激活BDU功能时,输出寄存器中的内容不会在读取MSB和LSB之间更新。这就意味着一旦开始读取数据(无论是先读MSB还是LSB),寄存器中的那一组数据就被“锁定”,直到两部分都被读取完毕。这样可以确保你读取的MSB和LSB是同一测量时刻的数据,避免了读取到代表不同采样时刻的数据。
简而言之,BDU位的作用是确保在读取数据时,输出寄存器的内容保持稳定,从而避免读取到拼凑或错误的数据。这对于需要高精度和稳定性的应用尤为重要。
可以向CTRL2 (21h)的BDU寄存器写入1进行开启。

对应的驱动程序,如下所示。
/* Enable Block Data Update */ lis2dw12_block_data_update_set(&dev_ctx, PROPERTY_ENABLE);
FS[1:0] - 全量程选择:这两个位用于设置传感器的量程。量程决定了传感器可以测量的最大加速度值。例如,量程可以设置为±2g、±4g、±8g或±16g。这允许用户根据应用的特定需求调整传感器的灵敏度。

对应的驱动程序,如下所示。
/* Set full scale */ lis2dw12_full_scale_set(&dev_ctx, LIS2DW12_2g);
lis2dw12_filter_path_set(&dev_ctx, LIS2DW12_LPF_ON_OUT);:设置加速度计输出的过滤器路径。这里选择了输出上的低通滤波器(LPF),用于去除高频噪声。 lis2dw12_filter_bandwidth_set(&dev_ctx, LIS2DW12_ODR_DIV_4);:设置过滤器的带宽。这里的设置是将输出数据率(ODR)除以4,进一步决定了滤波器的截止频率。
lis2dw12_power_mode_set(&dev_ctx, LIS2DW12_HIGH_PERFORMANCE);:这个调用设置加速度计的电源模式为高性能模式。这通常意味着更高的功耗,但提供更精确的测量。
lis2dw12_data_rate_set(&dev_ctx, LIS2DW12_XL_ODR_25Hz);:设置加速度计的输出数据速率为每秒25次。输出数据速率决定了传感器多久采集一次数据,并影响数据的实时性和功耗。
/* Enable Block Data Update */ lis2dw12_block_data_update_set(&dev_ctx, PROPERTY_ENABLE); /* Set full scale */ lis2dw12_full_scale_set(&dev_ctx, LIS2DW12_2g); /* Configure filtering chain * Accelerometer - filter path / bandwidth */ lis2dw12_filter_path_set(&dev_ctx, LIS2DW12_LPF_ON_OUT); lis2dw12_filter_bandwidth_set(&dev_ctx, LIS2DW12_ODR_DIV_4); /* Configure power mode */ lis2dw12_power_mode_set(&dev_ctx, LIS2DW12_HIGH_PERFORMANCE); /* Set Output Data Rate */ lis2dw12_data_rate_set(&dev_ctx, LIS2DW12_XL_ODR_25Hz);
检查新数据是否可用: lis2dw12_flag_data_ready_get(&dev_ctx, ®);:这个函数调用检查加速度计是否有新的数据可读。如果有新数据,reg 变量将被设置为非零值。 主要为读取STATUS (27h)的DRDY位。

如果 reg 是非零的,说明有新的加速度数据可读。 lis2dw12_acceleration_raw_get(&dev_ctx, data_raw_acceleration);:这个函数调用实际读取加速度计的原始数据,并存储在 data_raw_acceleration 数组中。 数据在28h-2Dh中。


加速度数据首先以原始格式(通常是整数)读取,然后需要转换为更有意义的单位,如毫重力(mg)。这里的转换函数 lis2dw12_from_fs2_to_mg() 根据加速度计的量程(这里假设为±2g)将原始数据转换为毫重力单位。 acceleration_mg[0] = lis2dw12_from_fs2_to_mg(data_raw_acceleration[0]); 等三行代码分别转换 X、Y、Z 轴的加速度数据。

● LIS2DW12 加速度计通常会有一个固定的位分辨率,比如 16 位(即输出值是一个 16 位的整数)。这意味着加速度计可以输出的不同值的总数是 2^16=65536。这些值均匀地分布在 -2g 到 +2g 的范围内。
● 因此,这个范围(4g 或者 4000 mg)被分成了 65536 个步长。
● 每个步长的大小是 4000 mg/65536≈0.061 mg/LSB
所以,函数中的乘法 ((float_t)lsb) * 0.061f 是将原始的整数值转换为以毫重力(mg)为单位的加速度值。这个转换对于将加速度计的原始读数转换为实际的物理测量值是必需的。
while (1) { uint8_t reg; /* Read output only if new value is available */ lis2dw12_flag_data_ready_get(&dev_ctx, ®); if (reg) { /* Read acceleration data */ memset(data_raw_acceleration, 0x00, 3 * sizeof(int16_t)); lis2dw12_acceleration_raw_get(&dev_ctx, data_raw_acceleration); //acceleration_mg[0] = lis2dw12_from_fs8_lp1_to_mg(data_raw_acceleration[0]); //acceleration_mg[1] = lis2dw12_from_fs8_lp1_to_mg(data_raw_acceleration[1]); //acceleration_mg[2] = lis2dw12_from_fs8_lp1_to_mg(data_raw_acceleration[2]); acceleration_mg[0] = lis2dw12_from_fs2_to_mg( data_raw_acceleration[0]); acceleration_mg[1] = lis2dw12_from_fs2_to_mg( data_raw_acceleration[1]); acceleration_mg[2] = lis2dw12_from_fs2_to_mg( data_raw_acceleration[2]); printf("Acceleration [mg]:X=%4.2ftY=%4.2ftZ=%4.2frn",acceleration_mg[0], acceleration_mg[1], acceleration_mg[2]); } R_BSP_SoftwareDelay(100, BSP_DELAY_UNITS_MILLISECONDS); }