时间:2024-05-08 13:52
人气:
作者:admin
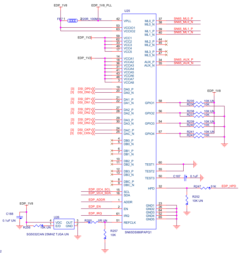
此方案使用HD-8MMN-CORE的核心板搭配TI公司的芯片SN65DSI86转换芯片实现。
SN65DSI86作为一款MIPI DSI转eDP的芯片,支持双通道DSI输入,最大四通道显示输出,最大支持4K@60fps输出,WUXGA 1080P。本方案中将采用单通道DSI输入,双通道DP输出到1080p的屏幕。
HD8MMN-CORE系列工业级核心板基于NXP(Freescale) i.MX8MM系列Cortex-A53高性能处理器设计,支持硬件加密,支持摄像头接口、USB3.0接口、HDMI/MIPI、PCIe、千兆以太网接口、多路串口等,适用于快速开发一系列最具创新性的应用,如多媒体应用、人机界面、工业4.0、车载终端以及边缘计算设备等。

注:硬件修改REFCLK上需要贴上27M的晶振,TEST2引脚需要通过4.7K电阻上拉到1.8V.
内核版本:Linux5.10;
SN65DSI86驱动:drivers/gpu/drm/bridge/ti-sn65dsi86.c
Panel驱动:drivers/gpu/drm/panel/panel-simple.c
内核配置,需要打开如下两项
CONFIG_DRM_TI_SN65DSI86=y
/ { osc_27m: clock-osc-27m { compatible = "fixed-clock"; #clock-cells = <0>; clock-frequency = <27000000>; clock-output-names = "osc_27m"; }; lcd_backlight: lcd_backlight { compatible = "pwm-backlight"; pwms = <&pwm1 0 100000>; status = "okay"; brightness-levels = < 0 1 2 3 4 5 6 7 8 9 10 11 12 13 14 15 16 17 18 19 20 21 22 23 24 25 26 27 28 29 30 31 32 33 34 35 36 37 38 39 40 41 42 43 44 45 46 47 48 49 50 51 52 53 54 55 56 57 58 59 60 61 62 63 64 65 66 67 68 69 70 71 72 73 74 75 76 77 78 79 80 81 82 83 84 85 86 87 88 89 90 91 92 93 94 95 96 97 98 99 100>; enable-gpios = <&gpio1 1 GPIO_ACTIVE_HIGH>; default-brightness-level = <80>; }; panel { compatible = "test,test-edp-1080p"; //设置自己的屏幕匹配参数组 backlight = <&lcd_backlight>; no-hpd; port { panel1_in: endpoint { remote-endpoint = <&sn65_out>; }; }; }; }; &pwm1 { pinctrl-names = "default"; pinctrl-0 = <&pinctrl_pwm1>; status = "okay"; }; &i2c4 { clock-frequency = <400000>; pinctrl-names = "default"; pinctrl-0 = <&pinctrl_i2c4>; status = "okay"; sn65dsi86@2d { ……. clock-names = "refclk"; //默认名字 //SN65DSI86仅支持12 MHz, 19.2 MHz, 26 MHz, 27 MHz or 38.4 MHz. clocks = <&osc_27m>; …… port@1 { reg = <1>; sn65_out: endpoint { //data-lanes = <0 1 2 3>; //根据eDP屏的通道数设置,这里为2通道 data-lanes = <0 1>; ……
添加显示屏的显示参数到驱动中,修改drivers/gpu/drm/panel/panel-simple.c:
tatic const struct display_timing test_edp_1080p_timing = { .pixelclock = { 153000000, 153000000, 153000000 }, .hactive = { 1920, 1920, 1920 }, .hfront_porch = { 100, 100, 100 }, ….. .bus_format = MEDIA_BUS_FMT_RGB666_1X18, .connector_type = DRM_MODE_CONNECTOR_eDP, }; static const struct of_device_id platform_of_match[] = { { .compatible = "test,test-edp-1080p", .data = &test_edp_1080p, },
修改sn65dsi86驱动以适应我们的板卡,修改drivers/gpu/drm/bridge/ti-sn65dsi86.c,修改DSI正确的模式,防止找不到注册的panel出现报错“couldnotfindanypanelnode”,开机过程中打印1次是正常的,SN65DSI86的驱动找不到Panel会被多次调用,直到找到panel为止。
static int ti_sn_bridge_attach(struct drm_bridge *bridge, enum drm_bridge_attach_flags flags) { ... //dsi->mode_flags = MIPI_DSI_MODE_VIDEO; dsi->mode_flags = MIPI_DSI_MODE_VIDEO | MIPI_DSI_MODE_VIDEO_SYNC_PULSE | MIPI_DSI_MODE_EOT_PACKET | MIPI_DSI_MODE_VIDEO_HSE;
#define SN_ENH_FRAME_REG 0x5A #define ASSR_CONTROL BIT(0) ... static int ti_sn_link_training(struct ti_sn_bridge *pdata, int dp_rate_idx, const char **last_err_str) { unsigned int val; int ret; int i; /* set dp clk frequency value */ regmap_update_bits(pdata->regmap, SN_DATARATE_CONFIG_REG, DP_DATARATE_MASK, DP_DATARATE(dp_rate_idx)); regmap_write(pdata->regmap, 0xff, 0x07); regmap_write(pdata->regmap, 0x16, 0x01); regmap_write(pdata->regmap, 0xff, 0x00); /* For DisplayPort, use the standard DP scrambler seed. */ regmap_update_bits(pdata->regmap, SN_ENH_FRAME_REG,ASSR_CONTROL, 0); /* enable DP PLL */ regmap_write(pdata->regmap, SN_PLL_ENABLE_REG, 1); ...
如果未接eDP屏幕会出现如下报错:
[ 2.299284] ti_sn65dsi86 3-002d: [drm:ti_sn_bridge_enable] ERROR Can't read lane count (-6); assuming 4 [ 2.765851] ti_sn65dsi86 3-002d: [drm:ti_sn_bridge_enable] ERROR Can't read eDP rev (-6), assuming 1.1