时间:2023-10-23 09:57
人气:
作者:admin
在以DSP为核心的电机控制系统中,为了实现系统的实时控制和系统的稳定,主电路中的电压量和电流量会通过有隔离效果的传感器进行处理,之后通过相应的调理电路送入DSP的A/D采样引脚。由于DSP片内A/D采样模块在量程设计与抗扰能力上的不足,需要扩展片外A/D采样芯片,而且 A/D采样芯片的采样精度以及抗扰能力要高于直接使用DSP的片内资源。
因此,对于DSP的片内A/D采样模块,其0V~3V的量程限制了硬件电路的设计,会增加调试难度;其本身不具备对信号干扰的处理,在交流信号的处理上,误差较大。本文推荐采用SC1467芯片为外围硬件电路。该ADC为八通道16位200kSPS,可替代ADI的AD7606。

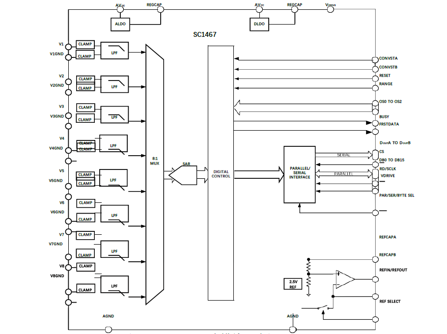
SC1467功能模块示意图
SC1467是一款同步采样模数转换器,每个通道均内置模拟输入箝位保护、模拟滤波器、可编程增益放大器。芯片还集成了数字滤波器、3.5ppm/℃低漂移2.5V精密基准电压源和4.5V基准电压缓冲器,支持并行和串行接口。
SC1467采用5V单电源供电,所有8个通道的吞吐速率均可达200kSPS,支持±10V和±5V真双极性输入范围,具有1MΩ模拟输入阻抗,输入箝位保护可承受高达±30V的电压,ESD等级可达8kV。对于吞吐率要求较低的应用,SC1467内建的过采样模式和灵活的数字滤波器可用来改善噪声性能。

芯炽SC1467主要性能:
•工作温度范围-40℃至+85℃,5V单模拟电源
•VDRIVE电源电压2.3V至5V,±30V输入箝位保护,8kV ESD
•2阶抗混叠模拟滤波器,片上精密基准源和基准电压源缓冲器
•真双极性模拟输入范围±10V、±5V,集成数字滤波器的过采样功能
•SNR 86dB (无过采样)95dB(64 倍过采样)
•QFP-64封装12mm×12mm

综上,可以看出SC1467在采样过程中对直流信号、交流信号采样的精确度非常高,在采集电机的三相交流电时会更加准确,有利于整个控制程序的正常运行。
注:如涉及作品版权问题,请联系删除。