时间:2023-10-07 09:28
人气:
作者:admin
1、求解环路增益:将负相端剪开,假定负相端输入一个信号vi,信号沿环路跑一圈回到剪开的地方时信号变为vo,那么环路增益就是vo/vi。
2、稳定性判断条件:环路增益=1时,相位裕度≥45°
定性分析
以上方法可以很容易定性分析一些器件对稳定性的影响趋势,比如下面的例子
1、输出端加电容为什么会造成稳定性下降?

2、驱动容性负载时,为什么输出端增加串联电阻,可以提升稳定性?

3、为什么反馈电阻并联一个小电容可以提升稳定性

以上是定性分析,那么如何定量分析呢?
电路等效
首先,我们要知道运放的等效模型,为什么要如此呢?因为每个运放的参数其实都不一样,我们这个时候也不能把运放当作理想的,所以呢,我们必须对一个具体的运放电路进行等效建模,具体电路具体分析。
一般来说,运放外围电路都是电阻或电容,我们把运放建好模后,然后加上运放的外围的器件,这样我们就可以得到整体电路的传递函数了,就可以进行稳定性分析计算了。
好了,先看看运放如何建模
运放的等效电路模型如下图所示:

解释一下:IN+ 与 IN- 端之间的差分电压先被放大 1 倍并转化为单端交流电压源VDIFF, VDIFF然后再被放大K(f) 倍,其中K(f) 代表数据资料中的Aol(开环增益频率曲线)。由此得到的电压Vo经过Ro后就是运放的输出Vout(运放输出管脚)。
可以看到,建模里面有两个关键的参数,一个是Aol(也就是图中的K(f)),这个好说,一般运放都有它的曲线;另外一个重要的参数就是运放的Ro,不同运放型号的Ro各不相同,所以说要想计算运放的稳定性,就必须要知道运放的Ro。
这里需要注意一下,这里的Ro指的是运放的开环输出阻抗,不是闭环输出阻抗。以运放TLV9062为例,就是下面这个参数:

可以看到,TLV9062的开环输出阻抗是100Ω,不过,需要注意,开环输出阻抗是跟频率有关系的,TLV9062也有其随频率的关系曲线,如下图:

一些运放的手册中可能没有这个参数,只有闭环输出阻抗,我们也可以借助闭环输出阻抗将开环输出阻抗求出来。
关于开环输出阻抗和闭环输出阻抗,可能有些兄弟完全不知道是什么意思,这里我看TI的《运算放大器稳定性分析(TI合集).pdf》关于这个写得不错,这一段先直接搬过来了,感兴趣的同学可以去看原文档,网上应该很容易可以搜到(注:关于Ro这一部分,因为篇幅也不短,阅读可以先跳过,真正用到的时候可以再回头来看)。

-IN与+IN之间的压差在RDIFF上形成误差电压VE。该误差电压VE被运放放大Aol倍后变成VO。串联在Vo至输出电压Vout之间的就是Ro——开环输出阻抗。

利用图 3.1 所示的运放模型,我们可得出Rout为Ro 和 Aolβ函数。这一推导的详细过程在图 3.2 中给出。我们看到,环路增益Aolβ缩小Ro,从而对于较大的Aolβ值,带反馈的运放的输出阻抗Rout会比Ro低得多。

从数据资料曲线上计算Ro
OPA353 为宽带(UGBW=44MHz、SR=22V/uS、Settle to 0.1%=0.1us)CMOS、单电源(2.7V至 5.5V)、RRIO(轨至轨输入和输出)运放。在厂家数据资料中的规格表中没有给出Ro的指标。不过,在典型性能曲线中有两条有助于我们确定Ro的的曲线。我们需要使用开环增益/相位与频率关系曲线(见图 3.3)和闭环输出阻抗与频率关系曲线(见图 3.4)来方便地计算Ro。
闭环输出阻抗与频率关系曲线实际上是Rout与频率关系曲线。在电压反馈运放的统一增益带宽内,Ro 与 Rout主要是阻性的。在图 3.4 所示的闭环输出阻抗与频率关系曲线上,我们选择G=10 的曲线和x轴上的点 1 MHz(只是选择一个容易读取的数据点)。在 1 MHz和G=10 曲线的交叉点上,我们看到Rout=10Ω。

在图 3.3 所示的开环增益/相位与频率关系曲线上,我们在x轴上找到 1 MHz的频率点,且读出开环增益为 29.54dB。

图 3.5 给出了从图 3.3 和 3.4 中收集到的信息来推导Ro的详细过程。现在从我们针对Ro的公式,我们整理出用Rout、Aol、和 β给出的Ro等式。由这个等式以及我们的数据资料信息,我们计算出OPA353 的Ro为 40Ω。

好了,花了一定的篇幅说明了开环输出阻抗Ro到底是个啥,以及怎么得到。下面回到正题,如何定量分析运放电路环路是否稳定。
定量分析
我们还是以一个具体的电路为例子,如下图:

上面这是一个放大10倍的同相放大器,但是输出端直接接了0.1uF的电容,那么这个电路是否稳定呢?
我们按照前面说的,首先建立电路模型如下图所示:

注意,这里已经将运放的反相输入端剪开了,这里的Vr就是反相输入端剪开后的信号,至于为什么,原因文章开头已经讲了,我们要求解环路增益。
很容易知道,环路增益就是:Vr/Vin

我们再转化一下,环路增益=Vin/Vr=(Vin/V1)*(V1/Vr)=AoL*(V1/Vr)

为什么要转化一下呢?
因为AoL一般没有公式,只能从放大器手册中看到曲线,转化后可以将其独立出来,并且转化后,另外一项V1/Vr,完全是由已知的电阻和电容组成,是可以列出传递函数的,我们也可以用工具直接画出对应的幅频曲线。
V1/Vr部分的电路我们独立出来,使用LTspice画其曲线如下:

我们再看下TLV9062的AOL曲线,如下图:

上面两个曲线,一个是V1/Vr,一个是AoL,现在画是画出来了,有啥子用呢?
前面我们知道,闭环传递函数就等于这两个的乘积。与此同时,我们画的曲线都是对数坐标,因此,最终闭环传递函数的曲线就是这两个曲线的叠加(幅度相加,相位也相加)。
两个曲线直接相加也不是很好操作,不过判断这个电路稳不稳定,其实还是比较容易的。

我们对比两个曲线,大致找到幅度加起来为0时的频率,可以看到,在105Khz的时候,AoL增益≈38dB,V1/Vr增益≈-38dB,也就是说此时环路增益≈0。
我们再看此时二者的相位,105Khz时,Aol的相移约为90°,而V1/Vr的相移约为81°,所以说总的相移约为171°。相位裕量=180°-170°=9°,不满足相位裕度>45°的要求,所以说这个电路是不稳定的。
问题来了,如何调整电路让其稳定呢?
如何调整让电路稳定
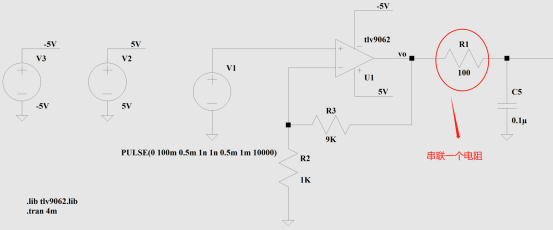
前面我们知道,可以在运放的输出端串联一个电阻,也就是电路变成下面这个电路。

假设我们串联100欧姆,同样的道理,我们画出等效电路如下图:

LTspice里面运行下,得到V1/Vr的曲线如下图

可以看到,相移最大约19°,增益在-20db ~ -26.4dB之间变化。它与Aol的曲线叠加之后,可以大概估一下(可以把曲线频率对齐,找两个增益加起来等于0db时的频率),增益为0的地方在400Khz左右。

我们从上图也可以看到,在400Khz处,V1/Vr的相移很小,只有1.8°,同时AoL的相移是90°左右,因此,总的相移是91.8°,因此相位裕量=180°-91.8°=88.2°>45°。因此,加上R1=100Ω后,该放大器电路是稳定的。
其实,我们也可以看到,在大于400Khz的频段,增益都小于0dB,因此大于400Khz不用考虑稳定性的问题。而小于400khz的频段,环路增益肯定是大于1的,所以我们也需要考虑稳定性的问题。以该电路为例,小于400Khz时,Aol的相移基本都是90°,而V1/Vr的相移最大可以达到19°,因此最大相移=90°+19°=109°,裕量至少可以达到180°-109°=71°,依然满足大于45°,因此,加入R1=100Ω后肯定是稳定的。
当然,这个100Ω我是随便试的,兄弟们也可以自己试下其它的电阻。
还有个问题,现在分析是没有串联100Ω电阻时,相位裕度不够,而串联100Ω电阻后,相位裕度是OK的,有没有办法验证这个事情呢?
进一步验证
TLV9062这个芯片,TI提供了一个Spice仿真模型,我们直接用来验证,先看没有100欧姆电阻时的仿真结果。

可以看到,输入1Khz方波时,输出有很严重的振荡信号,此现象说明了这个电路的稳定性不好,相位裕度不够,印证了前面的分析结果。
这里说明下,为什么输入用方波呢?这是因为方波的频谱是无限的,里面有各种频率分量,这个类似于,我们测量电源的稳定性的时候,负载突然拉载,输出也会对应抖动,二者的道理其实是一样的。
再来看下串联100Ω电阻后的结果

可以看到,输出波形非常的好,完全没有振荡,说明100Ω电阻加入的效果是非常明显的,也说明加了100Ω电阻之后,电路是稳定的。
可能有的兄弟会说,既然这样,我完全可以直接用这个电路,使用方波激励,看输出波形就好了,不用搞得那么复杂。
这样行不行呢?我认为也没毛病。
那我为什么前面搞得如此复杂呢?
一是为了验证理论分析,我们要知其然并知其所以然。二是,不是所有厂家都会提供运放的Spice仿真模型,有的时候我们只能拿到规格书,针对这种情况,用本节前面所描述的复杂的方法也是可以分析的。
小结
本节内容就写到这里了,以上是查看了一些资料,自己做的一些方法总结。总的来说,我觉得可以分两种情况进行分析。
1、如果没有运放的Spice模型:可以根据手册得到运放的开环输出阻抗Ro,然后根据实际的外围电路器件,搭建电路,仿真运放外部的传递函数曲线(即文中的V1/Vr),再结合规格书手册中的AoL曲线,就可以判断电路是否稳定了。
2、如果有运放的Spice模型:可以直接搭建仿真电路,输入给方波,看运放输出端的振荡情况就OK了。
其实,如果有spice模型的话,还有一种方法,直接仿真得到闭环增益曲线,这种方法分析稳定性应该是更好的。
审核编辑:刘清