时间:2023-09-15 10:10
人气:
作者:admin
scan测试中两个最基本概念:
scan设计的两个基本流程:
如下图所示:左边是普通寄存器,右边是可扫描寄存器,D端前面加一个二选一的MUX,选择端是scan_enable,为1时选择SI端,为0时选择D端。

如下图所示:把所有可扫描寄存器首尾连接在一起,就构成了扫描链。注意,增加了三个端口,分别是SI(scan out),SO(scan out)和SE(scan enable)。

综上所述:scan就是把普通寄存器替换成可扫描的寄存器,目的是创建control和observation点,然后把所有的可扫描寄存器连接在一起串成扫描链(scan chain),利用扫描链,工具自动产生测试patterns,让寄存器处于一个特定的值(control),然后将期望的值移出来进行对比(observe),来判断芯片是否有缺陷。
scan测试可以大概分为如下四个步骤:
scan测试具体分析包含如下5个events:
如下图所示:步骤2,3,4就是capture过程。

主要具体介绍如下四个步骤:
LOAD过程分为如下4步:
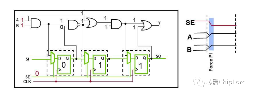
如下图所示:SE拉高后,经过三次shift过程,三个扫描寄存器分别处于确定值011(从左到右)状态



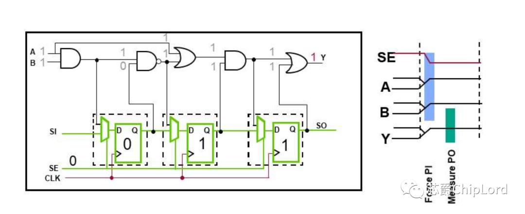
然后SE拉低,电路处于function模式,从PI端口A和B force两个确定值11,同时三个寄存器的输出端的值011传递到组合逻辑输入端,经过一段时间从PO端口measure确定值1。


最后新的一组patterns(101),串行shift in,同时内部电路的确定值(111),串行shift out进行对比。

以上即为scan测试的基本原理和过程。