时间:2023-09-08 15:59
人气:
作者:admin
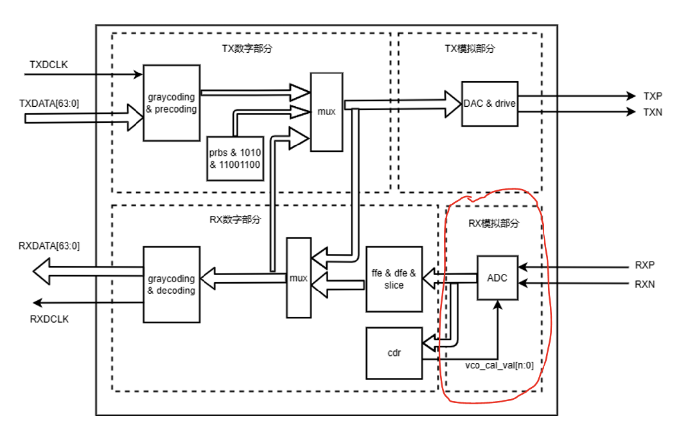
对于图1所示TX/RX模拟部分的实现方式,大家是不是一直有这样的疑问: Serdes在将并行data通过DAC串行发出去的时候,或者在接收端通过ADC进行串行data采样的时候,是怎么实现的?比如56G的serdes就是用56G的ADC和DAC吗?
答案是肯定不是,没有那么高频的ADC和DAC,通常ADC和DAC最大可以工作在1G频率左右,再大的频率无法实现精度的。所以采用多个ADC/DAC分时工作的模式。
RX接收端采样方式如下图2,RX Pad连接到16个ADC上,后端要严格约束Pad到不同ADC之间的走线一样长,可以通过绕线方式实现。
CDR的数字逻辑输出vco_calibration_value[n:0]到模拟VCO实现相位调整。VCO输出多路时钟到多个ADC,如图3所示,比如通过16个ADC分时采样,VCO输出的相邻时钟差90°/16。
ADC在时钟上升沿进行采样,然后模拟通过clk15将16个采样symbol[7:0] pipe到数字逻辑,然后进行均衡判决。TX端的DAC发送端是相同的方式进行的。
图1:serdes架构框图
图2:RX ADC采样框图
图3:RX ADC采样时钟图示