时间:2023-08-30 15:30
人气:
作者:admin
理想情况下,频率响应曲线在截止频率处下降。实际上,信号不会突然下降,而是从过渡区域逐渐下降到阻带区域。
截止频率是指响应从通带下降-3dB或70.7%的点。过渡区域是指发生衰减的区域。
阻带区域是指衰减主要发生在输入信号的区域。所以这种滤波器也被称为高切滤波器或高音切滤波器。理想的响应如下所示。

使用运算放大器形成A简单的低通有源滤波器。运算放大器将高阻抗信号作为输入,并提供低阻抗信号作为输出。该滤波电路中的放大器组件将增加输出信号的幅度。
通过放大器的这种作用,输出信号将变宽或变窄。滤波器的最大频率响应取决于电路设计中使用的放大器。
低通有效滤波电路
信号的衰减,即输出信号的幅度小于无源电路中输入信号的幅度。为了克服无源滤波器的这一缺点,设计了有源滤波器。连接到反相或同相运算放大器的无源低通滤波器为我们提供了A简单的有源低通滤波器。
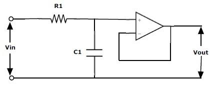
一阶有源滤波器由带有RC电路的单个运算放大器组成。连接到运算放大器同相端子的简单RC无源滤波器如下所示。

该RC电路将为放大器的输入提供低频路径。放大器用作缓冲电路,提供单位增益输出。该电路具有更多的输入阻抗值。即使运算放大器的输入阻抗高于截止频率,该输入阻抗仍受串联阻抗的限制,串联阻抗等于R+1⁄jωC。
电路中连接的运算放大器的输出阻抗始终很低。该电路将为滤波器提供高稳定性。这种配置的主要缺点是电压增益是单位的。即使对于该电路,由于输入阻抗较低,输出功率也很高。
具有高电压增益的低****滤波器
上述有源低通滤波电路提供的增益不超过单位增益。因此,我们使用下面的电路来提供高电压增益。

当输入信号处于低频时,信号将直接通过放大电路,但如果输入频率较高,则信号通过电容器C1。通过该滤波电路,输出信号幅度通过滤波器的通带增益而增加。
具体如下
电压幅度增益={1+(R2/R3)}
低通有效滤波器的电压增益
我们知道增益可以通过频率分量获得,如下所示
电压增益=V_out⁄V_in=A_max⁄√(1+〖f/f_c〗^2)
频率响应

有源滤波器的响应如下图所示。

二阶有源低通滤波器

只需在一阶低通滤波器上增加A额out的RC电路,电路就表现为二阶滤波器。二阶滤波电路如上所示。
上述电路的增益为A.max=1+(R2/R1)
二阶低通滤波器的截止频率为fc=1/2π√(C1C2R3R4)
二阶滤波器和一阶滤波器的频率响应和设计步骤几乎相同,只是阻带的滚降。二阶滤波器的滚降值是一阶滤波器滚降值的两倍,即40dB/十倍频程或12dB/倍频程。这些滤波器可以阻止更陡峭的高频信号。
低通有源滤波器的应用
上一篇:根据频率特性选择电容器大小